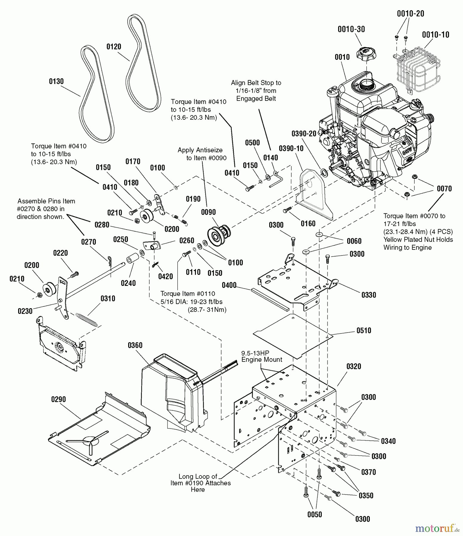
Snapper L1226EX (1696010) - 26" Snowthrower, 11.5 HP, Large Frame Engine & Frame Group Ricambi
Engine & Frame Group L1226EX (1696010) - Snapper 26" Snowthrower, 11.5 HP, Large Frame



Gestione della qualità
Aiutaci a migliorare il nostro sito. Informaci se trovi un errore.




