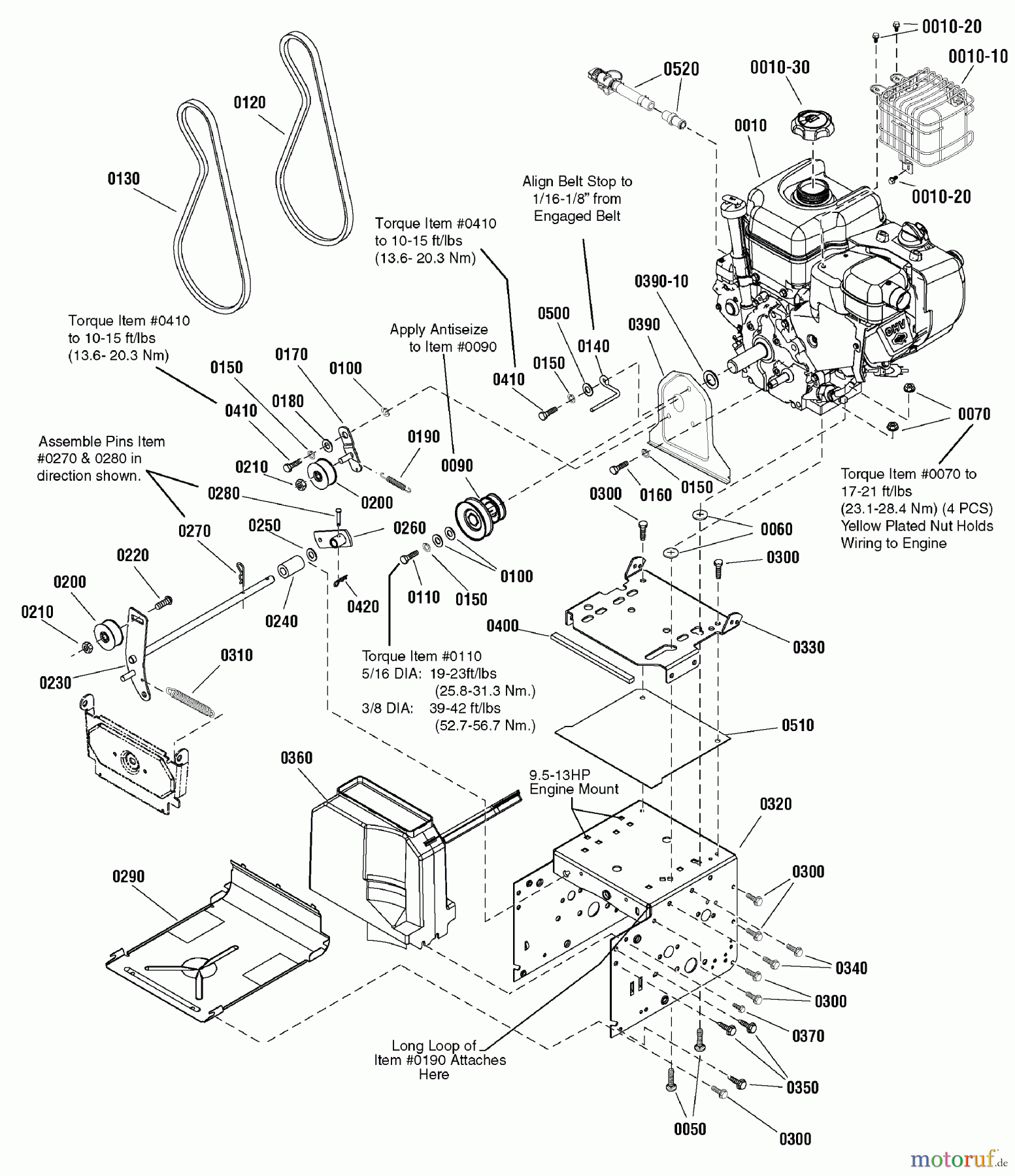
Snapper H824RX (1695851) - 24" Snowthrower, 9 HP, Two Stage, Intermediate Frame Engine & Frame Group Ricambi
Engine & Frame Group H824RX (1695851) - Snapper 24" Snowthrower, 9 HP, Two Stage, Intermediate Frame



Gestione della qualità
Aiutaci a migliorare il nostro sito. Informaci se trovi un errore.




