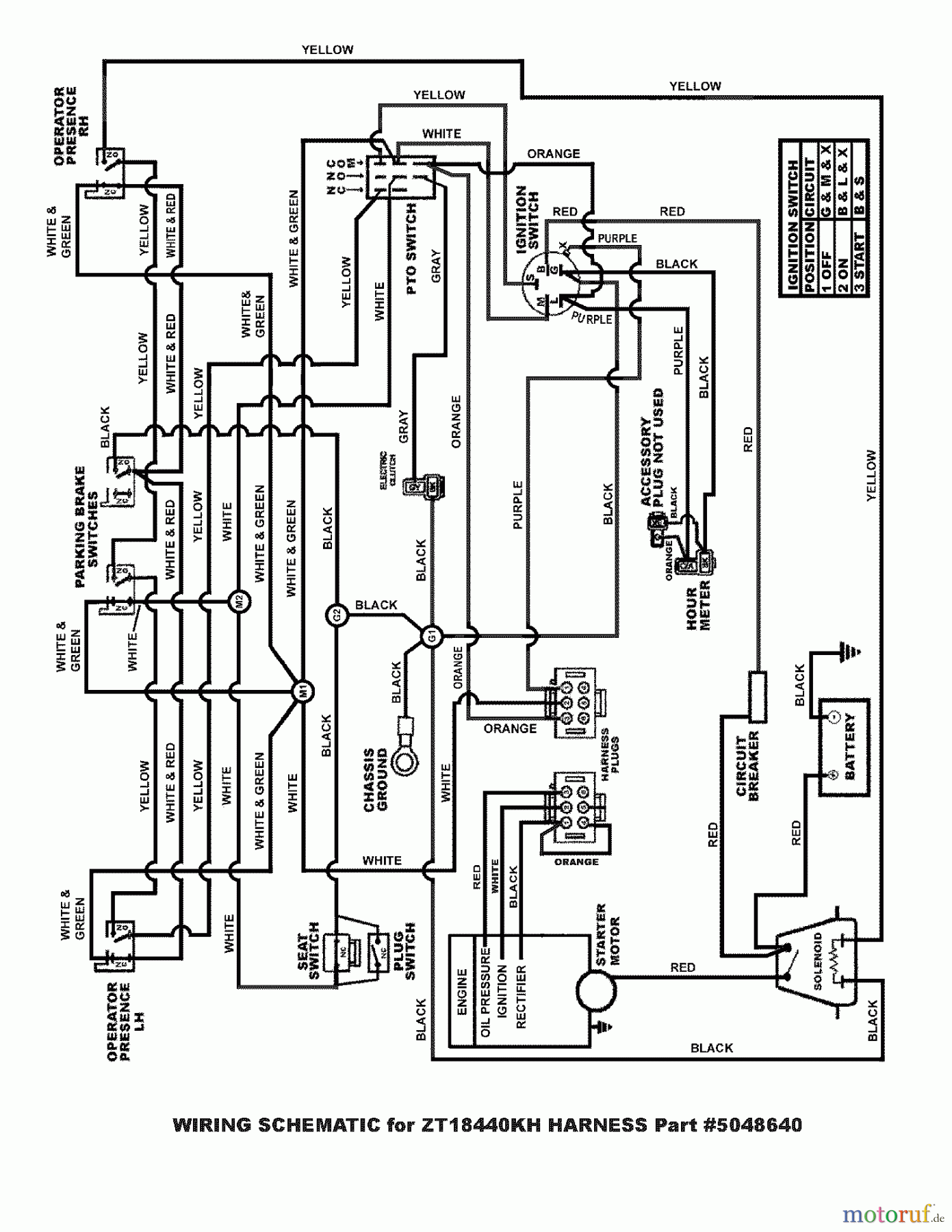
Snapper ZT18441KHC (5900608) - 44" Zero-Turn Mower, 18 HP, ZTR FastCut Series 1 Wiring Schematic 18hp Ricambi
Wiring Schematic 18hp ZT18441KHC (5900608) - Snapper 44" Zero-Turn Mower, 18 HP, ZTR FastCut Series 1



Gestione della qualità
Aiutaci a migliorare il nostro sito. Informaci se trovi un errore.

