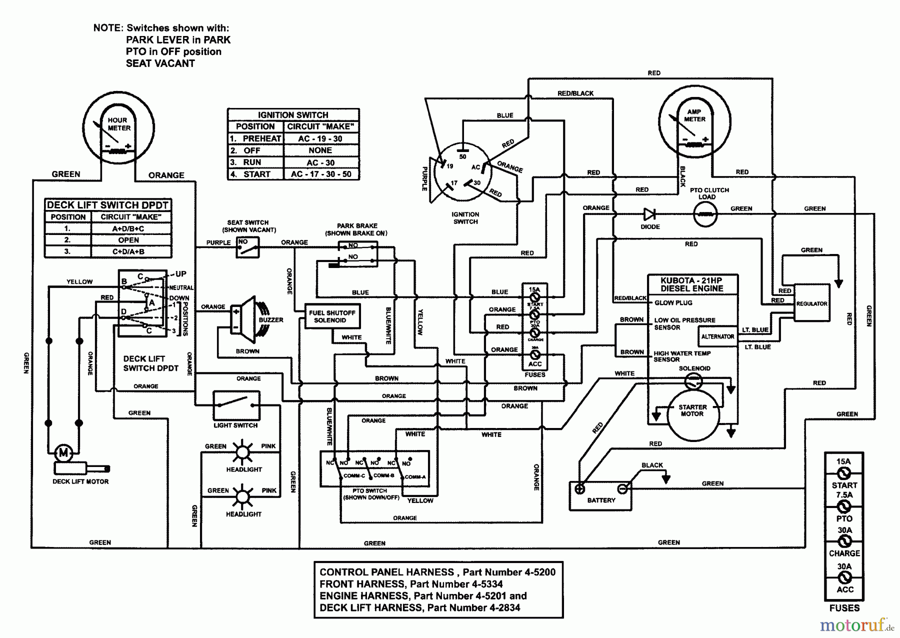
Snapper ZF2301GKU (84576) - 23 HP Zero-Turn Mower, Kubota, Out Front, Z-Rider Series 1 Wiring Schematic (Diesel Only) Ricambi
Wiring Schematic (Diesel Only) ZF2301GKU (84576) - Snapper 23 HP Zero-Turn Mower, Kubota, Out Front, Z-Rider Series 1

| Posizione | Articolo numero | Descrizione | |
| 45200 | BS7045200YP | (C) HARNESS, CONTROL | |
| 45334 | BS7045334YP | (C) HARNESS, FRONT, O | |
| 45201 | BS7045201YP | (C) HARNESS, ENGINE, | |
| 42834 | BS7042834YP | (C) HARNESS, DECK LIF | |


Gestione della qualità
Aiutaci a migliorare il nostro sito. Informaci se trovi un errore.

