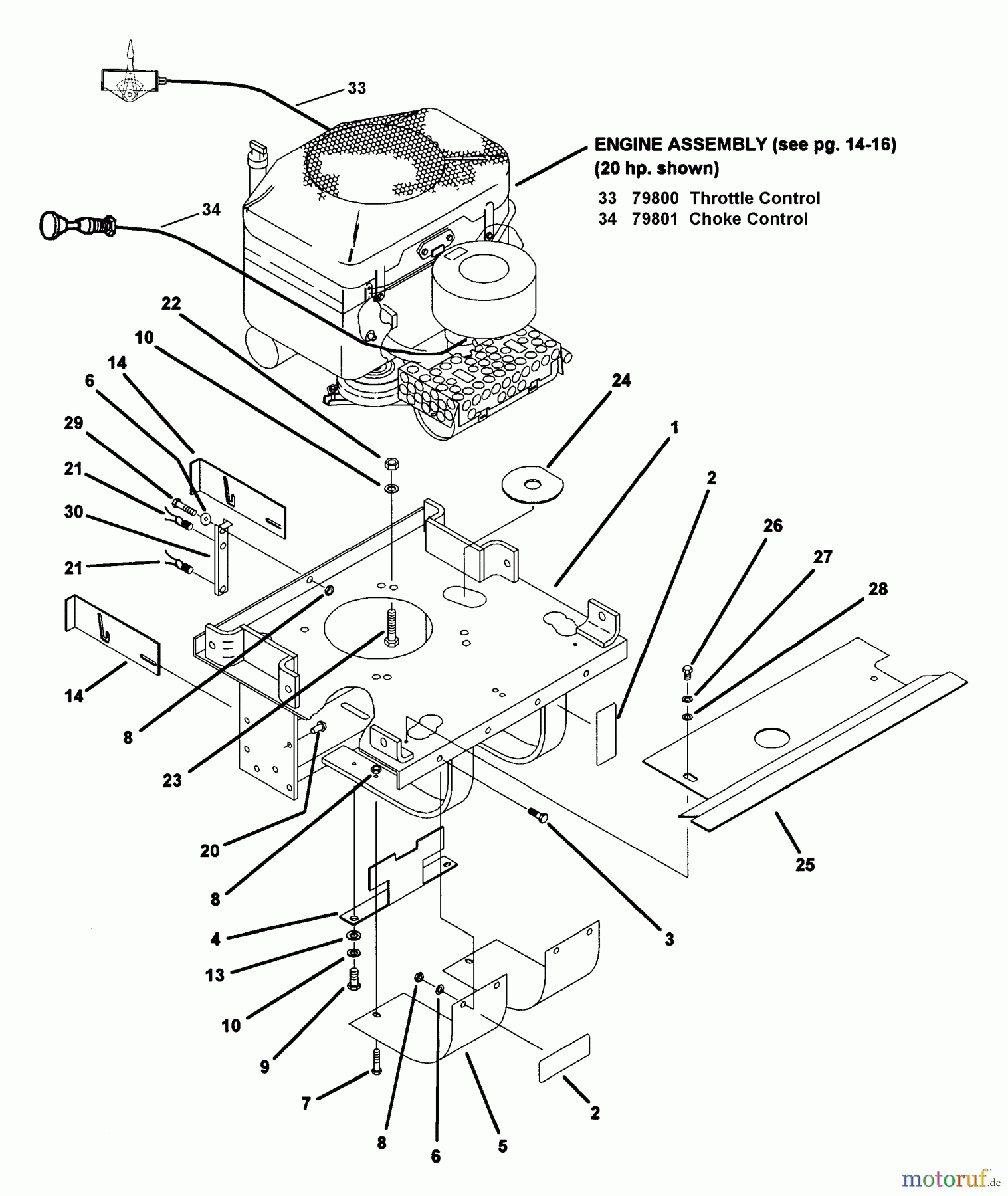
Snapper Z2002K (80186) - 20 HP Zero-Turn Mower, Hydro Drive, ZTR Series 2 Motor Mount Assembly (Part 2) Ricambi
Motor Mount Assembly (Part 2) Z2002K (80186) - Snapper 20 HP Zero-Turn Mower, Hydro Drive, ZTR Series 2



Gestione della qualità
Aiutaci a migliorare il nostro sito. Informaci se trovi un errore.

