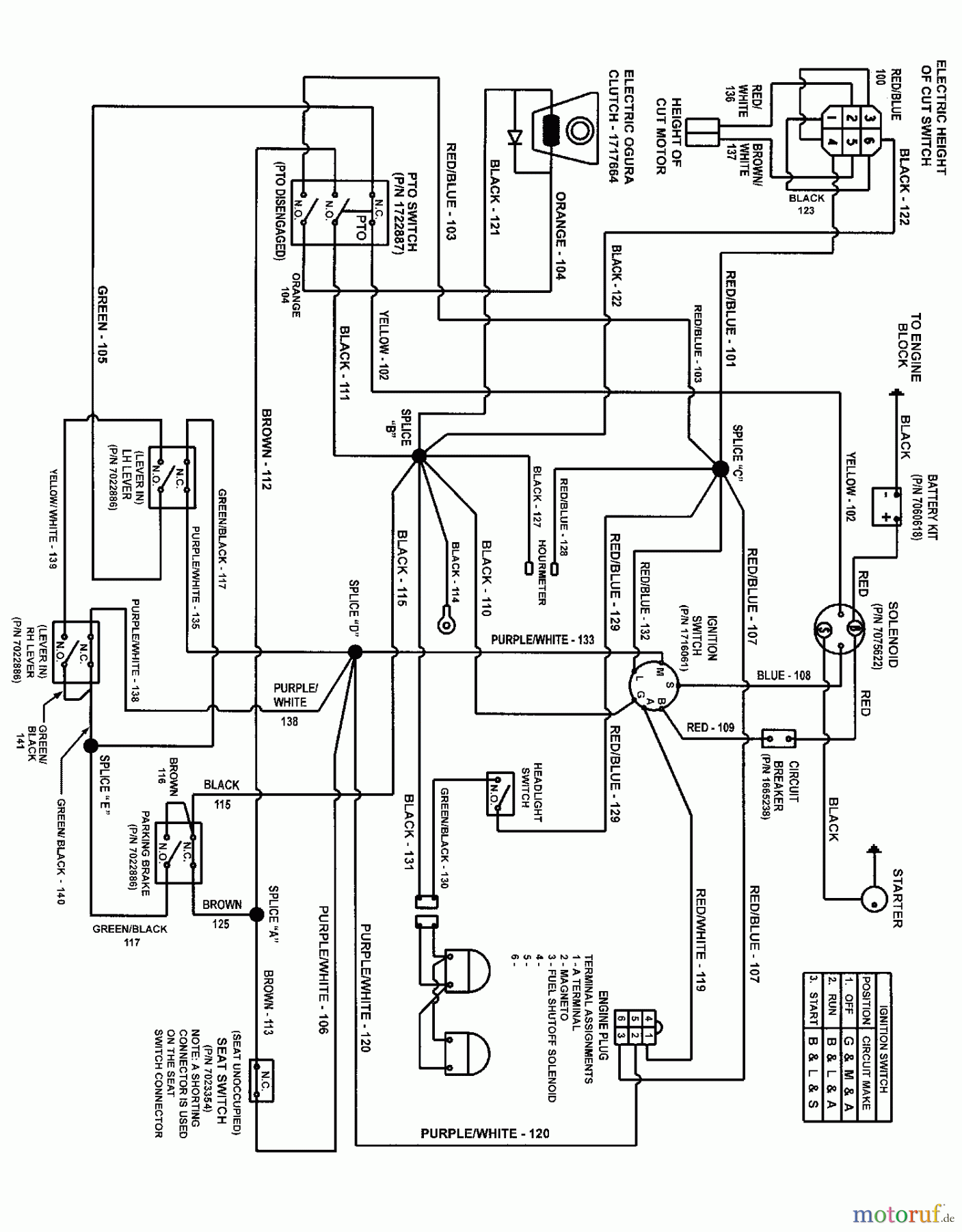
Snapper SC26520 (7800630) - 52" Zero-Turn Mower, 26HP, Twin Stick, ZTR 150Z Series Wiring Schematic Ricambi
Wiring Schematic SC26520 (7800630) - Snapper 52" Zero-Turn Mower, 26HP, Twin Stick, ZTR 150Z Series

| Posizione | Articolo numero | Descrizione | |
| 1 | BS7103103YP | KABELSTRANG | |


Gestione della qualità
Aiutaci a migliorare il nostro sito. Informaci se trovi un errore.

