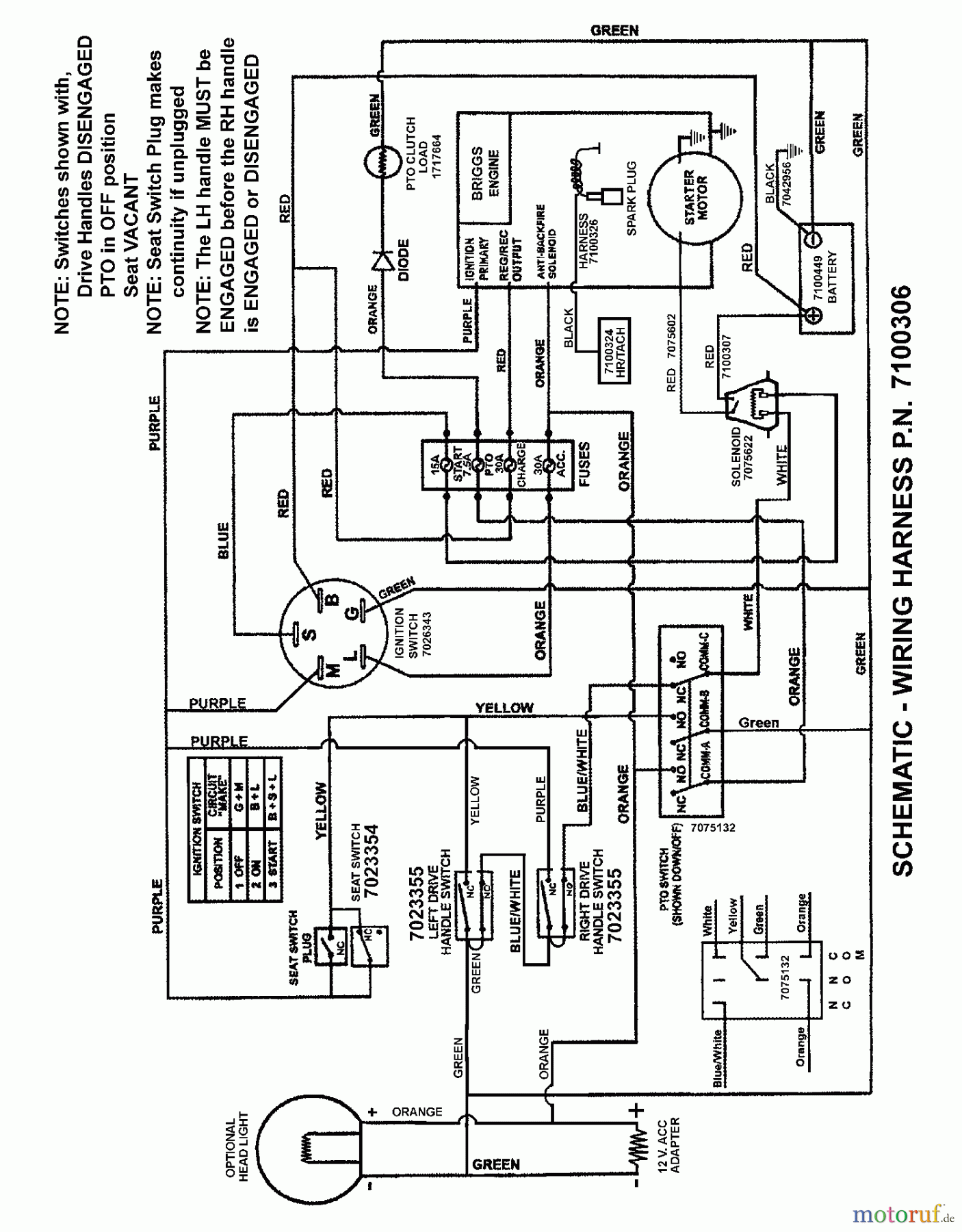
Snapper RZT22501BVE2 (7800153) - 50" Zero-Turn Mower, 22 HP, Twin Stick, RZT Series 1 WIRING SCHEMATIC (Briggs Engine) Ricambi
WIRING SCHEMATIC (Briggs Engine) RZT22501BVE2 (7800153) - Snapper 50" Zero-Turn Mower, 22 HP, Twin Stick, RZT Series 1

| Posizione | Articolo numero | Descrizione | |
| BS7100306SM | |||


Gestione della qualità
Aiutaci a migliorare il nostro sito. Informaci se trovi un errore.

