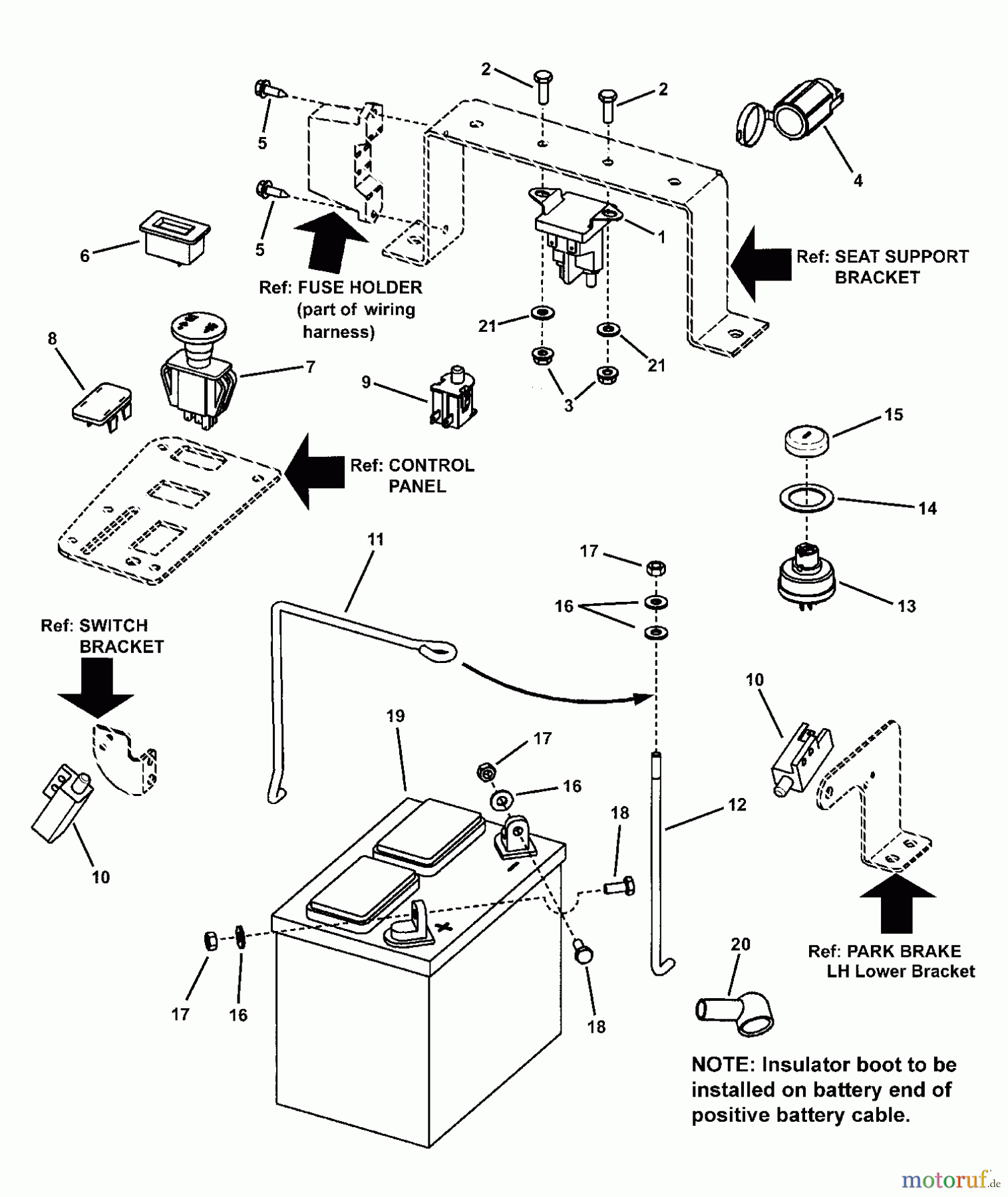
Snapper RZT22501BVE2 (7800153) - 50" Zero-Turn Mower, 22 HP, Twin Stick, RZT Series 1 ELECTRICAL GROUP Ricambi
ELECTRICAL GROUP RZT22501BVE2 (7800153) - Snapper 50" Zero-Turn Mower, 22 HP, Twin Stick, RZT Series 1



Gestione della qualità
Aiutaci a migliorare il nostro sito. Informaci se trovi un errore.

