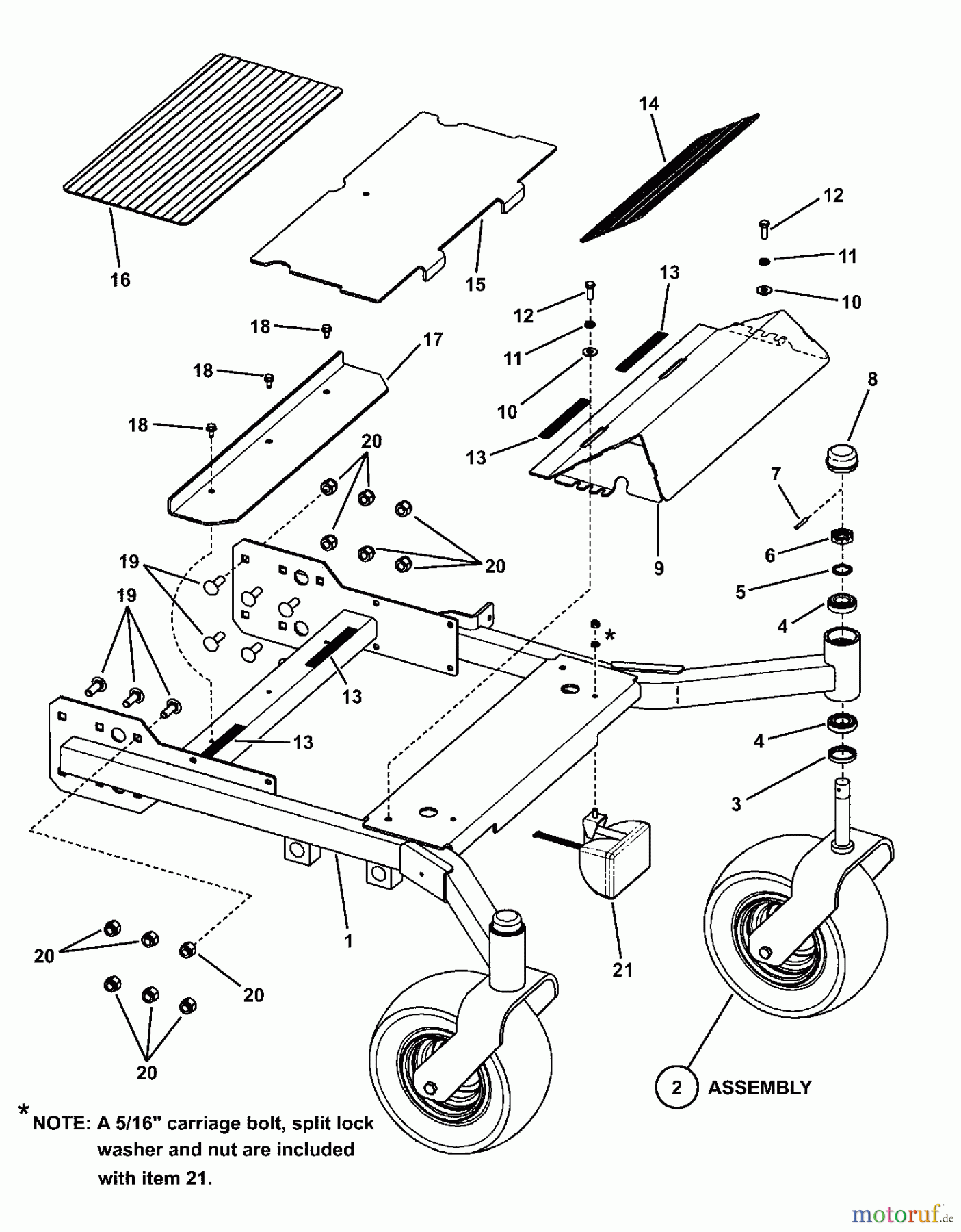
Snapper NZMXL32734BV (7800073) - 73" Zero-Turn Mower, 32 HP, B&S, Mid Mount, Large Frame, Z-Rider Commercial Lawn & Turf Series 4 FRONT CHASSIS ASSEMBLY (Frame) Ricambi
FRONT CHASSIS ASSEMBLY (Frame) NZMXL32734BV (7800073) - Snapper 73" Zero-Turn Mower, 32 HP, B&S, Mid Mount, Large Frame, Z-Rider Commercial Lawn & Turf Series 4



Gestione della qualità
Aiutaci a migliorare il nostro sito. Informaci se trovi un errore.

