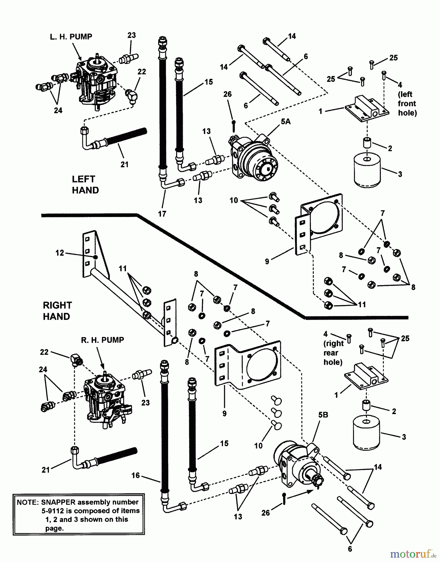
Snapper NZM27611KH (80386) - 61" Zero-Turn Mower, 27 HP, Kohler, Mid Mount, Z-Rider Commercial Lawn & Turf Series 1 HOSE ASSEMBLY (61" DECK, SERIES 1) PT.1 Ricambi
HOSE ASSEMBLY (61" DECK, SERIES 1) PT.1 NZM27611KH (80386) - Snapper 61" Zero-Turn Mower, 27 HP, Kohler, Mid Mount, Z-Rider Commercial Lawn & Turf Series 1




