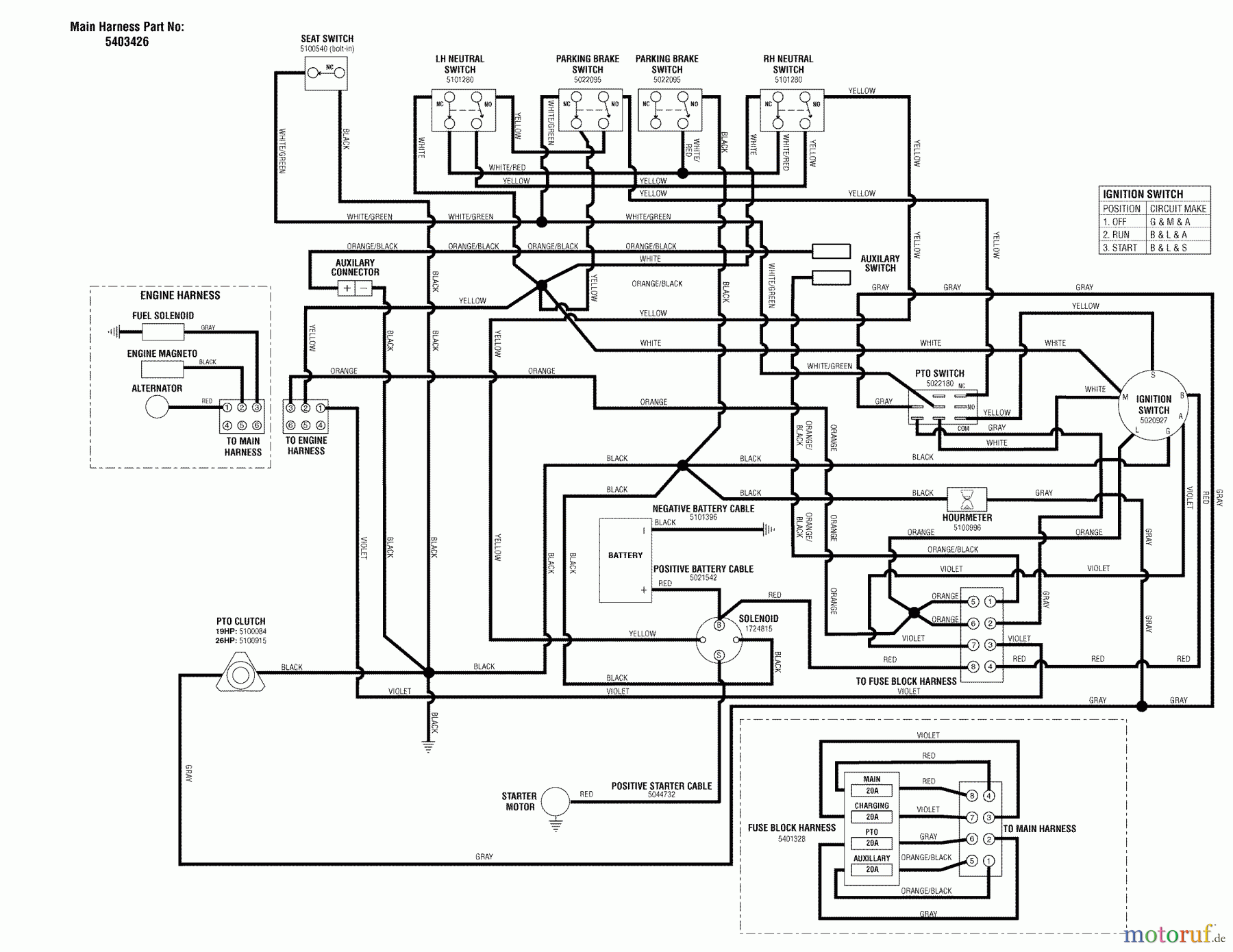
Snapper 500ZB2648 (5900731) - 48" Zero-Turn Mower, ZTR 500Z Series Wiring Schematic - 500Z Series Ricambi
Wiring Schematic - 500Z Series 500ZB2648 (5900731) - Snapper 48" Zero-Turn Mower, ZTR 500Z Series

| Posizione | Articolo numero | Descrizione | |
| -- | BS5403426YP | WIRE HARNESS, MAIN, S | |


Gestione della qualità
Aiutaci a migliorare il nostro sito. Informaci se trovi un errore.

