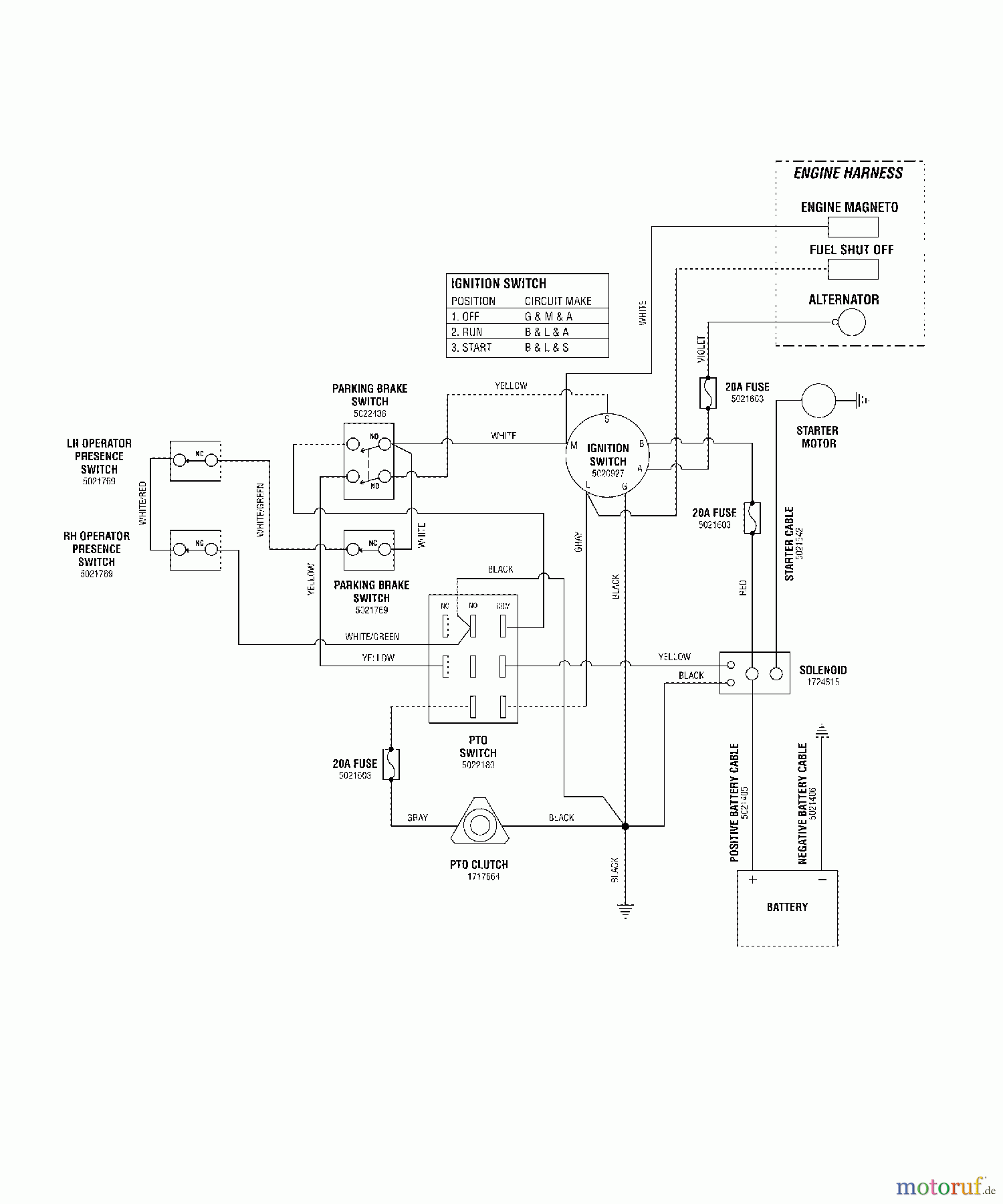
Snapper HC32KAV13E (5901182) - 32" Wide-Area Walk-Behind Mower, 13 HP, Hydro Drive (S/N: 2000856281 & Below) Electrical Schematic - Electric Start Ricambi
Electrical Schematic - Electric Start HC32KAV13E (5901182) - Snapper 32" Wide-Area Walk-Behind Mower, 13 HP, Hydro Drive (S/N: 2000856281 & Below)

| Posizione | Articolo numero | Descrizione | |
| Briggs and Stratton | |||


Gestione della qualità
Aiutaci a migliorare il nostro sito. Informaci se trovi un errore.

