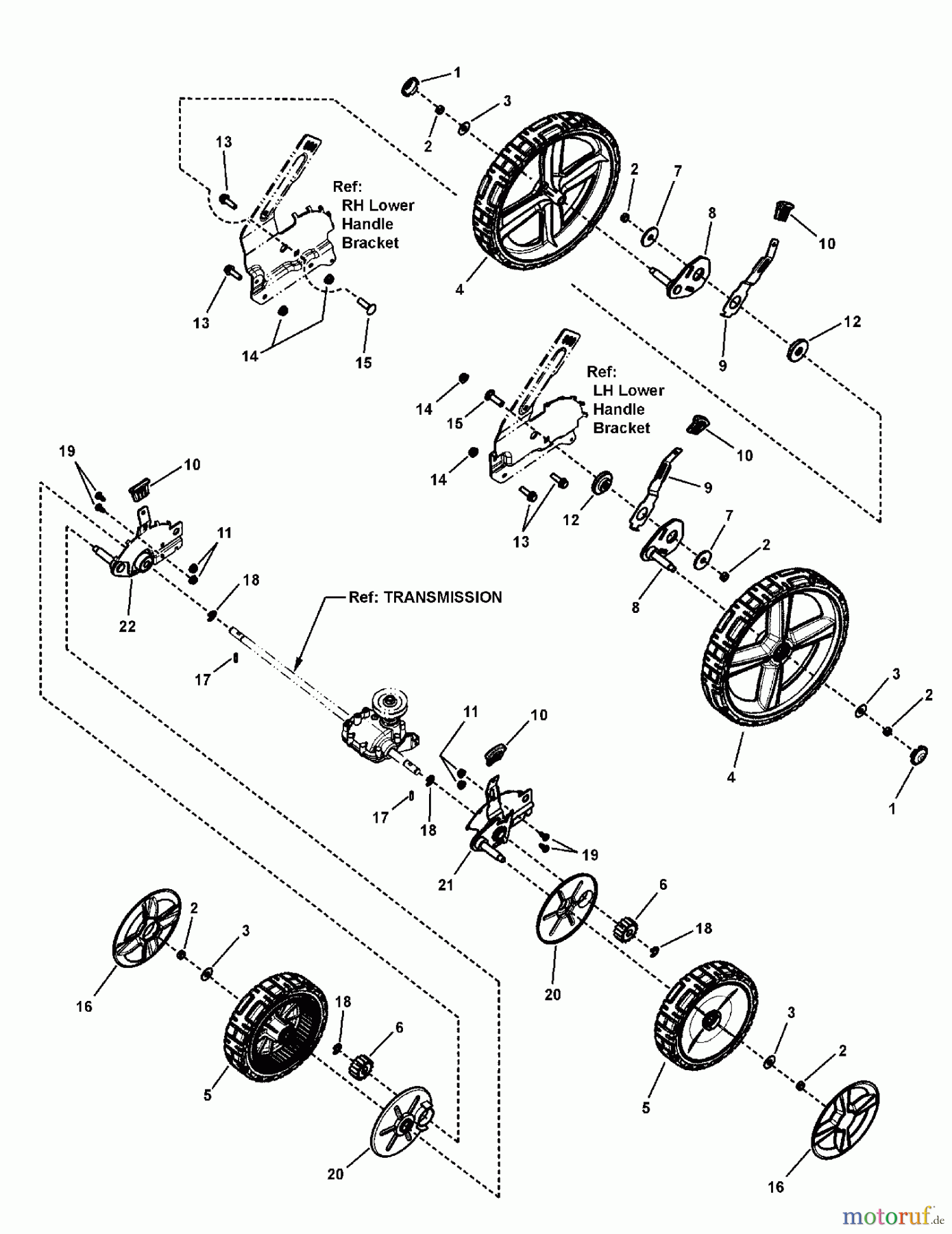
Snapper SPV22725HW (7800831) - 22" Walk-Behind Mower, 7.25 HP, Variable Speed High Wheel Wheel Group, 4 Point HOC, High-Wheel Ricambi
Wheel Group, 4 Point HOC, High-Wheel SPV22725HW (7800831) - Snapper 22" Walk-Behind Mower, 7.25 HP, Variable Speed High Wheel





