.it
Carrello
vuoto
Il mio account
Registrati
Log in
Benvenuti
Contatti
Spedizione
L’azienda
Guest book
Condizioni e Privacy
Catalogare
Tagliare, profilare
Componenti per motore
Officine meccaniche
Parti e componentistica per macchine varie
Forestali
Articoli elettrici
Articoli invernali
Cinghie trapezoidali e relative pulegge
Filters
PEZZI DI RICAMBIO
Sprocket Rims
Guide Bars
Chainsaw Chains
Search by Part Number
Diagrammi ed elenchi
Servizio
Determine Chain
Ricerca
DE
EN
FR
ES
IT
Versione mobile
Snapper BH120G38AB (80479) - 38" Lawn Tractor, 12 HP, Gear Drive, Series A Transmission Group Ricambi
Start
Snapper
Rasen- und Gartentraktoren
BH120G38AB (80479) - Snapper 38" Lawn Tractor, 12 HP, Gear Drive, Seri
Transmission Group
Transmission Group BH120G38AB (80479) - Snapper 38" Lawn Tractor, 12 HP, Gear Drive, Series A
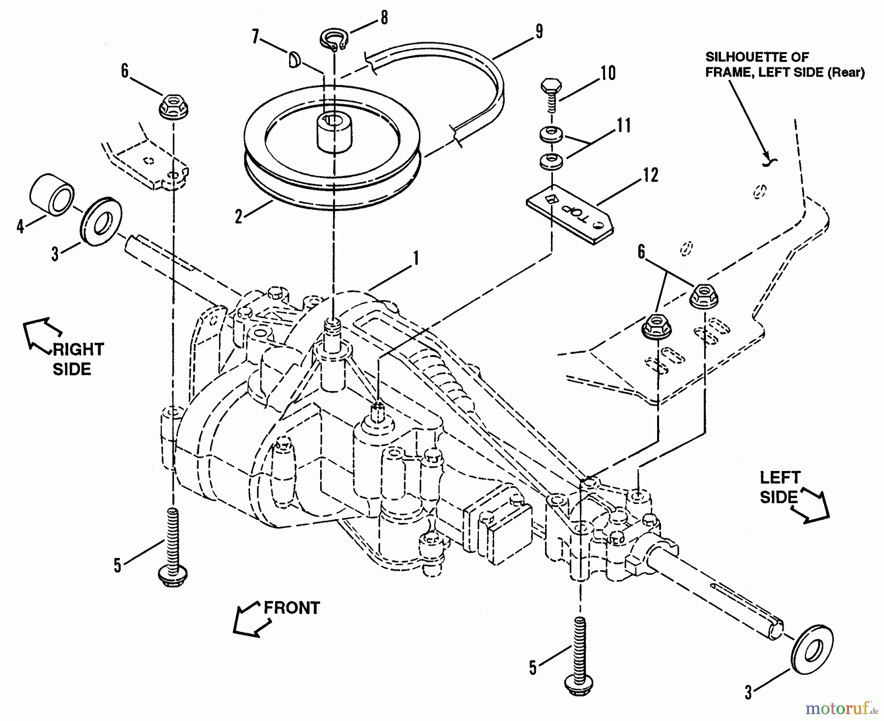
Posizione
Articolo numero
Descrizione
1
BS7027783YP
TRANSAXLE, PEERLESS
2
BS7022760YP
PULLEY, 4LV-7.00
3
BS7031036YP
WASHER, THRUST
4
BS7022811YP
SPACER, 1.00 OD X .77
5
BS7090702YP
HFLB, 5/16C X2-1/4 BZ
6
BS703409
MUTTER, 5/16-18, GR5
7
BS7010211YP
FEDERKEIL, #9
8
BS7012763SM
RETAINING RING, EXT,
9
BS7029584YP
BELT,TRACTION DRIVE
10
BS7091165YP
HHCS, NYLOC PATCH, 1/
11
BS7090746YP
BW, 1/4
12
BS7033552YP
ARM, SHIFT, INPUT P91
Gestione della qualità
Aiutaci a migliorare il nostro sito. Informaci se trovi un errore.