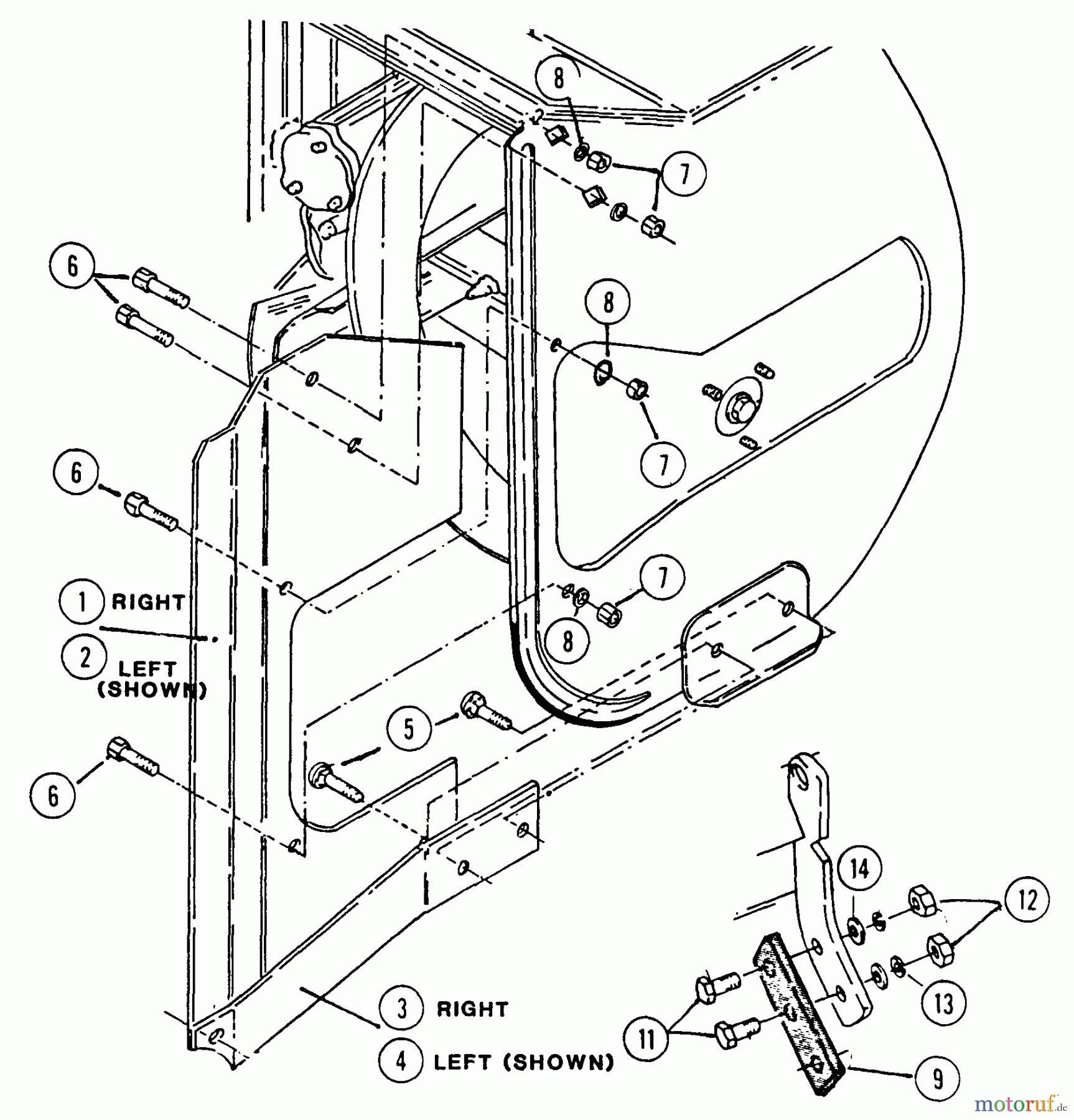
Snapper 7082099 - 30" RER Snowthrower Attachment Extender Kit #60514 - Required for 33" & 42" Riders Ricambi
Extender Kit #60514 - Required for 33" & 42" Riders 7082099 - Snapper 30" RER Snowthrower Attachment



Gestione della qualità
Aiutaci a migliorare il nostro sito. Informaci se trovi un errore.

