Snapper 7061207 - Backside Dual Idler Kit (Pistol Grip), 12.5 HP & 14 HP Backside Idler (Part 2) Ricambi
Backside Idler (Part 2) 7061207 - Snapper Backside Dual Idler Kit (Pistol Grip), 12.5 HP & 14 HP

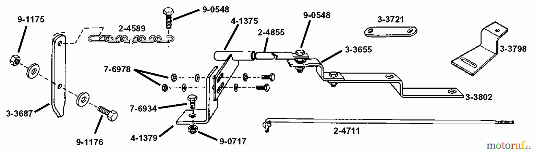
| Posizione | Articolo numero | Descrizione | |
| BS7061208 | |||
| 41375 | BS7041375YP | (C) WELD, GUIDE, CLEA | |
| 41379 | BS7041379YP | (C) WELD, SUPPORT, CL | |
| 24855 | BS7024855YP | (C) ROD, REVERSE | |
| 33655 | BS7033655YP | (C) STRAP, REVERSE | |
| 33802 | BS7033802YP | (C) LEVER, REVERSE | |
| 76934 | BS7076934YP | (C) HHCS, 5/16C X3/4 | |
| 90717 | ![]() | BS703902 | MUTTER, 5/16-18 |
| 76978 | BS7076978SM | HLN, 1/4C BZ | |
| BS7061209 | |||
| 24711 | BS7024711YP | (C) ROD, TRACTION, LO | |
| 33687 | BS7033687YP | (C) LEVER, REVERSE, P | |
| 33721 | BS7033721 | ||
| 24589 | BS7024589YP | (C) CHAIN, REVERSE | |
| 33798 | BS7033798YP | (C) ARM, REVERSE | |
| 91175 | BS7091175 | ||
| 91176 | BS7091176 | ||
| BS7061210 | |||
| 90548 | BS7027230SM | (C) HHCS, 1/4C X1 GR5 | |




