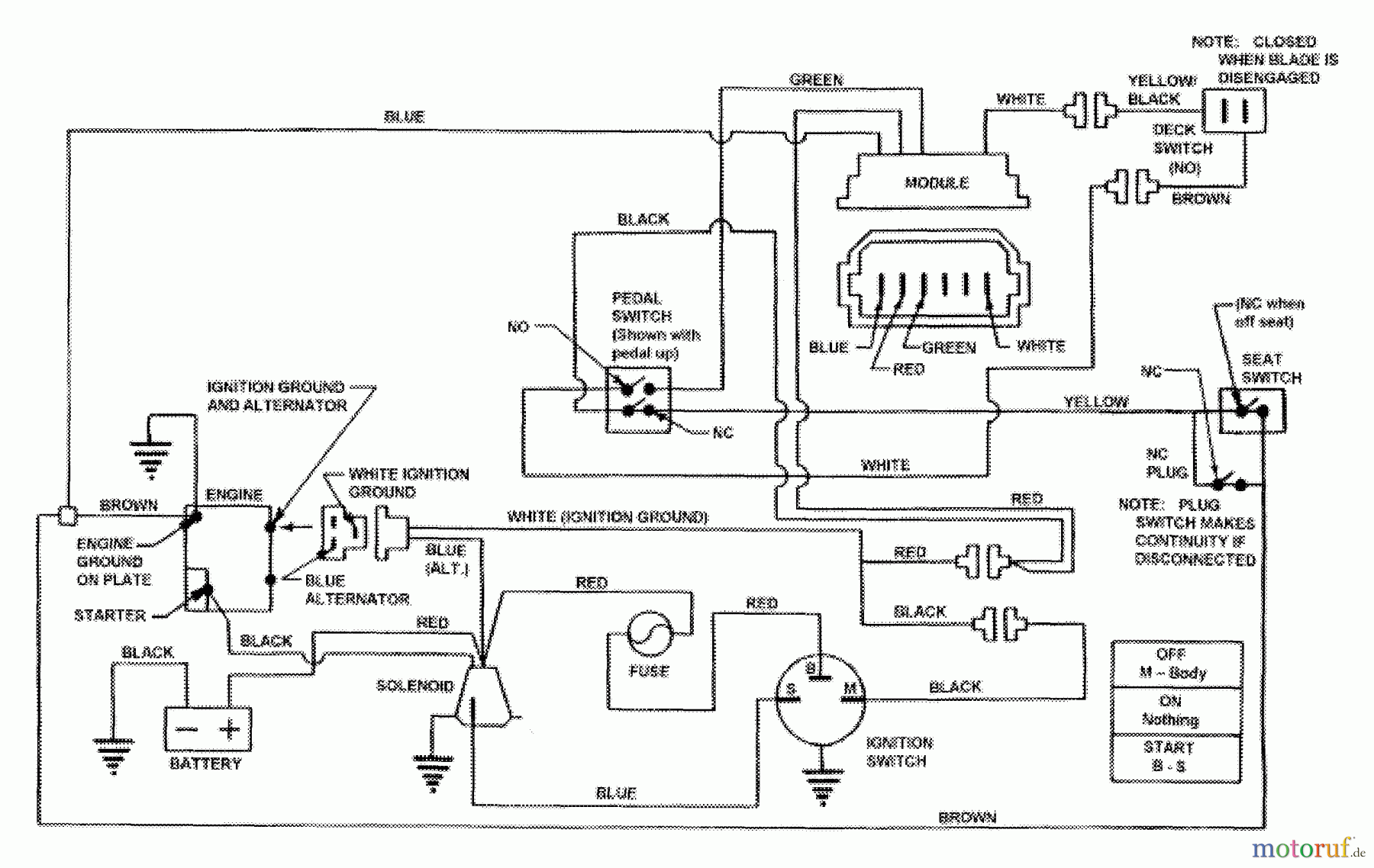
Snapper 7060947 - Bag N-Wagon, 30 Bushel E331522KVE (84711) 33" 15 HP Rear Engine Rider Euro Series 22 Wiring Schematic (For 14 & 15 HP Kohler) Ricambi
Wiring Schematic (For 14 & 15 HP Kohler) E331522KVE (84711) 33" 15 HP Rear Engine Rider Euro Series 22




