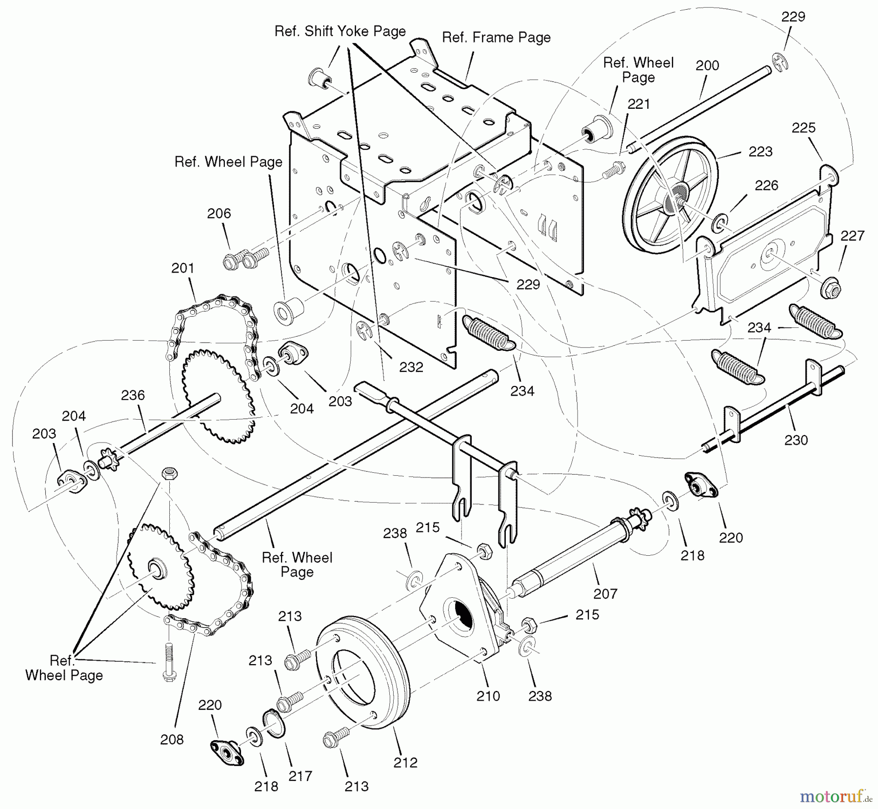
Murray ST1028 (628104x16B) - Frontier 28" Dual Stage Snow Thrower (2004) Drive Ricambi
Drive ST1028 (628104x16B) - Frontier 28" Dual Stage Snow Thrower (2004)

| Posizione | Articolo numero | Descrizione | |
| 200 | BS1501092YZMA | AXLE,SWING PLATE | |
| 201 | BSMT579851 | ||
| 203 | BSMT334163 | ||
| 204 | BSMT579858 | ||
| 206 | BS25X020MA | SCREW.31-18X0.50 WAHH | |
| 207 | BSMT1501100 | ||
| 208 | BSMT579868 | ||
| 210 | BSMT337029 | ||
| 212 | BSMT1501435 | ||
| 213 | BS001X38MA | SECHSKANTBOLZEN .25 20X0.62 | |
| 215 | BS303008MA | NUT, 1/4-20 HEXKEPS Y | |
| 217 | BS579859MA | RING,RETEXT .54X.03TR | |
| 218 | BSMT579858 | ||
| 220 | BSMT334163 | ||
| 221 | BSMT25X020 | ||
| 223 | BSMT1501115 | ||
| 225 | BS1501057YZMA | SCHWINGBLECH | |
| 226 | BSMT1501158 | ||
| 227 | BSMT15X114 | ||
| 229 | BS11X30MA | RETAINER, RING 7/16 Y | |
| 230 | BS1501107YZMA | FEDERSTANGE KOMPL. STD | |
| 232 | BSMT11X30 | ||
| 234 | BSMT165X112 | ||
| 236 | BSMT1501090 | ||
| 238 | BSMT71074 | ||


Gestione della qualità
Aiutaci a migliorare il nostro sito. Informaci se trovi un errore.

