.it
Carrello
vuoto
Il mio account
Registrati
Log in
Benvenuti
Contatti
Spedizione
L’azienda
Guest book
Condizioni e Privacy
Catalogare
Tagliare, profilare
Componenti per motore
Officine meccaniche
Parti e componentistica per macchine varie
Forestali
Articoli elettrici
Articoli invernali
Cinghie trapezoidali e relative pulegge
Filters
PEZZI DI RICAMBIO
Sprocket Rims
Guide Bars
Chainsaw Chains
Search by Part Number
Diagrammi ed elenchi
Servizio
Determine Chain
Ricerca
DE
EN
FR
ES
IT
Versione mobile
Murray C950-52771-0 (1695386) - Craftsman 31" Dual Stage Snow Thrower (2007) (Sears) Frame Ricambi
Start
Murray
Schneefräsen
C950-52771-0 (1695386) - Craftsman 31" Dual Stage Snow Thrower (2007)
Frame
Frame C950-52771-0 (1695386) - Craftsman 31" Dual Stage Snow Thrower (2007) (Sears)
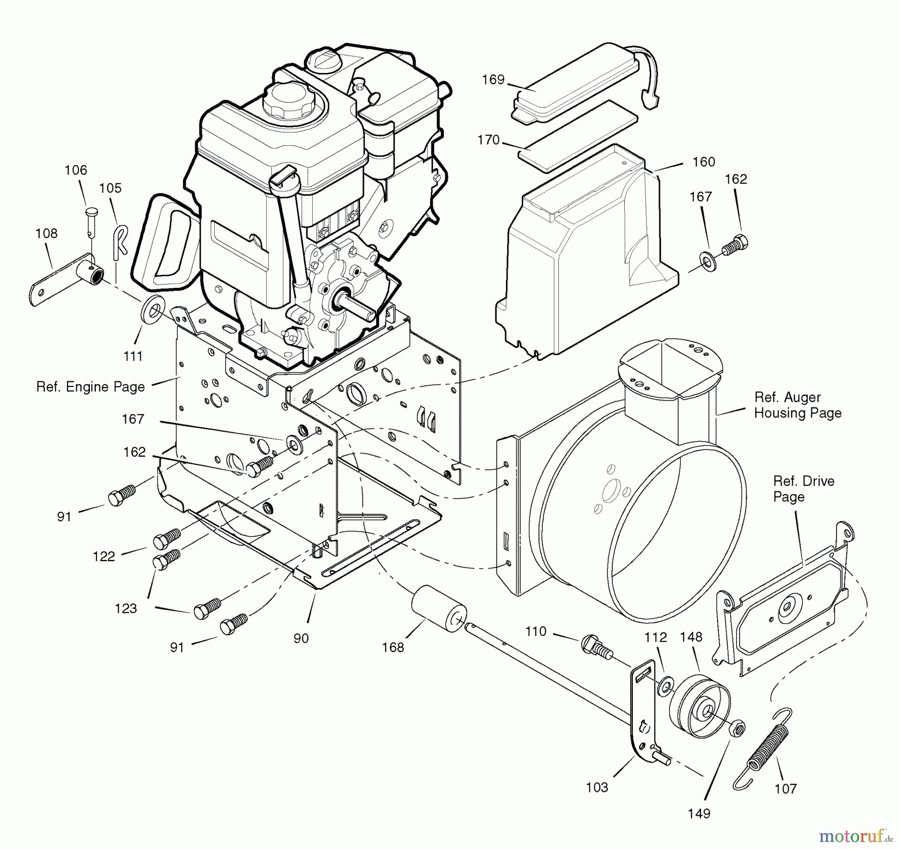
Posizione
Articolo numero
Descrizione
90
BS1740906HMA
BODENPLATTE
91
BS310169MA
SCREW, 1/4-20X .63 WA
103
BS1502051YZMA
SCHRAUBENROLLE ASY,ML STR
105
BS711682MA
STIFT HAAR; HAARNADEL
106
BS1735135SM
PIN, CLEVIS
107
BS165X159MA
ZUG-; SPANNFEDER
108
BS1733451SM
ARM - CONTROL
110
BS585781MA
BOLT-CRG.38-16X1.25
111
BS711617MA
SCHEIBE 5.40-0.81-.06F
112
BS017X48MA
WASHER.39.75 13G FLT
122
BS25X020MA
SCREW.31-18X0.50 WAHH
123
BS25X021MA
SCREW.31-18X0.75 WAHH
148
BS1502120MA
PULLEY, IDLER
149
BS590MA
MUTTER.38-16 HEX JAM CTR
160
BS1502167MA
RIEMENABDECKUNG
162
BS26X306MA
SCREW.25-ABX0.75 HEX
167
BS71067MA
WASHER, FLAT .281X.63
168
BS1502041MA
DISTANZSTUCK, SCHRAUBE HALTERU
169
BS760539MA
LID, BLT COV. TOOL BO
170
BS761187MA
FOAM,PAD.25X2X6 TBOX
Gestione della qualità
Aiutaci a migliorare il nostro sito. Informaci se trovi un errore.