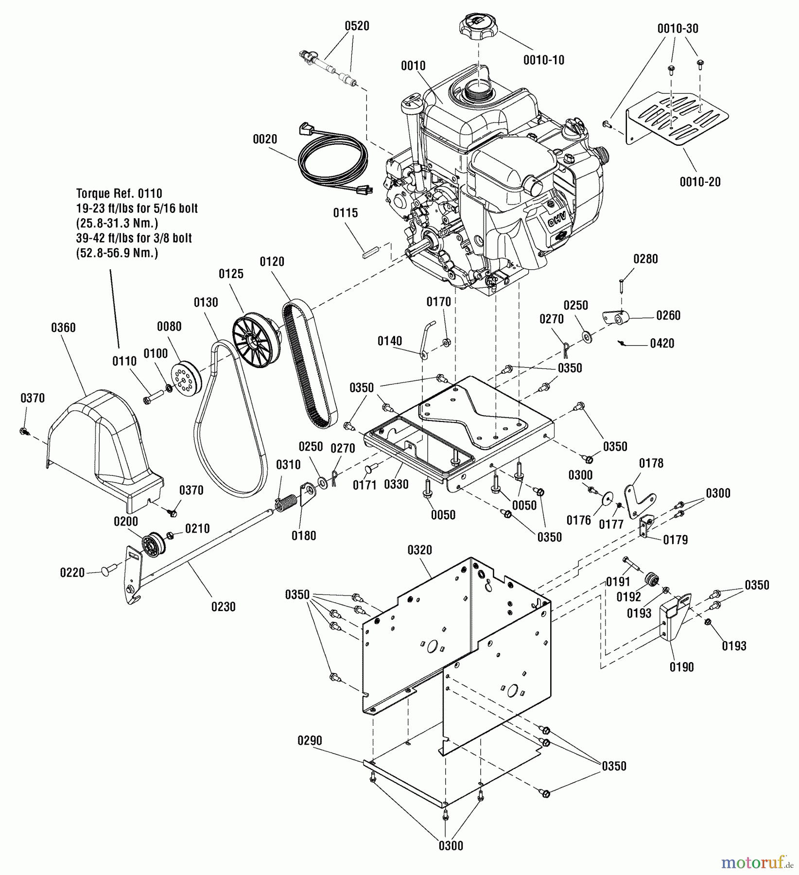
Murray C950-52132-0 (1696102) - Craftsman 27" Dual Stage Snow Thrower (2011) Engine & Frame Group (2990014) Ricambi
Engine & Frame Group (2990014) C950-52132-0 (1696102) - Craftsman 27" Dual Stage Snow Thrower (2011)



Gestione della qualità
Aiutaci a migliorare il nostro sito. Informaci se trovi un errore.




