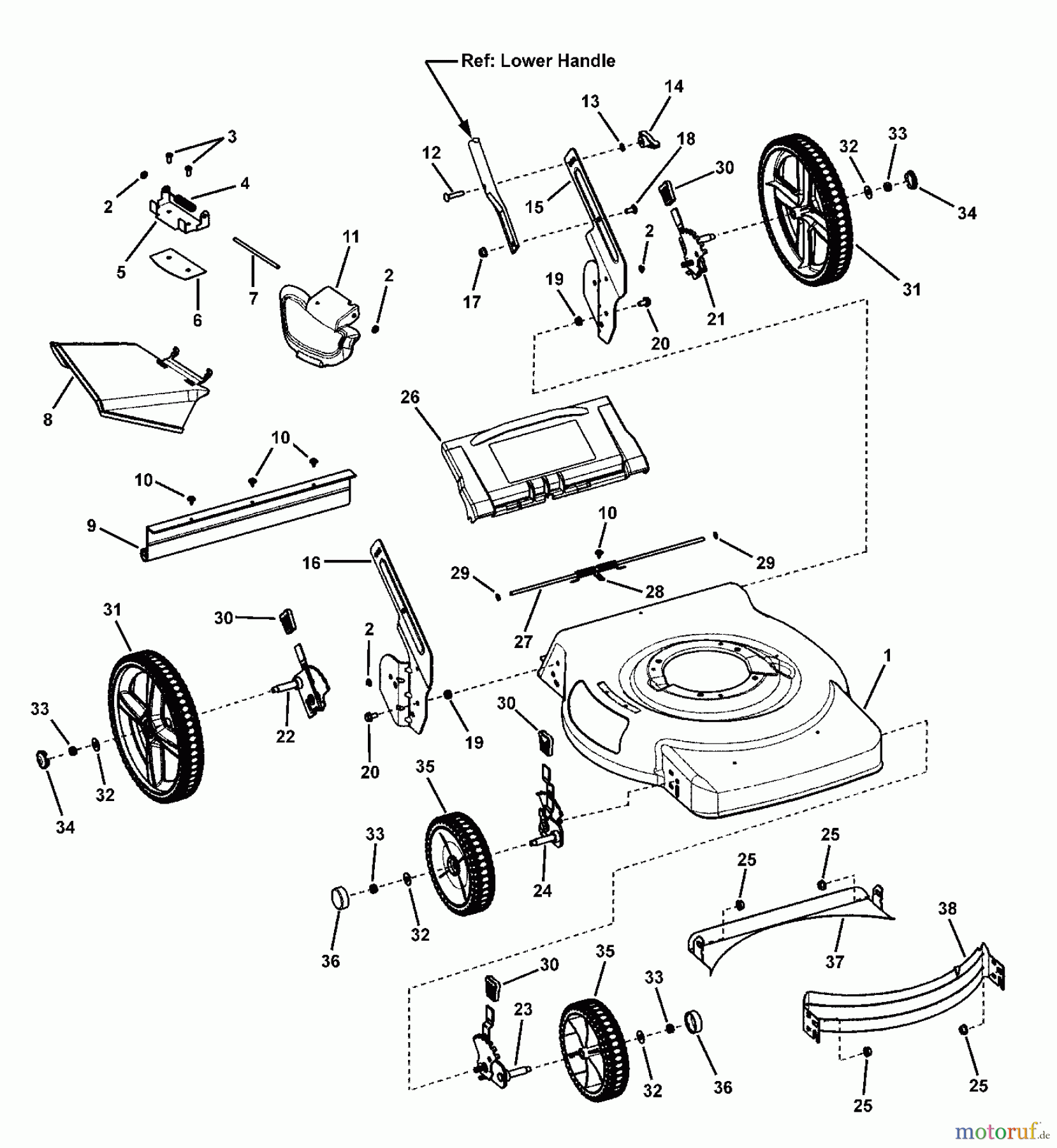
Murray BT22675HW (7800509) - Brute 22" Walk-Behind Mower (2009) Deck Assembly - Push, Hi-Wheel Ricambi
Deck Assembly - Push, Hi-Wheel BT22675HW (7800509) - Brute 22" Walk-Behind Mower (2009)



Gestione della qualità
Aiutaci a migliorare il nostro sito. Informaci se trovi un errore.

