.it
Benvenuti
Contatti
Spedizione
L’azienda
Guest book
Condizioni e Privacy
Catalogare
Tagliare, profilare
Componenti per motore
Officine meccaniche
Parti e componentistica per macchine varie
Forestali
Articoli elettrici
Articoli invernali
Cinghie trapezoidali e relative pulegge
Filters
PEZZI DI RICAMBIO
Sprocket Rims
Guide Bars
Chainsaw Chains
Search by Part Number
Diagrammi ed elenchi
Servizio
Determine Chain
Ricerca
Il mio account
Registrati
Log in
Settings
DE
EN
FR
ES
IT
Desktop
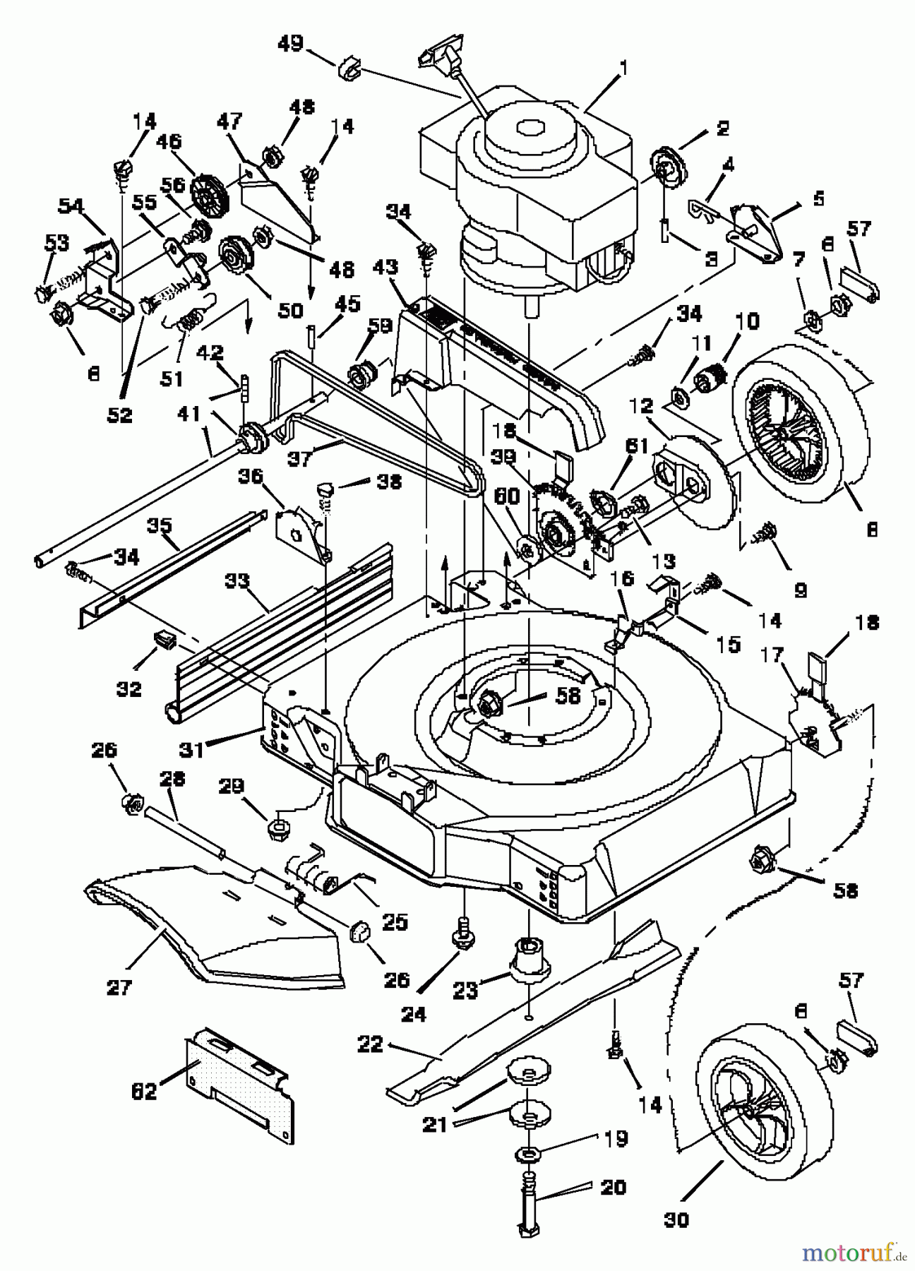
Murray 22765A - 22" Walk-Behind Mower (1997) Mower Housing Assembly Ricambi
Start
Murray
Rasenmäher
22765A - Murray 22" Walk-Behind Mower (1997)
Mower Housing Assembly
Mower Housing Assembly 22765A - Murray 22" Walk-Behind Mower (1997)
Posizione
Articolo numero
Descrizione
1
BS
Eingangswelle UE 600
2
BS071434MA
PULLEY-ENG PTO 22RD
3
BS032X64MA
PIN-SPRING.188D-1.0L
4
BS031X10MA
PIN-HAIR .38D-.062T
5
BS042713E700
6
BS015X84MA
MUTTER, CENTERLOCK .38-
7
BS17X168ZMA
UNTERLEGSCHEIBE.39-1.2-.11 FL
8
BS872089
9
BS26X221MA
SCREW-.25 X.50 SF TP
10
BS043630MA
PINION RH 43526 PA
--
BS043631MA
PINION LH 43526 PA
11
BS17X138
12
BS071032MA
DUSTCOVER 22SD RD 8X2
13
BS001X85MA
SECHSKANTBOLZEN.38-16X0.75 Z
14
BS26X214MA
SCREW HEXHEAD TAP.
15
BS071051 Z
16
BS071049 Z
--
BS071050 Z
17
BS401025MA
HGT ADJ 20/21/22 STD
18
BS043904
19
BS17X124MA
WASHER.40.81 16G FLT
20
BS01X143MA
BOLT,HEX.37-24X2.37PH
21
BS17X137MA
WASHER.39-2.2 11G FL
22
BS1101120E701MA
EINZELMESSER; EINZELBLATT
23
BS071057MA
MESSER ADAPTER 22" SP
24
BS0025X8
25
BS0166X5MA
TORSIONSFEDER
26
BS028X42MA
DRUCKKAPPE.250 METALL
27
BS672421MA
SCHACHT DEFLEKTOR 22
28
BS215X11ZMA
STANGE .250 DIA X 4.00
29
BS015X32MA
MUTTER .31-24 LEICHT SF
30
BS672082
31
BS070133
32
BS042743MA
GUARD, RETAINER REAR
33
BS401022MA
HGT ADJ ASSY RR
34
BS26X245MA
SCHRAUBE-#10X.5 B W/WAS
35
BS71034MA
SECHSKANTMUTTER 25 - 20
36
BS42712E700
37
BS037X72MA
BELT
--
BS037X79
38
BS001X38MA
SECHSKANTBOLZEN .25 20X0.62
39
BS401029MA
HOHENVERSTELLER ASY RR1/2AXL
--
BS401022MA
HGT ADJ ASSY RR
41
BS71468
42
BS023X50
43
BS071024
--
BS071025
45
BS043629MA
PIN, DRIVE .177X.750
46
BS71055MA
MUTTER,10-24 SECHSKANT NYLOCK
47
BS071046 Z
48
BS015X88MA
NUT,CENTERLOCK Z .3
49
BS042189MA
KLEMME-SEILSTOPP
50
BS071054MA
UMLENKARM-RUCKSEITE
51
BS165X94MA
ZUGFEDER
52
BS01X141MA
BOLT,HEX .31-18X1.12
53
BS01X102MA
SECHSKANTSCHRAUBE
54
BS071045 Z
55
BS071026 Z
56
BS710200MA
BOLT, SHOULDER
57
BS043615MA
HUBCAP 8X2 BAR GRAY
58
BS015X68MA
MUTTER.38-16 FLANSCHARRETIERUN
59
BS070250MA
AXLE BEARING ASSY
60
BS17X178MA
UNTERLEGSCHEIBE BELLEVILLE
61
BS011X24MA
RING-SNAP.984D-.078T
62
BS672044ZMA
MULCHPLATTE; BLECH 22SD FLACH
--
BSF-97497
Gestione della qualità
Aiutaci a migliorare il nostro sito. Informaci se trovi un errore.