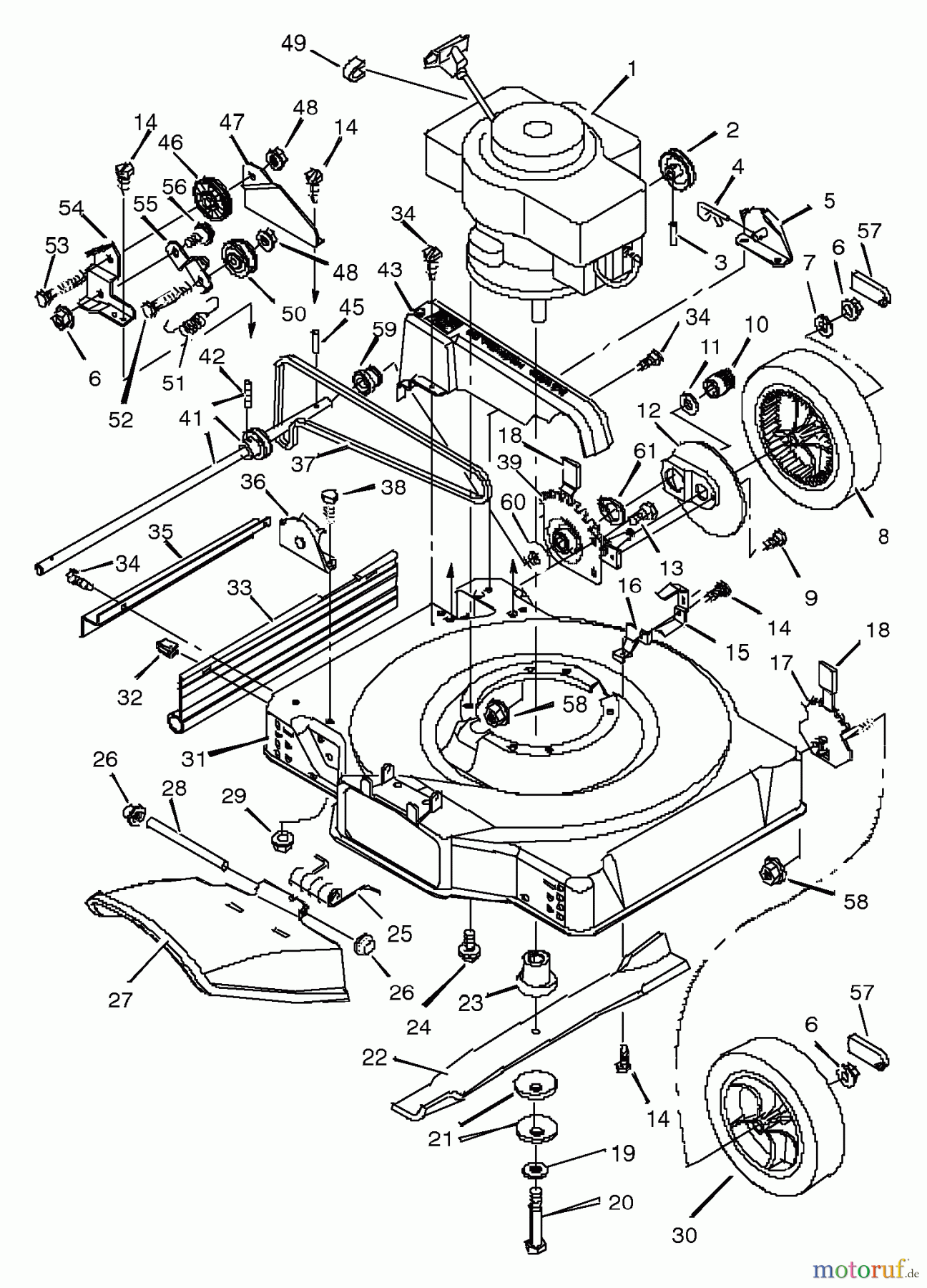
Murray 22756x92B - B&S/ 22" Walk-Behind Mower (1997) (Walmart) Mower Housing Assembly Ricambi
Mower Housing Assembly 22756x92B - B&S/Murray 22" Walk-Behind Mower (1997) (Walmart)



Gestione della qualità
Aiutaci a migliorare il nostro sito. Informaci se trovi un errore.


