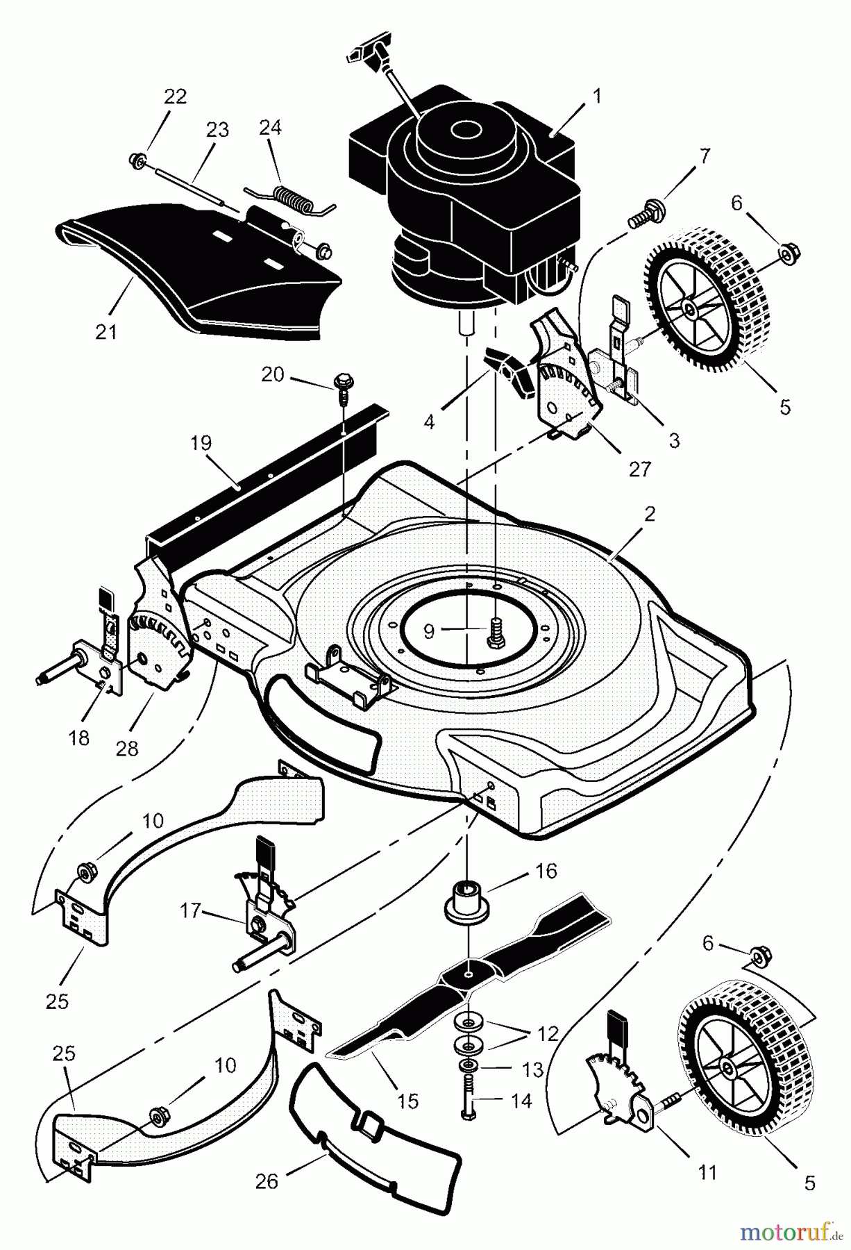
Murray 22405x99B - B&S/ 22" Walk-Behind Mower (2000) (AAFES) Mower Housing Assembly Ricambi
Mower Housing Assembly 22405x99B - B&S/Murray 22" Walk-Behind Mower (2000) (AAFES)



Gestione della qualità
Aiutaci a migliorare il nostro sito. Informaci se trovi un errore.

