.it
Benvenuti
Contatti
Spedizione
L’azienda
Guest book
Condizioni e Privacy
Catalogare
Tagliare, profilare
Componenti per motore
Officine meccaniche
Parti e componentistica per macchine varie
Forestali
Articoli elettrici
Articoli invernali
Cinghie trapezoidali e relative pulegge
Filters
PEZZI DI RICAMBIO
Sprocket Rims
Guide Bars
Chainsaw Chains
Search by Part Number
Diagrammi ed elenchi
Servizio
Determine Chain
Ricerca
Il mio account
Registrati
Log in
Settings
DE
EN
FR
ES
IT
Desktop
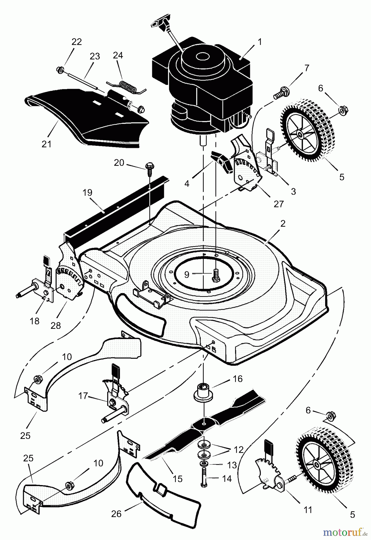
Murray 22405x30D - 22" Walk-Behind Mower (2002) Mower Housing Assembly Ricambi
Start
Murray
Rasenmäher
22405x30D - Murray 22" Walk-Behind Mower (2002)
Mower Housing Assembly
Mower Housing Assembly 22405x30D - Murray 22" Walk-Behind Mower (2002)
Posizione
Articolo numero
Descrizione
1
BS
Eingangswelle UE 600
2
BS776022MA
HSG ASY 22SD PUSH
3
BS672641MA
ROLLENEINSTELLUNG-7 22SD- 8" B
4
BS071495MA
WING NUT.31-18 NY-LOC
5
BS672060MA
8X1.75 WHL DIAMOND D-
6
BS015X84MA
MUTTER, CENTERLOCK .38-
7
BS002X81MA
BOLT-CRG.31-18X1.50
9
BS0025X6MA
SCREW, TRI .38-16 X
10
BS015X68MA
MUTTER.38-16 FLANSCHARRETIERUN
11
BS672601MA
HGT ADJ-7 2022- 8'' FL
12
BS17X137MA
WASHER.39-2.2 11G FL
13
BS17X124MA
WASHER.40.81 16G FLT
14
BS01X142MA
BOLT-HEX.37-24X1.50 P
15
BS1101120E701MA
EINZELMESSER; EINZELBLATT
16
BS071056MA
ADAPTER-BLADE 7/8X1.0
17
BS672600MA
HGT ADJ-7 2022- 8'' FR
18
BS672640MA
ROLLENEINSTELLUNG-7 22SD- 8" B
19
BS672738MA
GUARD REAR 22SD 98
20
BS26X245MA
SCHRAUBE-#10X.5 B W/WAS
21
BS672421MA
SCHACHT DEFLEKTOR 22
22
BS028X42MA
DRUCKKAPPE.250 METALL
23
BS215X11ZMA
STANGE .250 DIA X 4.00
24
BS0166X5MA
TORSIONSFEDER
25
BS672744E701MA
BAFFLE-22SD FRNT/REAR
26
BS672422ZMA
MULCH PLATE 22SD 98-
27
BS1101303E701MA
HALTERUNG,GRIFF STUTZE 22SD B
28
BS1101302E701MA
HALTERUNG,GRIFF STUTZE 22SD B
--
BSF-020447L
Gestione della qualità
Aiutaci a migliorare il nostro sito. Informaci se trovi un errore.