.it
Carrello
vuoto
Il mio account
Registrati
Log in
Benvenuti
Contatti
Spedizione
L’azienda
Guest book
Condizioni e Privacy
Catalogare
Tagliare, profilare
Componenti per motore
Officine meccaniche
Parti e componentistica per macchine varie
Forestali
Articoli elettrici
Articoli invernali
Cinghie trapezoidali e relative pulegge
Filters
PEZZI DI RICAMBIO
Sprocket Rims
Guide Bars
Chainsaw Chains
Search by Part Number
Diagrammi ed elenchi
Servizio
Determine Chain
Ricerca
DE
EN
FR
ES
IT
Versione mobile
Murray 218910x43F - Yard King 21" Walk-Behind Mower (2004) Engine Mount Ricambi
Start
Murray
Rasenmäher
218910x43F - Yard King 21" Walk-Behind Mower (2004)
Engine Mount
Engine Mount 218910x43F - Yard King 21" Walk-Behind Mower (2004)
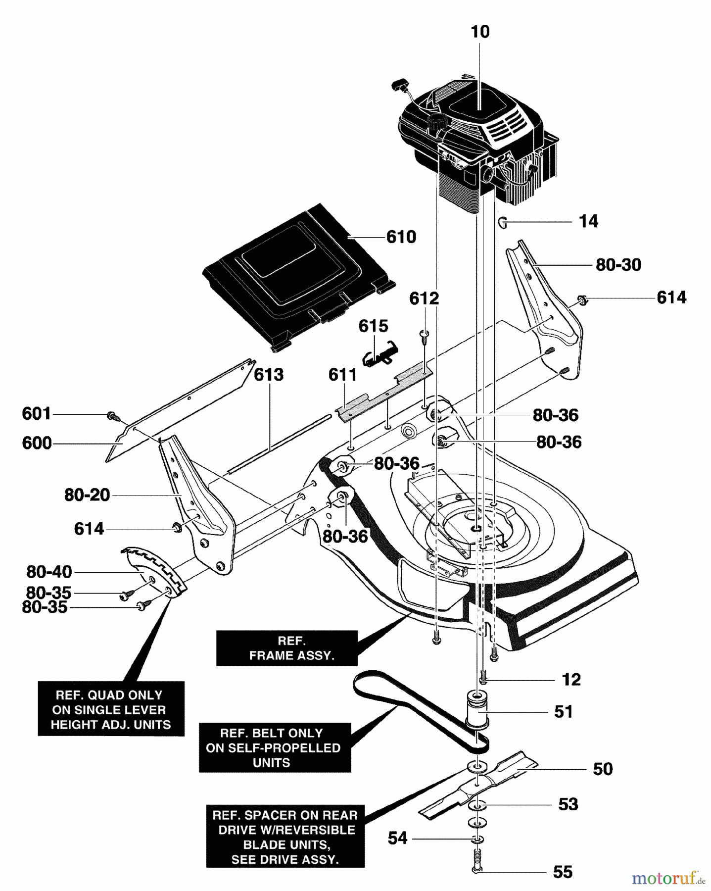
Posizione
Articolo numero
Descrizione
10
BS
Eingangswelle UE 600
12
BS0025X6MA
SCREW, TRI .38-16 X
14
BS020062MA
SCHEIBENFEDER #6
50
BS672089E701MA
EINZELMESSER
51
BS71058
53
BS17X137MA
WASHER.39-2.2 11G FL
54
BS17X124MA
WASHER.40.81 16G FLT
55
BS01X148MA
BOLT,HEX.37-24X2.00PH
80-20
BS627845
80-30
BS672844
80-35
BS26X275MA
SCHRAUBE HD 5/16-18
80-36
BS015X79MA
NUT.31-18 FLANGELOCK
80-40
BS71569
600
BS43640MA
DEFLECTOR,REAR 21 3N1
601
BS26X245MA
SCHRAUBE-#10X.5 B W/WAS
610
BS071409MA
DOOR-REAR-SMALL DEC B
611
BS71410
612
BS26X259MA
SCHRAUBE-#10X.5 AB W/WAS
613
BS672282ZMA
STANGE.25X18.50-TUR PIV
614
BS028X42MA
DRUCKKAPPE.250 METALL
615
BS166X38MA
TORSIONSFEDER
--
BSF-040442L
Gestione della qualità
Aiutaci a migliorare il nostro sito. Informaci se trovi un errore.