Murray C950-60405-1 - Craftsman 30" Mid-Engine Rider (2005) (Sears) Electrical System Ricambi
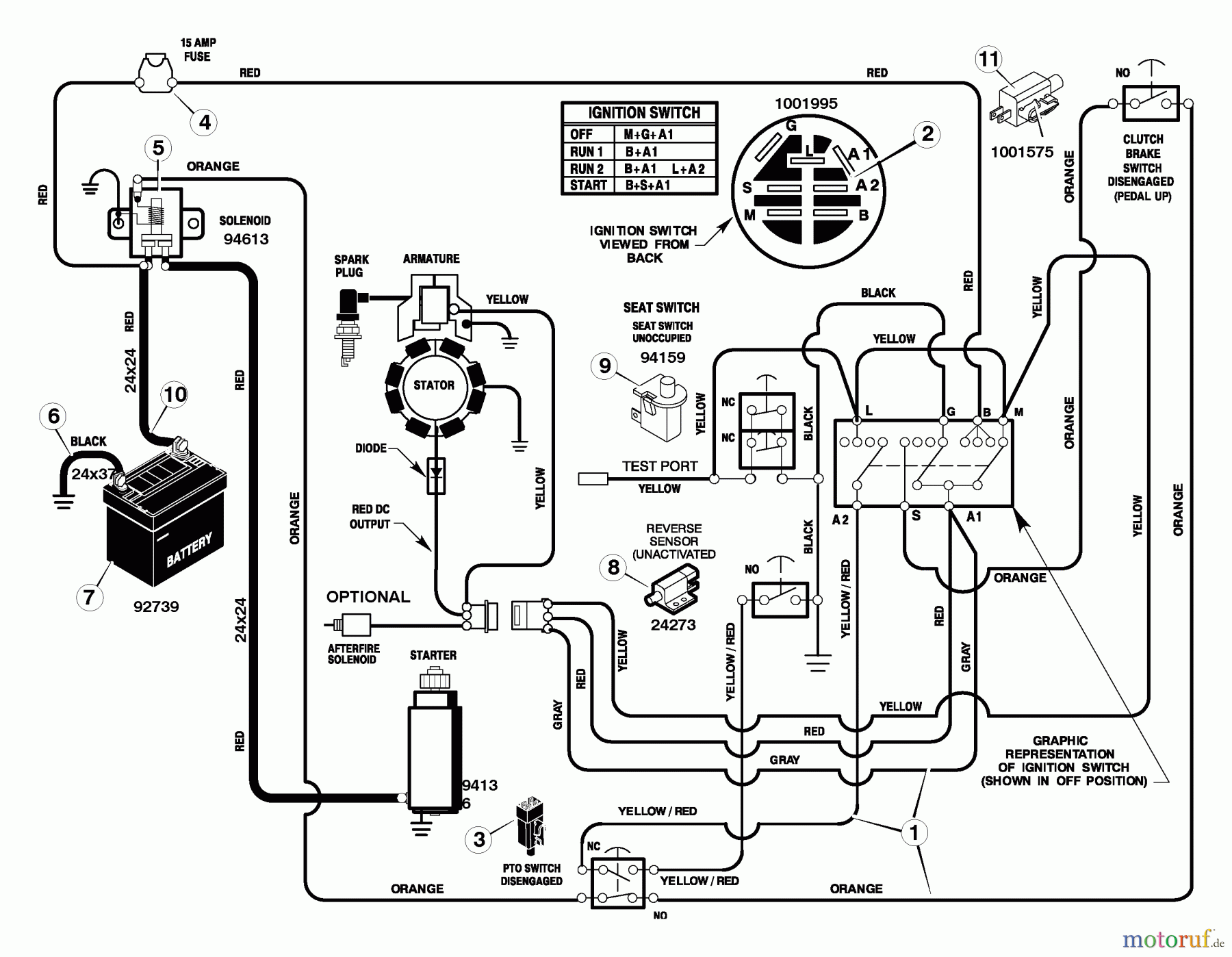
Electrical System C950-60405-1 - Craftsman 30" Mid-Engine Rider (2005) (Sears)



Gestione della qualità
Aiutaci a migliorare il nostro sito. Informaci se trovi un errore.

