.it
Benvenuti
Contatti
Spedizione
L’azienda
Guest book
Condizioni e Privacy
Catalogare
Tagliare, profilare
Componenti per motore
Officine meccaniche
Parti e componentistica per macchine varie
Forestali
Articoli elettrici
Articoli invernali
Cinghie trapezoidali e relative pulegge
Filters
PEZZI DI RICAMBIO
Sprocket Rims
Guide Bars
Chainsaw Chains
Search by Part Number
Diagrammi ed elenchi
Servizio
Determine Chain
Ricerca
Il mio account
Registrati
Log in
Settings
DE
EN
FR
ES
IT
Desktop
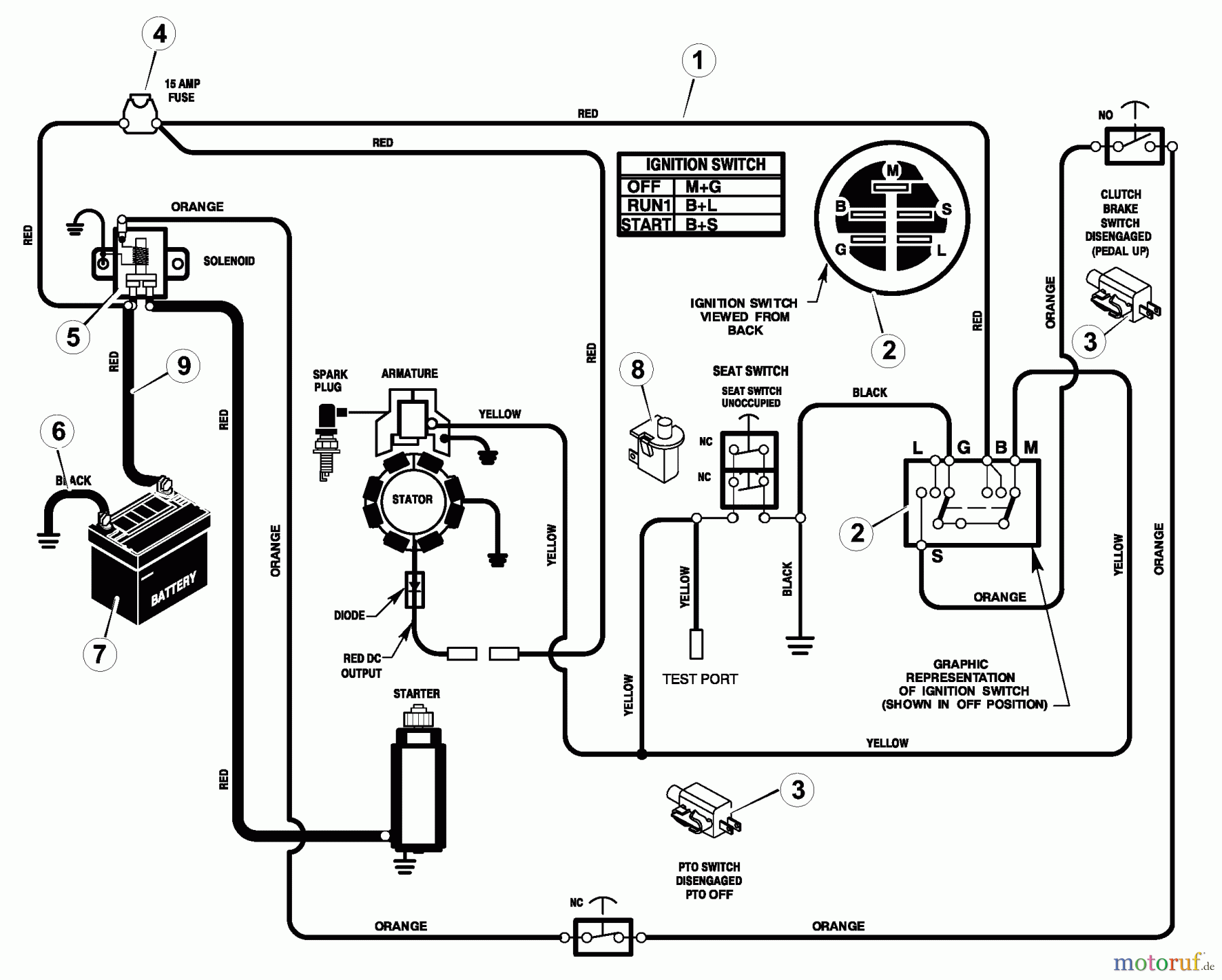
Murray 309300x30A - 30" Rear Engine Rider (2003) Electrical System Ricambi
Start
Murray
Reitermäher
309300x30A - Murray 30" Rear Engine Rider (2003)
Electrical System
Electrical System 309300x30A - Murray 30" Rear Engine Rider (2003)
Posizione
Articolo numero
Descrizione
1
BS250X115MA
HARNESS, MAIN MID-ENG
2
BS1401149MA
SCHALTER, SCHLUSSEL 6900-31P
--
BS327349MA
KEY - DELTA
--
BSNut, Hex
--
BS
Eingangswelle UE 600
3
BS1001575MA
GRENZSCHALTER; ENDABSCHALER
4
BS054212MA
SICHERUNG, AUTO-BLADE SE
--
BS407078MA
FUSE HOLDER,AUTO SE
5
BS7701100MA
MAGNETSCHALTER
--
BS26X229MA
SCREW 1/4 14X.38 STHX
--
BS15X116MA
MUTTER.25-20 HEX NYLOCK
6
BS24X37MA
CABLE, GROUND SM RID
--
BSScrew, Ground Cable
7
BS092739
--
BS002X82MA
SCHLOSSSCHRAUBE .25-20X
--
BS014X79MA
NUT.25-20 WINGNUT
--
BS690604MA
BOOT, POSITIVE TERMIN
8
BS094159MA
SITZSCHALTER
9
BS024X24MA
BATTERIEKABEL 10G 12.00L
Gestione della qualità
Aiutaci a migliorare il nostro sito. Informaci se trovi un errore.