.it
Benvenuti
Contatti
Spedizione
L’azienda
Guest book
Condizioni e Privacy
Catalogare
Tagliare, profilare
Componenti per motore
Officine meccaniche
Parti e componentistica per macchine varie
Forestali
Articoli elettrici
Articoli invernali
Cinghie trapezoidali e relative pulegge
Filters
PEZZI DI RICAMBIO
Sprocket Rims
Guide Bars
Chainsaw Chains
Search by Part Number
Diagrammi ed elenchi
Servizio
Determine Chain
Ricerca
Il mio account
Registrati
Log in
Settings
DE
EN
FR
ES
IT
Desktop
Murray 309002x24B - B&S/ 30" Mid-Engine Rider (2005) (Meijer) Motion Drive Ricambi
Start
Murray
Reitermäher
309002x24B - B&S/Murray 30" Mid-Engine Rider (2005) (Meijer)
Motion Drive
Motion Drive 309002x24B - B&S/Murray 30" Mid-Engine Rider (2005) (Meijer)
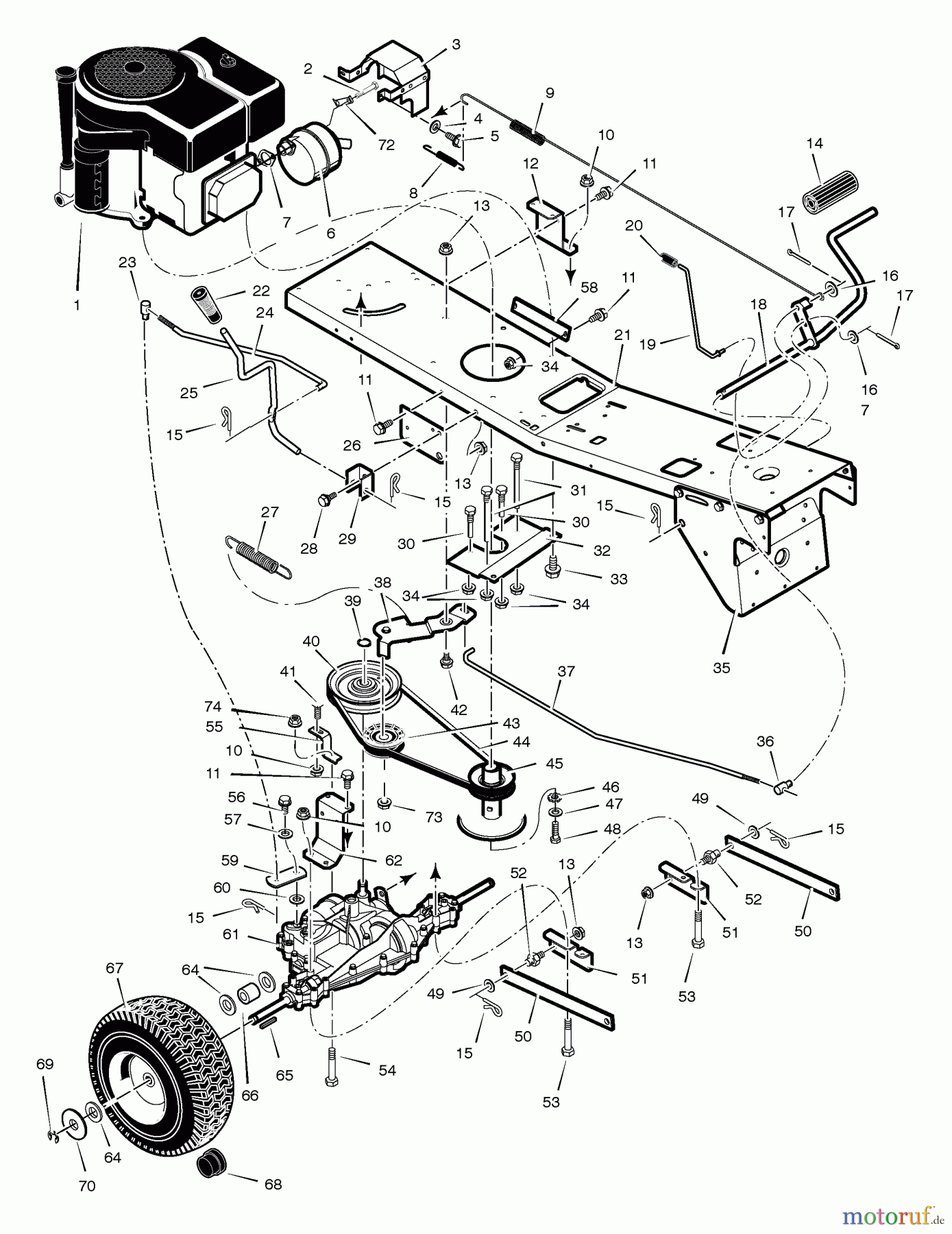
Posizione
Articolo numero
Descrizione
1
BS
Eingangswelle UE 600
2
BS01X134MA
BOLT-HEX.31-18X4.12 O
3
BS1401207
4
BS018X32MA
WASHER.25.48X.07 SPLI
5
BS0025X2MA
SCREW-TRI.25-20X .50
6
BS1401251MA
SCHALLDAEMPFER & ABGASROHR
7
BS692236
AUSPUFFDICHTUNG
8
BS165X75MA
SPRING,EXTENSION
9
BS165X148MA
FEDERHEBEL
10
BS015X88MA
NUT,CENTERLOCK Z .3
11
BS26X249MA
SCREW-.312-18X.75
12
BS1401068E701
13
BS015X84MA
MUTTER, CENTERLOCK .38-
14
BS021544MA
CLUTCH & BRAKE PEDAL
15
BS0031X4MA
PIN, HAIR .56D - .09
16
BS017X53MA
WASHER.41.82 16G FLT
17
BS030X20MA
PIN-COTTER.09D-.750L
18
BS1401127E701MA
WS ASM. PEDAL C/B
19
BS1401112MA
GRIFF, FESTSTELLBREMSE
20
BS091079MA
GRIP-BLACK .207 ID X
21
BS1401298E701
22
BS094198MA
GRIP-SHIFT LEVER-.437
23
BS1401148ZMA
EINSTELLMUTTER
24
BS1401122MA
LINK, DRIVE
25
BS1401355MA
UMSCHALTGESTAENGE
26
BS1401032E701MA
BRACKET, LIFT PIVOT
27
BS165X147MA
SPRING, EXT
28
BS009X39MA
ANSATZBOLZEN .38-16 X .
29
BS1401043E701MA
HALTER ABDECKUNG
30
BS1401104MA
FUHRUNG ANTRIEBSRIEMEN KURZ
31
BS1401105MA
GUIDE, BELT LONG
32
BS1401057E701MA
BLECH, RIEMENFUHRUNG
33
BS0025X7MA
MOTORBOLZEN 3/8 X 1.25
34
BS015X79MA
NUT.31-18 FLANGELOCK
35
BS1401059E701MA
HALTEWINKELAUFLAGE
36
BS094815ZMA
NUT-ADJUSTING
37
BS1401078MA
KUPPLUNGSSTANGE
38
BS1401128E701MA
KUPPLUNG,ARM,ASSY
39
BS0011X7MA
SPRENGRING/SEEGERRING.625D.035
40
BS1401077MA
RIEMENSCHEIBE, 5.44 DIA. FLA
41
BS002X53MA
BOLT,CRG .31-18 X 0.
42
BS009X39MA
ANSATZBOLZEN .38-16 X .
43
BS1401252MA
UMLENKROLLE - B/D
44
BS37X110MA
BELT, 4L MOTION DRIVE
45
BS1401066MA
PULLEY,STACK SPLIT ST
46
BS019X35MA
WASHER.43-0.74 X.04 S
47
BS17X170MA
WASHER.46.97.25 FLAT
48
BS01X140MA
SECHSKANTBOLZEN.43-20X1.50 Z
49
BS17X102MA
UNTERLEGSCHEIBE-MAHER
50
BS1401031E701MA
ARM HINTEN; RUCKARM
51
BS1401039E701MA
HALTERUNG/KONSOLE, HINTEN HANG
52
BS094067MA
ANSATZGEWINDESTIFT
53
BS01X155MA
BOLT-HEX.31-18X2.50 P
54
BS01X120MA
BOLT-HEX.31-18X2.00 Z
55
BS1401051E701MA
KONSOLE,DREHMOMENT REACTO
56
BS06X105MA
CAP SCREW 1/4-28 (AR
57
BS017X38MA
UNTERLEGSCHEIBE.26.75 16G FLT
58
BS1401260E701MA
VERSTARKUNGSBLECH
59
BS1401351ZMA
GABELVERSTELLUNG
60
BS17X148MA
UNTERLEGSCHEIBE.38 SQ 1. 16G F
61
BS
Eingangswelle UE 600
62
BS1401042E701MA
HALTER, STUFENLOSES GETRIEBE,
64
BS17X160MA
WASHER.76-1.2 16G FL
65
BS056534MA
VIERKANTSCHLUSSEL
66
BS1401103MA
SPACER, TRANSAXLE
67
BS1401120MA
HINTERRAD 15"
68
BS094618MA
HUB CAP
69
BS0011X3MA
RING,E .750D .050T
70
BS17X195MA
UNTERLEGSCHEIBE
72
BS092378MA
SCHRAUBENVERSCHLUSS 223016
73
BS015X98MA
MUTTER.38-16 FLANSCHARRETIERUN
74
BS015X43MA
NUT .31-18 ST OVERLOC
Gestione della qualità
Aiutaci a migliorare il nostro sito. Informaci se trovi un errore.