.it
Carrello
vuoto
Il mio account
Registrati
Log in
Benvenuti
Contatti
Spedizione
L’azienda
Guest book
Condizioni e Privacy
Catalogare
Tagliare, profilare
Componenti per motore
Officine meccaniche
Parti e componentistica per macchine varie
Forestali
Articoli elettrici
Articoli invernali
Cinghie trapezoidali e relative pulegge
Filters
PEZZI DI RICAMBIO
Sprocket Rims
Guide Bars
Chainsaw Chains
Search by Part Number
Diagrammi ed elenchi
Servizio
Determine Chain
Ricerca
DE
EN
FR
ES
IT
Versione mobile
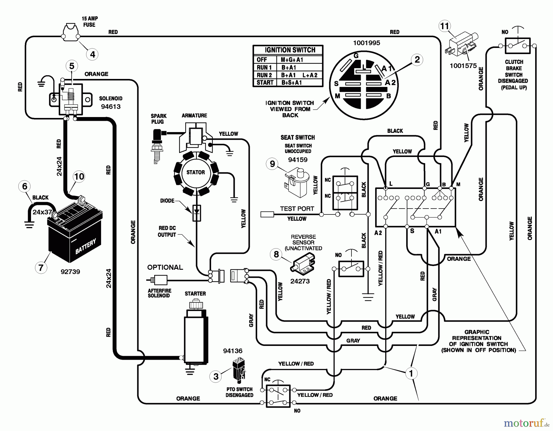
Murray 309002x24B - B&S/ 30" Mid-Engine Rider (2005) (Meijer) Electrical System Ricambi
Start
Murray
Reitermäher
309002x24B - B&S/Murray 30" Mid-Engine Rider (2005) (Meijer)
Electrical System
Electrical System 309002x24B - B&S/Murray 30" Mid-Engine Rider (2005) (Meijer)
Posizione
Articolo numero
Descrizione
2
BS250X145MA
HARNESS -MID ENG RIDE
2
BS1001995MA
ZUNDSCHALTER SEL
--
BS327349MA
KEY - DELTA
3
BS094136MA
GRENZSCHALTER
4
BS302031MA
FUSE SPADE TYPE 32V 1
--
BS407078MA
FUSE HOLDER,AUTO SE
5
BS1002004MA
MAGNETSCHALTER - 3 POLE
--
BS26X229MA
SCREW 1/4 14X.38 STHX
--
BS15X116MA
MUTTER.25-20 HEX NYLOCK
6
BS24X37MA
CABLE, GROUND SM RID
7
BS021075
--
BS690604MA
BOOT, POSITIVE TERMIN
--
BS002X82MA
SCHLOSSSCHRAUBE .25-20X
--
BS014X79MA
NUT.25-20 WINGNUT
8
BS024273MA
LIMIT SWITCH
--
BS26X250MA
SCREW-TAPPING 10-16
9
BS094159MA
SITZSCHALTER
10
BS024X24MA
BATTERIEKABEL 10G 12.00L
11
BS1001575MA
GRENZSCHALTER; ENDABSCHALER
Gestione della qualità
Aiutaci a migliorare il nostro sito. Informaci se trovi un errore.