.it
Benvenuti
Contatti
Spedizione
L’azienda
Guest book
Condizioni e Privacy
Catalogare
Tagliare, profilare
Componenti per motore
Officine meccaniche
Parti e componentistica per macchine varie
Forestali
Articoli elettrici
Articoli invernali
Cinghie trapezoidali e relative pulegge
Filters
PEZZI DI RICAMBIO
Sprocket Rims
Guide Bars
Chainsaw Chains
Search by Part Number
Diagrammi ed elenchi
Servizio
Determine Chain
Ricerca
Il mio account
Registrati
Log in
Settings
DE
EN
FR
ES
IT
Desktop
Murray 309000x8NA - Scotts 30" Mid-Engine Rider (2003) (Home Depot) Steering Ricambi
Start
Murray
Reitermäher
309000x8NA - Scotts 30" Mid-Engine Rider (2003) (Home Depot)
Steering
Steering 309000x8NA - Scotts 30" Mid-Engine Rider (2003) (Home Depot)
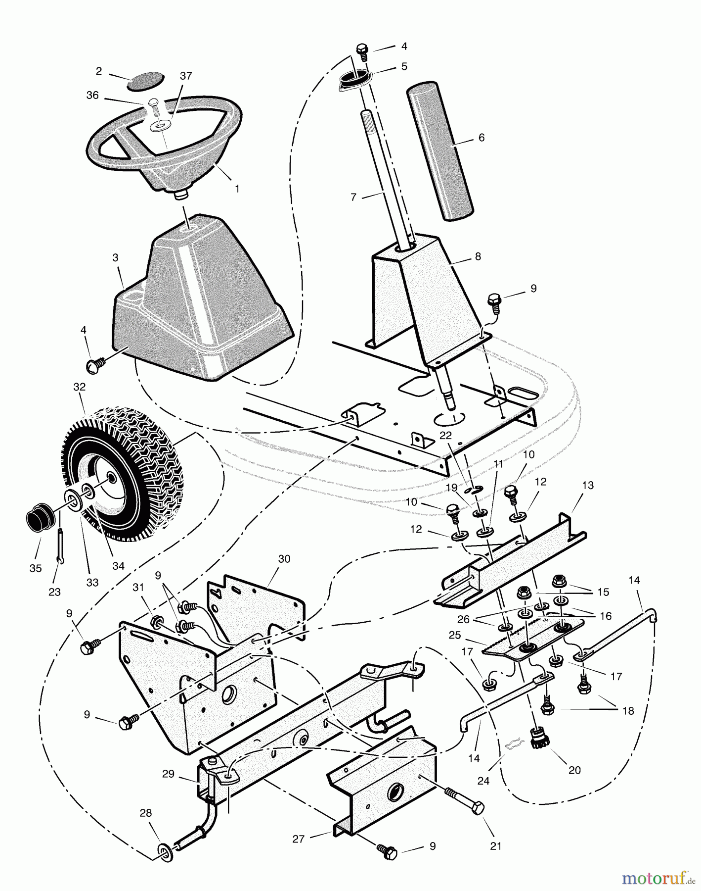
Posizione
Articolo numero
Descrizione
1
BS095185MA
ST RAD 4 SPK SCHWARZ-BO
2
BS711326MA
EINSATZ-LENKRAD - SCHWARZ
3
BS1401044MA
CONSOLE, LOW BLK
4
BS26X250MA
SCREW-TAPPING 10-16
5
BS1401090MA
BEARING, UPPER STEERI
6
BS1401226MA
TUBE, STG 4 SPK BLK
7
BS1401100MA
LENKWELLE
8
BS1401055E701MA
LENKSTUTZE
9
BS26X249MA
SCREW-.312-18X.75
10
BS009X67MA
ANSATZBOLZEN
11
BS1401098MA
STEUERLAGER, UNTEN
12
BS1401102MA
ROLLER
13
BS1401058E701MA
GETRIEBELAGERPLATTE MTG
14
BS1401123E701MA
LINK, DRAG
15
BS015X84MA
MUTTER, CENTERLOCK .38-
16
BS710083MA
UNTERLEGSCHEIBE FLACH
17
BS015X88MA
NUT,CENTERLOCK Z .3
18
BS01X111MA
BOLT-HEX.37-16X1.50 Z
19
BS17X118ZMA
WASHER 1-1.3 16G FLT
20
BS1401099MA
GEAR, PINION
21
BS01X146MA
BOLT-HEX.31-24X2.75 P
22
BS011X28MA
ANSCHLAGRING, E
23
BS030X35MA
SPLINT.13D-.880L
24
BS094131MA
FEDERARRETIERUNG
25
BS1401046E701MA
ZAHNSTANGE
26
BS17X201MA
UNTERLEGSCHEIBE, .328X1.062X.0
27
BS1401376E701MA
HALTER, FRONTACHSE
28
BS17X157MA
SCHEIBE 64-1.8 16GFL
29
BS1401250E701MA
ACHSE UND SPINDEL ASSY
30
BS1401059E701MA
HALTEWINKELAUFLAGE
31
BS15X118MA
MUTTER.31-24 FLANSCHVERSCHLUSS
32
BS1401289
33
BS17X197MA
WASHER - FLAT
34
BS17X157
35
BS094618MA
HUB CAP
36
BS0025X3MA
SCHRAUBE-THD.FORM.HEX.
37
BS17X146MA
UNTERLEGSCHEIBE.34-1.2 11G FL
Gestione della qualità
Aiutaci a migliorare il nostro sito. Informaci se trovi un errore.