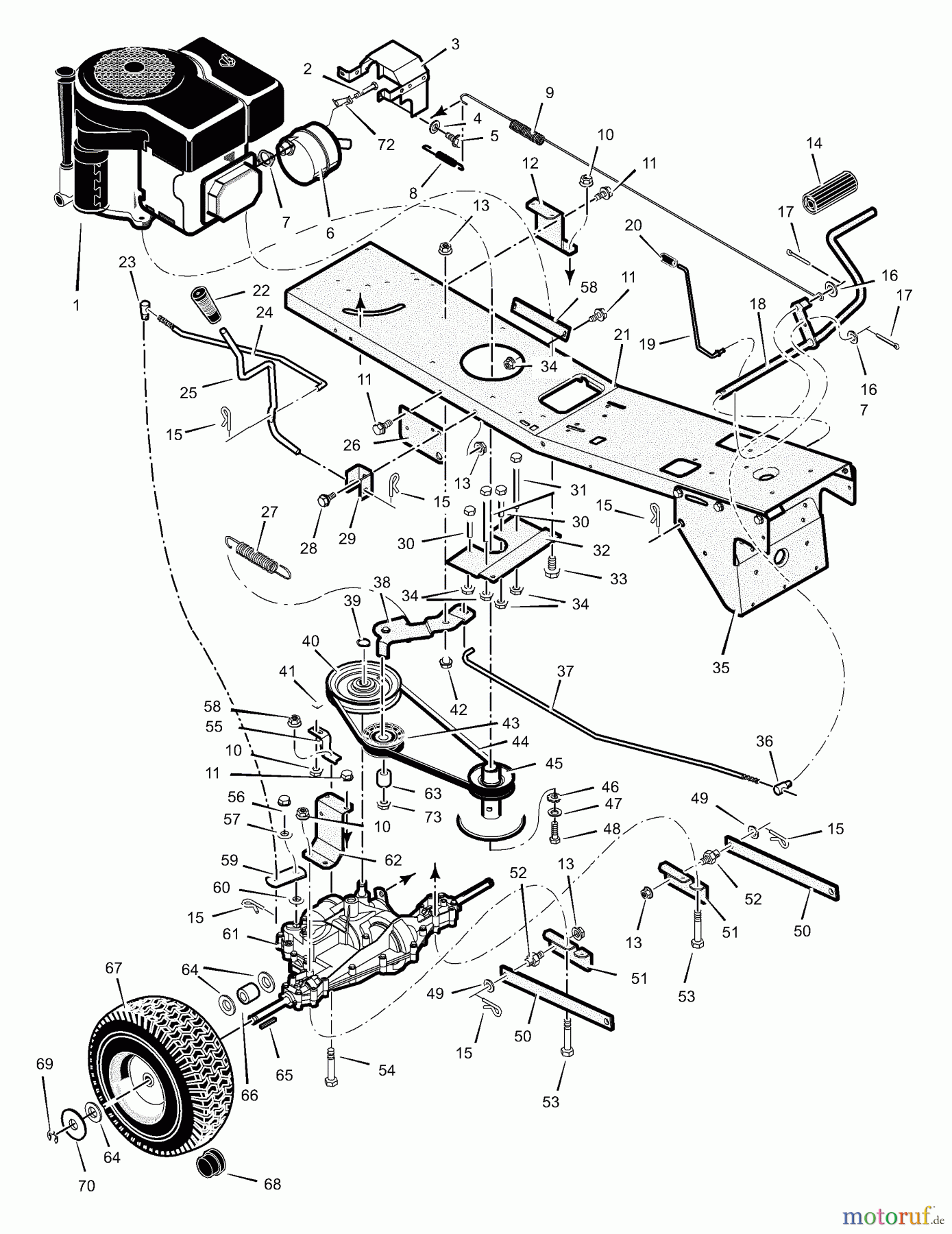
Murray 309000x8A - Scotts 30" Mid-Engine Rider (2003) (Home Depot) Motion Drive Ricambi
Motion Drive 309000x8A - Scotts 30" Mid-Engine Rider (2003) (Home Depot)



Gestione della qualità
Aiutaci a migliorare il nostro sito. Informaci se trovi un errore.



