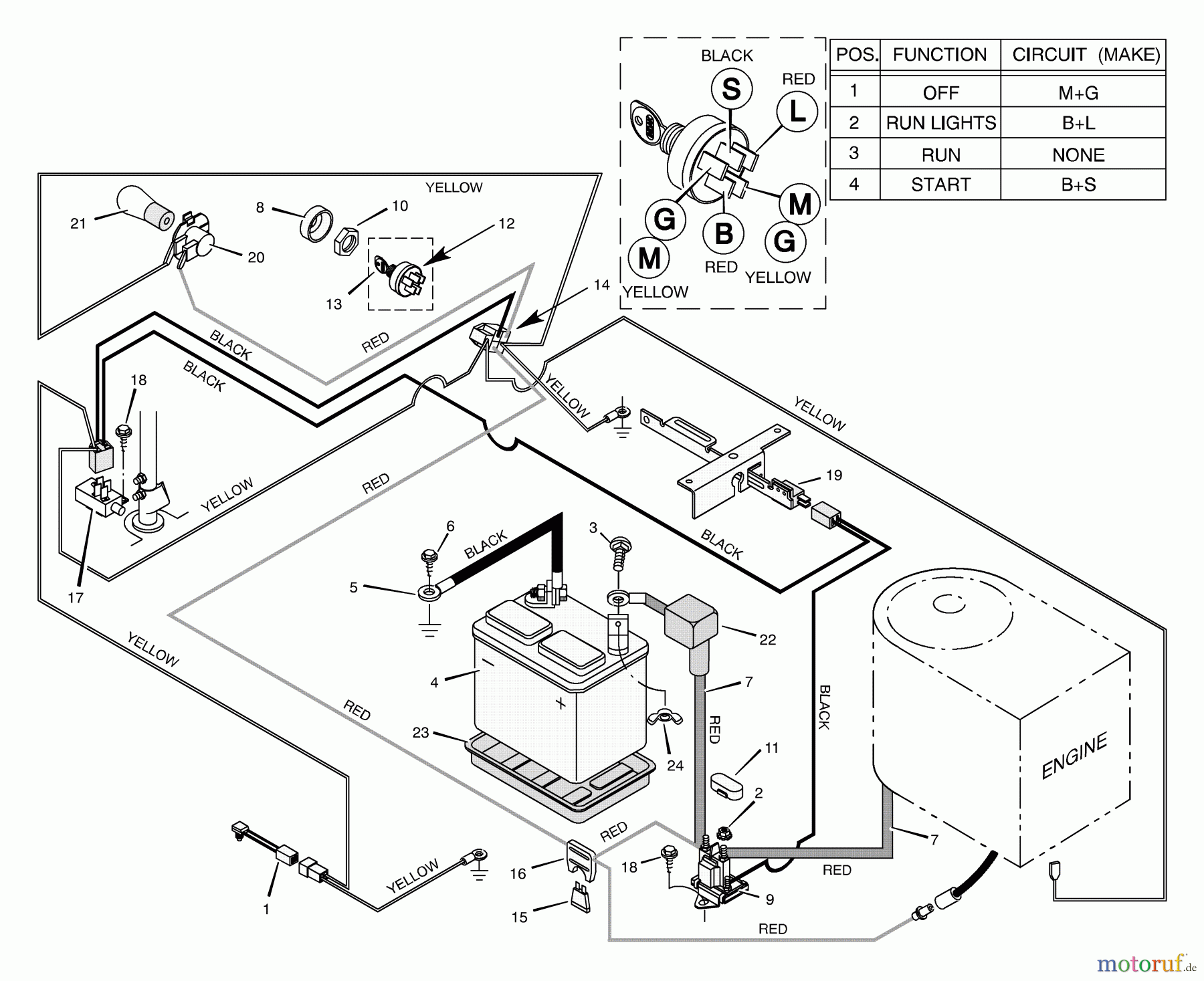
Murray 30575x31A - Scotts 30" Rear Engine Rider (1997) (Home Depot) Electrical System Ricambi
Electrical System 30575x31A - Scotts 30" Rear Engine Rider (1997) (Home Depot)



Gestione della qualità
Aiutaci a migliorare il nostro sito. Informaci se trovi un errore.

