.it
Benvenuti
Contatti
Spedizione
L’azienda
Guest book
Condizioni e Privacy
Catalogare
Tagliare, profilare
Componenti per motore
Officine meccaniche
Parti e componentistica per macchine varie
Forestali
Articoli elettrici
Articoli invernali
Cinghie trapezoidali e relative pulegge
Filters
PEZZI DI RICAMBIO
Sprocket Rims
Guide Bars
Chainsaw Chains
Search by Part Number
Diagrammi ed elenchi
Servizio
Determine Chain
Ricerca
Il mio account
Registrati
Log in
Settings
DE
EN
FR
ES
IT
Desktop
Murray 30546x4A - 30" Rear Engine Rider (1997) Electrical System Ricambi
Start
Murray
Reitermäher
30546x4A - Murray 30" Rear Engine Rider (1997)
Electrical System
Electrical System 30546x4A - Murray 30" Rear Engine Rider (1997)
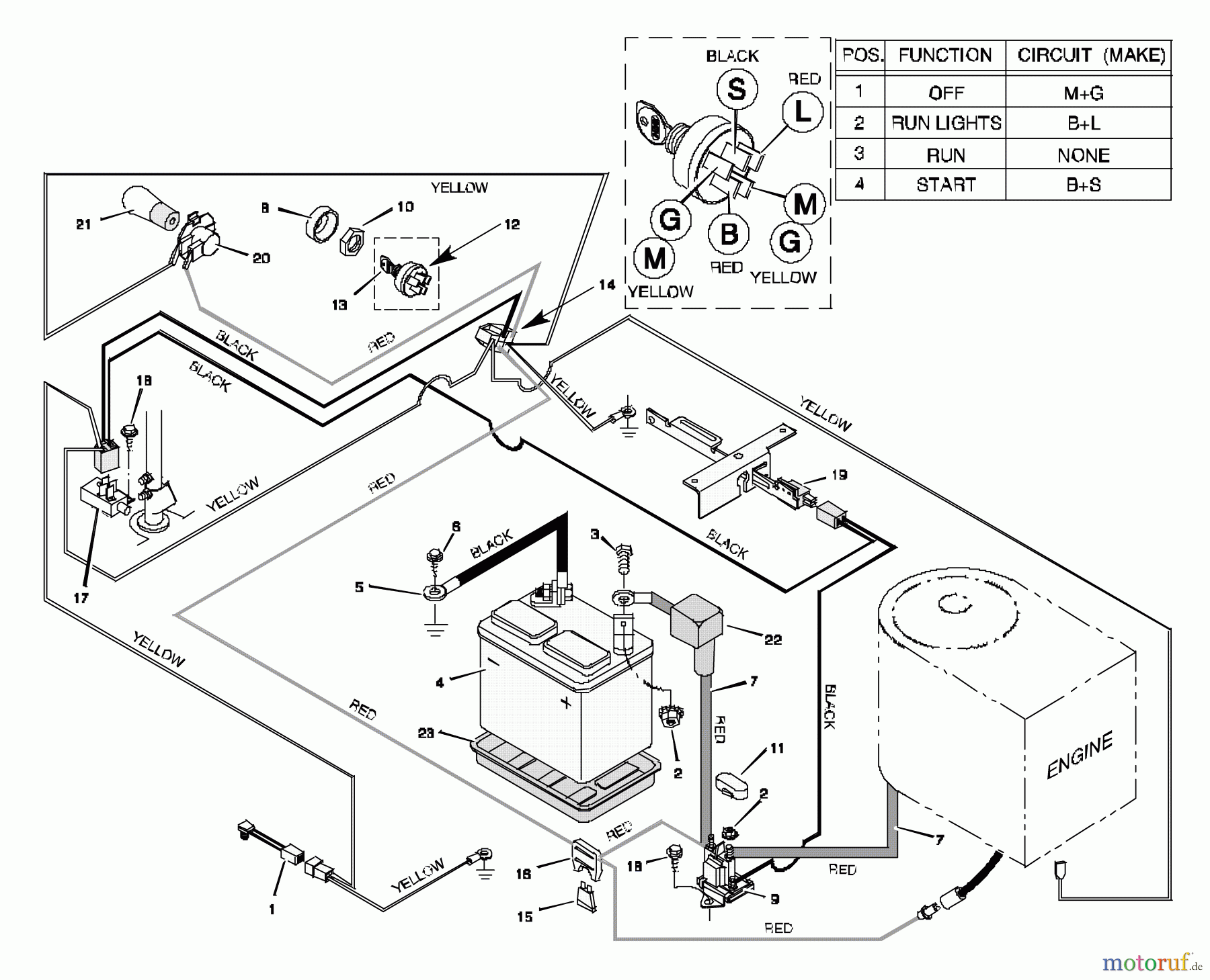
Posizione
Articolo numero
Descrizione
1
BS091031SEMA
SITZSCHALTER SATZ -MURR
2
BS015X66MA
MUTTER.25-20 KEPS LOCK Z
3
BS001X38MA
SECHSKANTBOLZEN .25 20X0.62
4
BS091414
--
BS093292
5
BS0024X3MA
CABLE-BAG 10G 12.75L
6
BS026X49MA
SCHRAUBE .31X50 TYPE B
7
BS024X24MA
BATTERIEKABEL 10G 12.00L
8
BS091488MA
CAP, IGNITION SWITCH
9
BS024285
10
BS091489MA
MUTTER-ZUNDSCHALTER/ZUNDSCHLOS
11
BS056049MA
COVER, SOLENOID
12
BS091846MA
KEY SWITCH
13
BS420729MA
SCHLUSSEL-2 EA.
14
BS250X85MA
KABELBAUM; -STRANG RER -
15
BS054212MA
SICHERUNG, AUTO-BLADE SE
16
BS407078MA
FUSE HOLDER,AUTO SE
17
BS091032MA
SWITCH-MOM.,DP,INDAK
18
BS26X233MA
SCHRAUBE #10 TYPE (ARDS
19
BS024273MA
LIMIT SWITCH
20
BS1001716MA
LAMP SOCKET
21
BS090084MA
GLUHBIRNE 1156
22
BS054148MA
KABELMANSCHETTE
23
BS091896MA
BATTERY TRAY R EC
Gestione della qualità
Aiutaci a migliorare il nostro sito. Informaci se trovi un errore.