.it
Benvenuti
Contatti
Spedizione
L’azienda
Guest book
Condizioni e Privacy
Catalogare
Tagliare, profilare
Componenti per motore
Officine meccaniche
Parti e componentistica per macchine varie
Forestali
Articoli elettrici
Articoli invernali
Cinghie trapezoidali e relative pulegge
Filters
PEZZI DI RICAMBIO
Sprocket Rims
Guide Bars
Chainsaw Chains
Search by Part Number
Diagrammi ed elenchi
Servizio
Determine Chain
Ricerca
Il mio account
Registrati
Log in
Settings
DE
EN
FR
ES
IT
Desktop
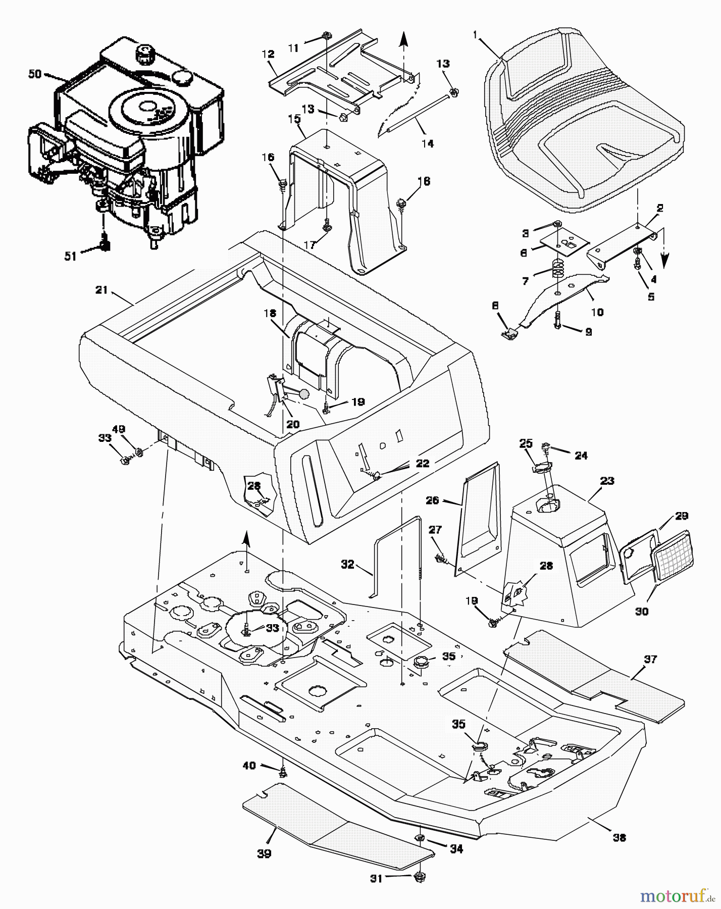
Murray 30546x4A - 30" Rear Engine Rider (1997) Body Chassis Ricambi
Start
Murray
Reitermäher
30546x4A - Murray 30" Rear Engine Rider (1997)
Body Chassis
Body Chassis 30546x4A - Murray 30" Rear Engine Rider (1997)
Posizione
Articolo numero
Descrizione
1
BS091965
2
BS56516E701
3
BS028X64MA
DRUCKBUGEL .312
4
BS018X16MA
WASHER.31.56X.05 SPLI
5
BS001X45MA
BOLT-HEX.31-18X0.62 Z
6
BS091963ZMA
PLATE ASSY,SWITCH
7
BS164X26MA
DRUCKFEDER
8
BS091822MA
FEDERGLEITSTUCK
9
BS009X38MA
BOLT,SHD .32-16X.500D
10
BS091964MA
SITZFEDER
11
BS015X88MA
NUT,CENTERLOCK Z .3
12
BS56518E701
13
BS028X23MA
PUSH CAP.375
14
BS565372
15
BS56517E701
16
BS26X249MA
SCREW-.312-18X.75
17
BS002X53MA
BOLT,CRG .31-18 X 0.
18
BS55017E701
19
BS26X214MA
SCREW HEXHEAD TAP.
20
BS056598MA
DROSSELREGELUNG-TEC
21
BS054766E245
22
BS26X201MA
SCREW Z/BL CHROMATE
23
BS056570E245
24
BS26X201MA
SCREW Z/BL CHROMATE
25
BS056022MA
LAGER LENKSAULE
26
BS055023E700
27
BS004X24MA
SCREW-MCH.25-20X0.50
28
BS028X18MA
KLEMMMUTTER
29
BS056241ZMA
REFLEKTOR
30
BS090082MA
LINSE
31
BS015X66MA
MUTTER.25-20 KEPS LOCK Z
32
BS548002
33
BS026X49MA
SCHRAUBE .31X50 TYPE B
34
BS17X382
35
BS021268
37
BS056107
38
BS56611E245
39
BS056106
40
BS006X74MA
SCREW,SPC .25-20X.62
49
BS0019X6MA
SCHEIBE
50
BS
Eingangswelle UE 600
51
BS0025X7MA
MOTORBOLZEN 3/8 X 1.25
--
BSF-97612
--
BSF-97613
--
BS44X6768
--
BS44X6769
--
BS44X6651
--
BS44X6656
--
BS44X2584
--
BS44X6554MA
AUFKLEBER SILBER KUPPLUNG/BREM
Gestione della qualità
Aiutaci a migliorare il nostro sito. Informaci se trovi un errore.