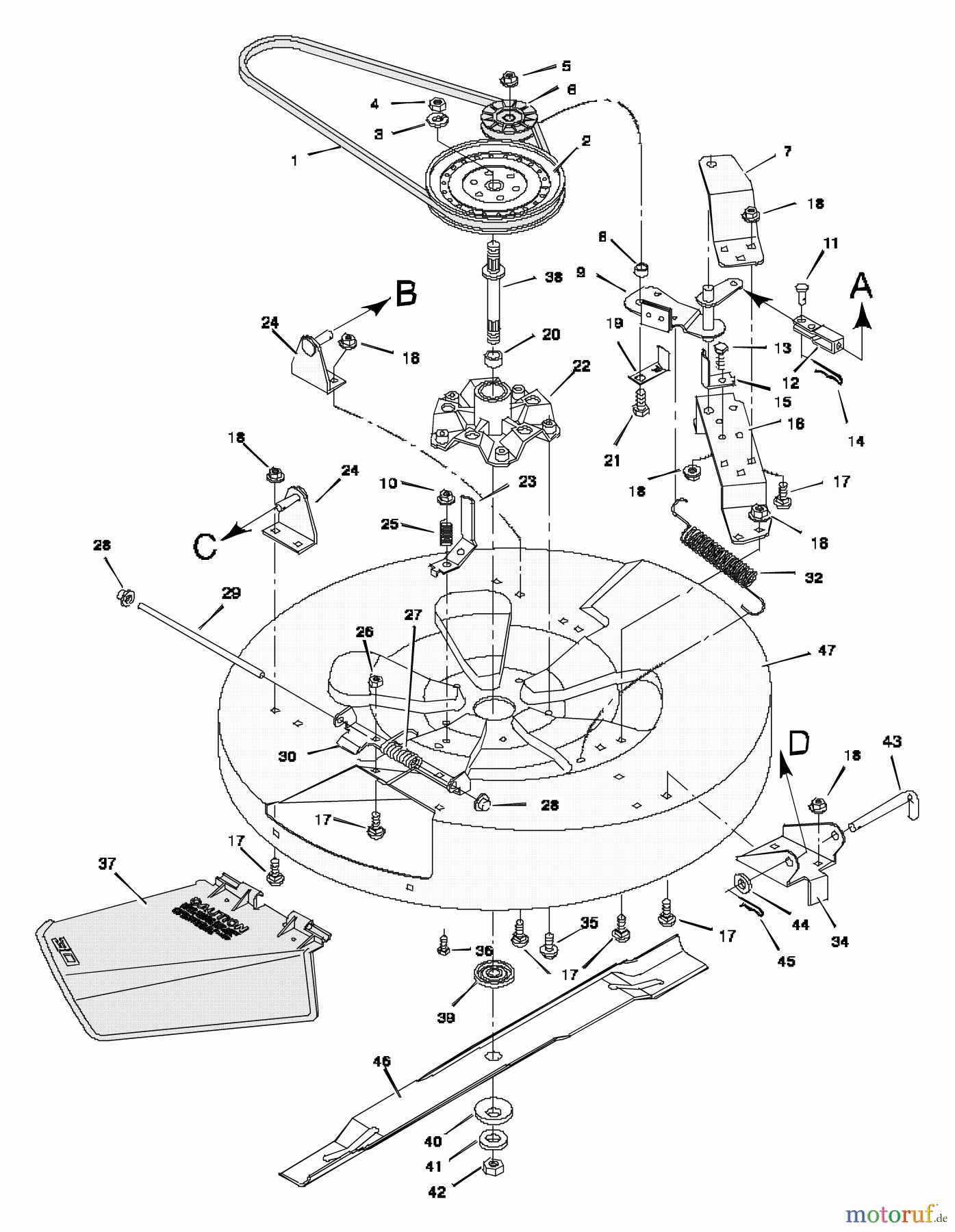
Murray 30545x92A - B&S/ 30" Rear Engine Rider (1997) (Walmart) Mower Housing Ricambi
Mower Housing 30545x92A - B&S/Murray 30" Rear Engine Rider (1997) (Walmart)



Gestione della qualità
Aiutaci a migliorare il nostro sito. Informaci se trovi un errore.








