.it
Benvenuti
Contatti
Spedizione
L’azienda
Guest book
Condizioni e Privacy
Catalogare
Tagliare, profilare
Componenti per motore
Officine meccaniche
Parti e componentistica per macchine varie
Forestali
Articoli elettrici
Articoli invernali
Cinghie trapezoidali e relative pulegge
Filters
PEZZI DI RICAMBIO
Sprocket Rims
Guide Bars
Chainsaw Chains
Search by Part Number
Diagrammi ed elenchi
Servizio
Determine Chain
Ricerca
Il mio account
Registrati
Log in
Settings
DE
EN
FR
ES
IT
Desktop
Murray G4318030 - 43" Lawn Tractor (1997) Engine & Control Assembly Ricambi
Start
Murray
Rasen- und Gartentraktoren
G4318030 - Murray 43" Lawn Tractor (1997)
Engine & Control Assembly
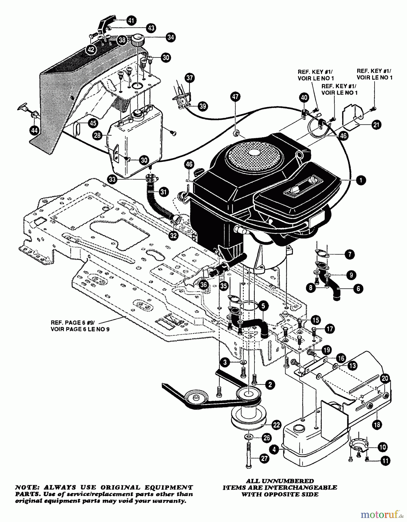
Engine & Control Assembly G4318030 - Murray 43" Lawn Tractor (1997)
Posizione
Articolo numero
Descrizione
1
BS
Eingangswelle UE 600
2
BS50947
3
BS138489MA
UNTERLEGSCHEIBE, EXLK .384X.6
4
BS305550MA
SCHALLDAMPFER 16/18 HP
5
BS305552
6
BS305551
7
BS056640
8
BS302628MA
SCHRAUBE, 1/4-20X .75 HH
9
BS120380MA
UNTERLAGSCHEIBE
10
BS56472MA
11
BS782216MA
SCREW 8-32X3/8
13
BS309436MA
DRUCKMUTTER,5/16 BOLZEN
15
BS300314
16
BS9796
17
BS44811MA
SCHRAUBE
18
BS327938-853
19
BS180077MA
SCHRAUBE 5/16-18X.75 HHC
20
BS55273MA
NUT, 5/16-18 WDFLLKLR
21
BS56470-853
22
BS328029
26
BS120383MA
SCHEIBE
27
BS428644MA
SCHRAUBE,7/16-20X5.00 HH
28
BS314992MA
TANK, FUEL 2 GAL
30
BS300303MA
SCREW,.25X.75X.51HHWA
31
BS47452
32
BS47345MA
CLAMP, SCREW TYPE
33
BS47345
34
BS46704MA
CAP 1-1/2-7 THD
35
BS325547MA
OIL DRAIN VALVE ASSE
36
BS327422MA
ABLAUFKAPPE
37
BS309092MA
DROSSELREGELUNG; GASPEDAL *B
38
BS320553
39
BS308459MA
71175410-24 HXHDNYLK
40
BS57569MA
KLEMMRING 31X0.62X.03W
41
BS300508MA
KNOPF,DROSSELREGELUNG SCHWARZ
42
BS159585
43
BS120622
44
BS327986MA
CHOKE,CONTROL,14-18T
45
BS314522
46
BS57444MA
VERBINDUNGSKABEL
47
BS124918
Gestione della qualità
Aiutaci a migliorare il nostro sito. Informaci se trovi un errore.