.it
Carrello
vuoto
Il mio account
Registrati
Log in
Benvenuti
Contatti
Spedizione
L’azienda
Guest book
Condizioni e Privacy
Catalogare
Tagliare, profilare
Componenti per motore
Officine meccaniche
Parti e componentistica per macchine varie
Forestali
Articoli elettrici
Articoli invernali
Cinghie trapezoidali e relative pulegge
Filters
PEZZI DI RICAMBIO
Sprocket Rims
Guide Bars
Chainsaw Chains
Search by Part Number
Diagrammi ed elenchi
Servizio
Determine Chain
Ricerca
DE
EN
FR
ES
IT
Versione mobile
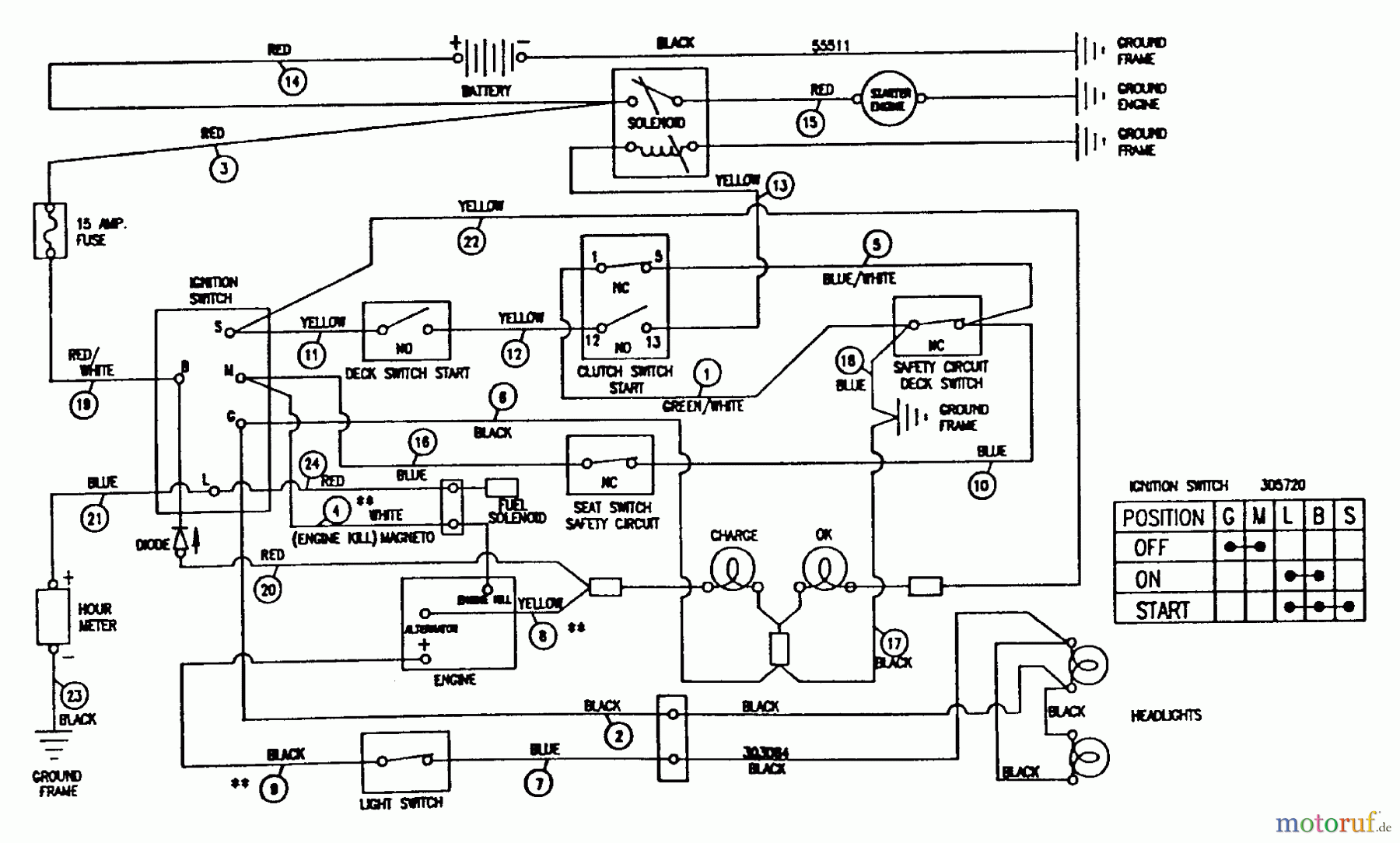
Murray G4315140 - 43" Lawn Tractor (1997) Schematic Drawing Ricambi
Start
Murray
Rasen- und Gartentraktoren
G4315140 - Murray 43" Lawn Tractor (1997)
Schematic Drawing
Schematic Drawing G4315140 - Murray 43" Lawn Tractor (1997)
Gestione della qualità
Aiutaci a migliorare il nostro sito. Informaci se trovi un errore.