.it
Benvenuti
Contatti
Spedizione
L’azienda
Guest book
Condizioni e Privacy
Catalogare
Tagliare, profilare
Componenti per motore
Officine meccaniche
Parti e componentistica per macchine varie
Forestali
Articoli elettrici
Articoli invernali
Cinghie trapezoidali e relative pulegge
Filters
PEZZI DI RICAMBIO
Sprocket Rims
Guide Bars
Chainsaw Chains
Search by Part Number
Diagrammi ed elenchi
Servizio
Determine Chain
Ricerca
Il mio account
Registrati
Log in
Settings
DE
EN
FR
ES
IT
Desktop
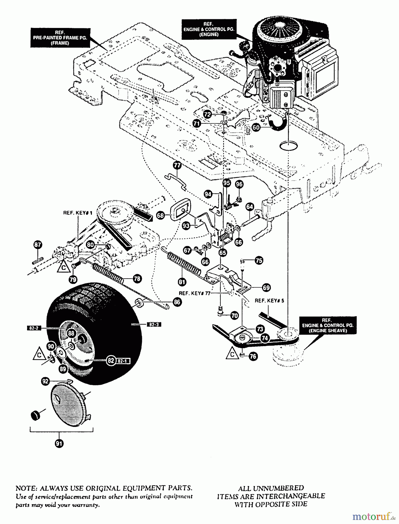
Murray G4315140 - 43" Lawn Tractor (1997) Motion Drive Assembly (part 2) Ricambi
Start
Murray
Rasen- und Gartentraktoren
G4315140 - Murray 43" Lawn Tractor (1997)
Motion Drive Assembly (part 2)
Motion Drive Assembly (part 2) G4315140 - Murray 43" Lawn Tractor (1997)
Posizione
Articolo numero
Descrizione
60
BS321514
64
BS319675
65
BS57847
66
BS2968
67
BS56180MA
PIN,HAIR .53DIA X 1.6
68
BS48160MA
PAD, CLUTCH BRAKE W/
69
BS320381E701MA
MF ARM,IDLER TRACTION
70
BS329989MA
BOLZEN, .625X.135 HHSH
71
BS45602MA
WASHER, FLAT .333X .
72
BS015X43MA
NUT .31-18 ST OVERLOC
73
BS39659MA
MF RETAINER,BELT
74
BS782964MA
PULLEY IDLER #3
75
BS45892MA
BOLT, 3/8-16X1.50 CAR
76
BS1499MA
MUTTER, 3/8-16 REGHXCTRL
77
BS57204MA
KUPPLUNGSSTANGE 3.92
78
BS325937
79
BS326131
80
BS1498
81
BS330505MA
SPRING, CLUTCH .113X.
82
BS692290
82-1
BS338512MA
VENTILSCHAFT
81-2
BS338524
82-3
BS338526
86
BS338184
87
BS52928MA
VIERKANTSCHLUSSEL.187SQ X 2.
88
BS642
89
BS42815MA
WASHER, FLAT .755X1.
90
BS36625
91
BS338428
92
BS694003MA
RETAINER CLIP
93
BS325941-853
94
BS9016
95
BS57828MA
SPRING, PARKING BRAK
96
BS57829
Gestione della qualità
Aiutaci a migliorare il nostro sito. Informaci se trovi un errore.