Murray C950-60473-0 - Craftsman 46" Lawn Tractor (2004) (Sears) Electrical System Ricambi
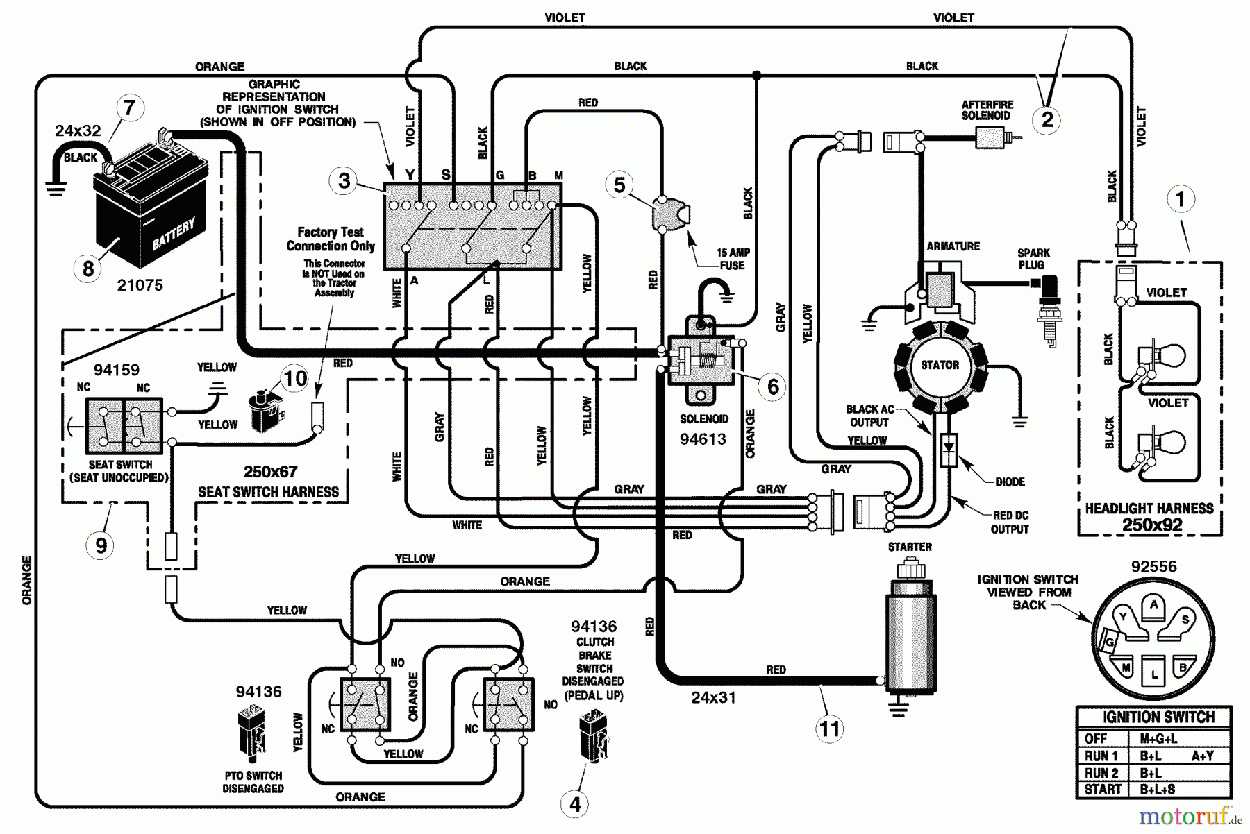
Electrical System C950-60473-0 - Craftsman 46" Lawn Tractor (2004) (Sears)



Gestione della qualità
Aiutaci a migliorare il nostro sito. Informaci se trovi un errore.

