.it
Carrello
vuoto
Il mio account
Registrati
Log in
Benvenuti
Contatti
Spedizione
L’azienda
Guest book
Condizioni e Privacy
Catalogare
Tagliare, profilare
Componenti per motore
Officine meccaniche
Parti e componentistica per macchine varie
Forestali
Articoli elettrici
Articoli invernali
Cinghie trapezoidali e relative pulegge
Filters
PEZZI DI RICAMBIO
Sprocket Rims
Guide Bars
Chainsaw Chains
Search by Part Number
Diagrammi ed elenchi
Servizio
Determine Chain
Ricerca
DE
EN
FR
ES
IT
Versione mobile
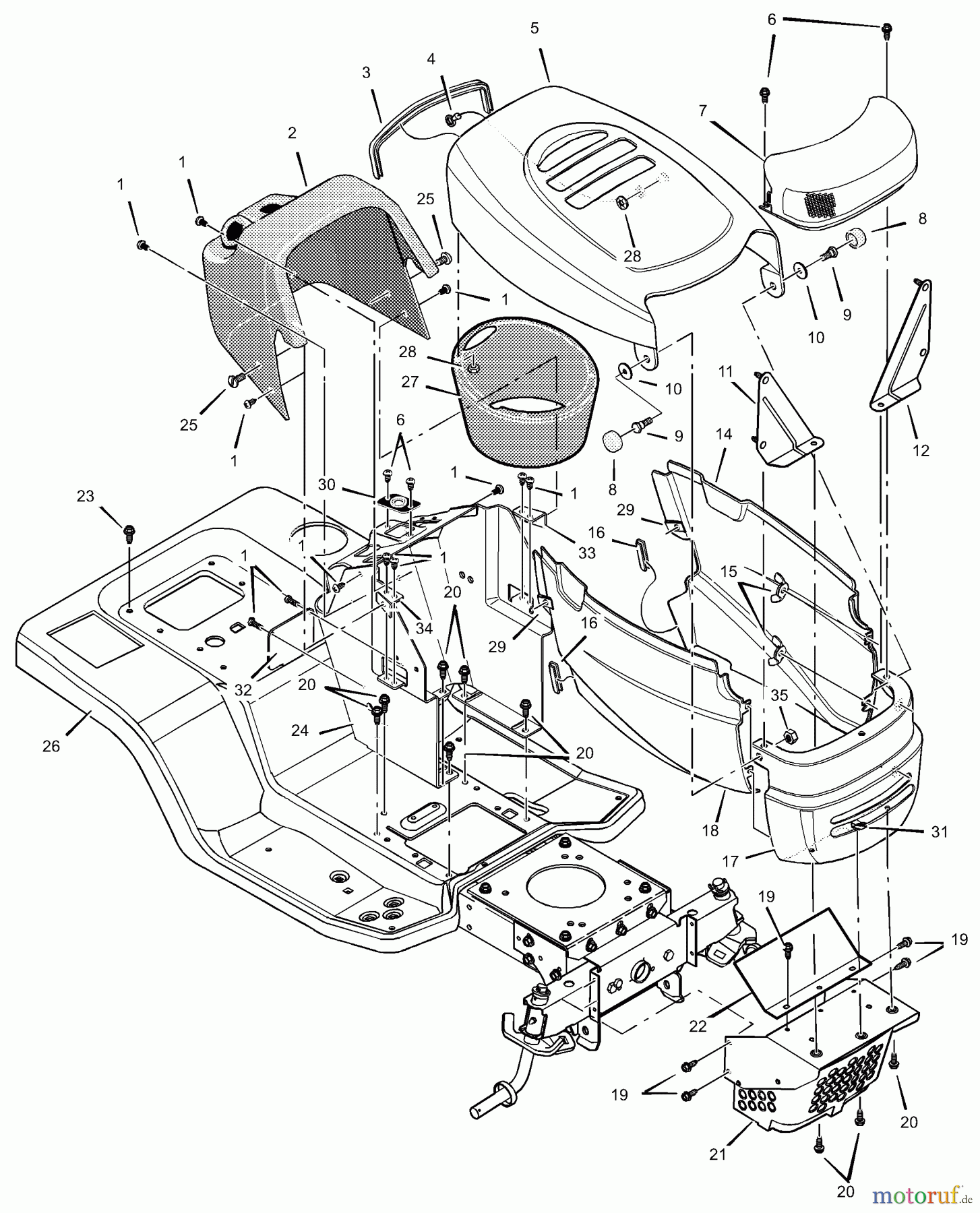
Murray 525607x692B - Stanley 52" Lawn Tractor (2002) Hood & Grill Ricambi
Start
Murray
Rasen- und Gartentraktoren
525607x692B - Stanley 52" Lawn Tractor (2002)
Hood & Grill
Hood & Grill 525607x692B - Stanley 52" Lawn Tractor (2002)
Posizione
Articolo numero
Descrizione
1
BS26X250MA
SCREW-TAPPING 10-16
2
BS1001114MA
VERKLEIDUNG MITTE MARKET TWIN
3
BS7601029MA
TRIM STANLEY
4
BS643129MA
KABEL
5
BS1001186E010
6
BS26X238MA
SCREW 1/4'' AB X.50
7
BS95234MA
LINSE & REFLEKTOR ASSEMBLY
8
BS690113MA
PIVOT CAP - BLACK
9
BS009X49MA
BOLT,SHD .38-16X.499
10
BS690114MA
ZAPFENBASIS; PIVOTBASIS
11
BS1001169E700
12
BS1001171E700
14
BS094457E700
15
BS014X79MA
NUT.25-20 WINGNUT
16
BS7601029
17
BS1001126E700
18
BS094458E700
19
BS26X277MA
SCREW-5/16-18X.50
20
BS26X249MA
SCREW-.312-18X.75
21
BS1001191
22
BS1001156
23
BS26X263MA
SCREW.25-20 S-T
24
BS095173E700
25
BS26X239MA
SCREW 1/4 ABX.75
26
BS1001099E700
27
BS1001158MA
SCHACHT
28
BS028X49MA
NUT- PUSH
29
BS028X23MA
PUSH CAP.375
30
BS1001491MA
STEUERLAGER
31
BS028X57MA
BUNDMUTTER
32
BS093007E701MA
PANEL-SIDE ACCESS
33
BS094464MA
HALTEWINKEL RECHTE KONSOLE
34
BS094465MA
KONSOLE-HALTER -L
35
BS015X84MA
MUTTER, CENTERLOCK .38-
--
BSF-020758L
Gestione della qualità
Aiutaci a migliorare il nostro sito. Informaci se trovi un errore.