.it
Carrello
vuoto
Il mio account
Registrati
Log in
Benvenuti
Contatti
Spedizione
L’azienda
Guest book
Condizioni e Privacy
Catalogare
Tagliare, profilare
Componenti per motore
Officine meccaniche
Parti e componentistica per macchine varie
Forestali
Articoli elettrici
Articoli invernali
Cinghie trapezoidali e relative pulegge
Filters
PEZZI DI RICAMBIO
Sprocket Rims
Guide Bars
Chainsaw Chains
Search by Part Number
Diagrammi ed elenchi
Servizio
Determine Chain
Ricerca
DE
EN
FR
ES
IT
Versione mobile
Murray 525607x692A - Stanley 52" Lawn Tractor (2001) Engine Mount Ricambi
Start
Murray
Rasen- und Gartentraktoren
525607x692A - Stanley 52" Lawn Tractor (2001)
Engine Mount
Engine Mount 525607x692A - Stanley 52" Lawn Tractor (2001)
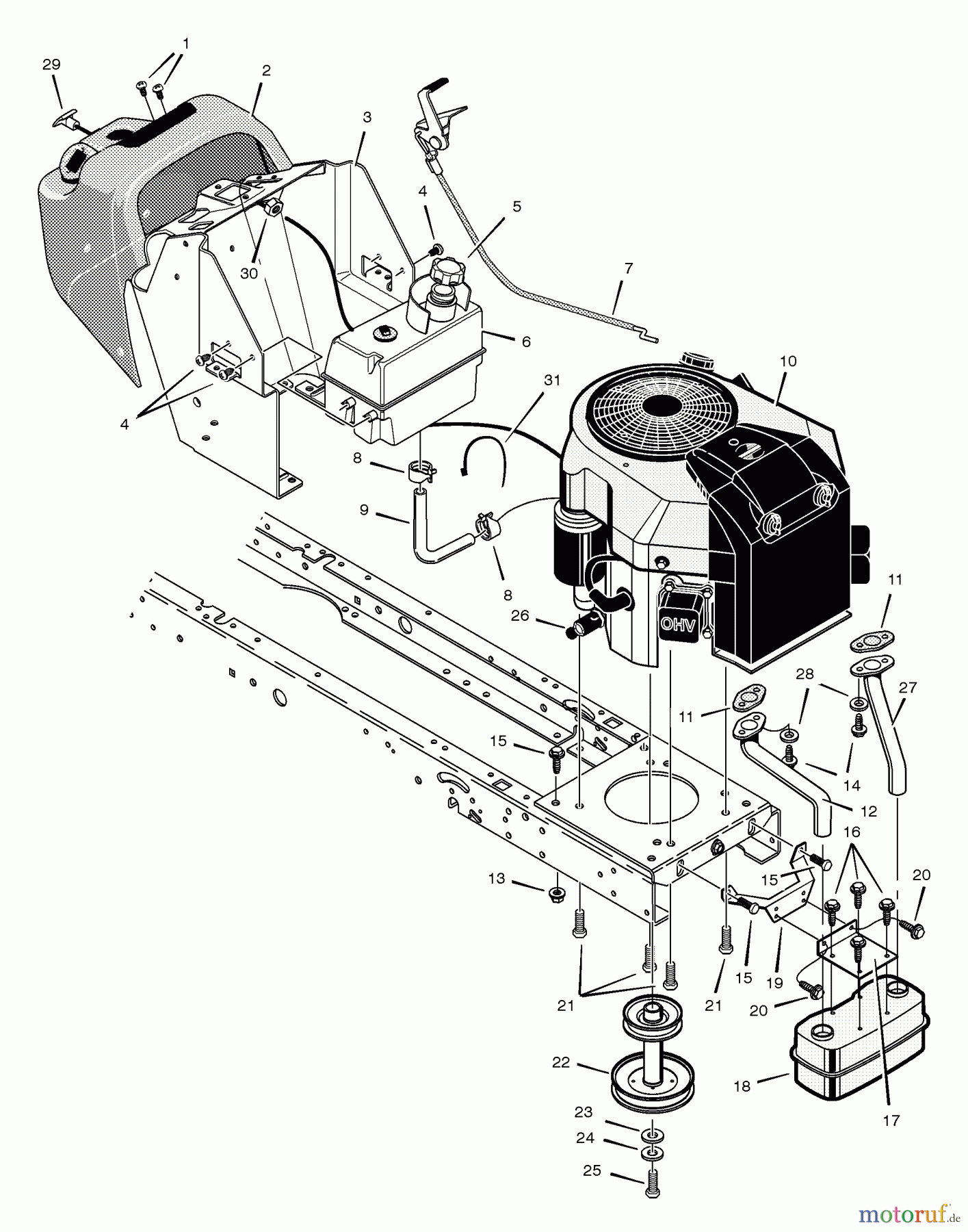
Posizione
Articolo numero
Descrizione
1
BS26X250MA
SCREW-TAPPING 10-16
2
BS1001114MA
VERKLEIDUNG MITTE MARKET TWIN
3
BS095173MA
KONSOLE
4
BS26X253MA
SCREW-THREAD FORMING
5
BS092317MA
BENZINDECKEL
6
BS7601093MA
FUEL KIT 2.8
7
BS1001225MA
GASHEBEL
8
BS095197MA
SCHLAUCHSCHELLE - GELB
9
BS7601033MA
SERVICE KIT, FUEL LIN
10
BS
Eingangswelle UE 600
11
BS711851MA
DICHTUNG 20/22 B&S N 27
12
BS1001038MA
ABGASROHR AUSGANG, RECHTS
13
BS015X88MA
NUT,CENTERLOCK Z .3
14
BS001X91MA
BOLT-HEX.31-18X0.75 Z
15
BS26X249MA
SCREW-.312-18X.75
16
BS26X263MA
SCREW.25-20 S-T
17
BS690538E701MA
MUFFLER BRKT.
18
BS093259MA
MUFFLER-20HP
19
BS690537E701MA
BRKT - MUFF MTG HP
20
BS26X214MA
SCREW HEXHEAD TAP.
21
BS0025X7MA
MOTORBOLZEN 3/8 X 1.25
22
BS690507MA
STACK PULLEY ASY 46''
23
BS17X170MA
WASHER.46.97.25 FLAT
24
BS019X35MA
WASHER.43-0.74 X.04 S
25
BS01X140MA
SECHSKANTBOLZEN.43-20X1.50 Z
26
BS325547MA
OIL DRAIN VALVE ASSE
27
BS1001039MA
ABGASROHR AUSGANG, LINKS
28
BS018X15MA
WASHER.31.58X.07 SPLI
29
BS776113MA
CHOKEREGELUNG W/ATT.
30
BS015X68MA
MUTTER.38-16 FLANSCHARRETIERUN
31
BS032618MA
TIE (ARDS)
Gestione della qualità
Aiutaci a migliorare il nostro sito. Informaci se trovi un errore.