.it
Benvenuti
Contatti
Spedizione
L’azienda
Guest book
Condizioni e Privacy
Catalogare
Tagliare, profilare
Componenti per motore
Officine meccaniche
Parti e componentistica per macchine varie
Forestali
Articoli elettrici
Articoli invernali
Cinghie trapezoidali e relative pulegge
Filters
PEZZI DI RICAMBIO
Sprocket Rims
Guide Bars
Chainsaw Chains
Search by Part Number
Diagrammi ed elenchi
Servizio
Determine Chain
Ricerca
Il mio account
Registrati
Log in
Settings
DE
EN
FR
ES
IT
Desktop
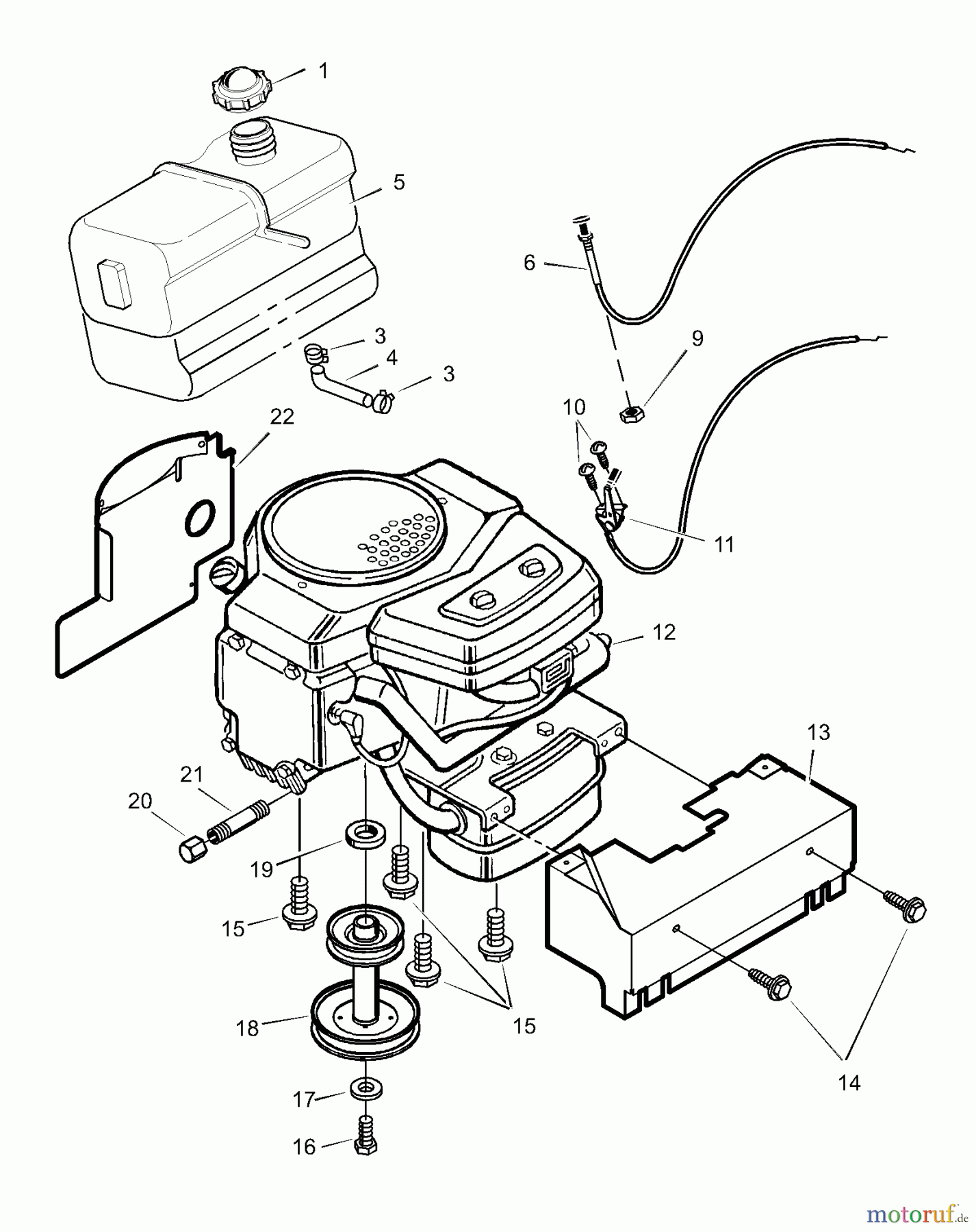
Murray 52101x92A - B&S/ 52" Garden Tractor (2000) (Walmart) Engine Mount Ricambi
Start
Murray
Rasen- und Gartentraktoren
52101x92A - B&S/Murray 52" Garden Tractor (2000) (Walmart)
Engine Mount
Engine Mount 52101x92A - B&S/Murray 52" Garden Tractor (2000) (Walmart)
Posizione
Articolo numero
Descrizione
1
BS091349
3
BS095197MA
SCHLAUCHSCHELLE - GELB
4
BS023717
5
BS093148
6
BS776113MA
CHOKEREGELUNG W/ATT.
9
BS015X68MA
MUTTER.38-16 FLANSCHARRETIERUN
10
BS26X201MA
SCREW Z/BL CHROMATE
11
BS093165MA
THROTTLE CONTROL
12
BS
Eingangswelle UE 600
--
BS095198MA
MUFFLER ASSY-LT-TWIN
--
BS095208MA
--
BS095200MA
ANSCHLU?ROHR SCHALLDAMPFER
--
BS06X102MA
1/4-20 HEX HD W/WASHE
13
BS093191E701
14
BS26X263MA
SCREW.25-20 S-T
15
BS0025X7MA
MOTORBOLZEN 3/8 X 1.25
16
BS01X140MA
SECHSKANTBOLZEN.43-20X1.50 Z
17
BS17X170MA
WASHER.46.97.25 FLAT
18
BS690225MA
STACK PULLEY ASSY
19
BS093077MA
SPACER -ENGINE
20
BS021651ZMA
PIPE CAP
21
BS056261
22
BS093078E700
Gestione della qualità
Aiutaci a migliorare il nostro sito. Informaci se trovi un errore.