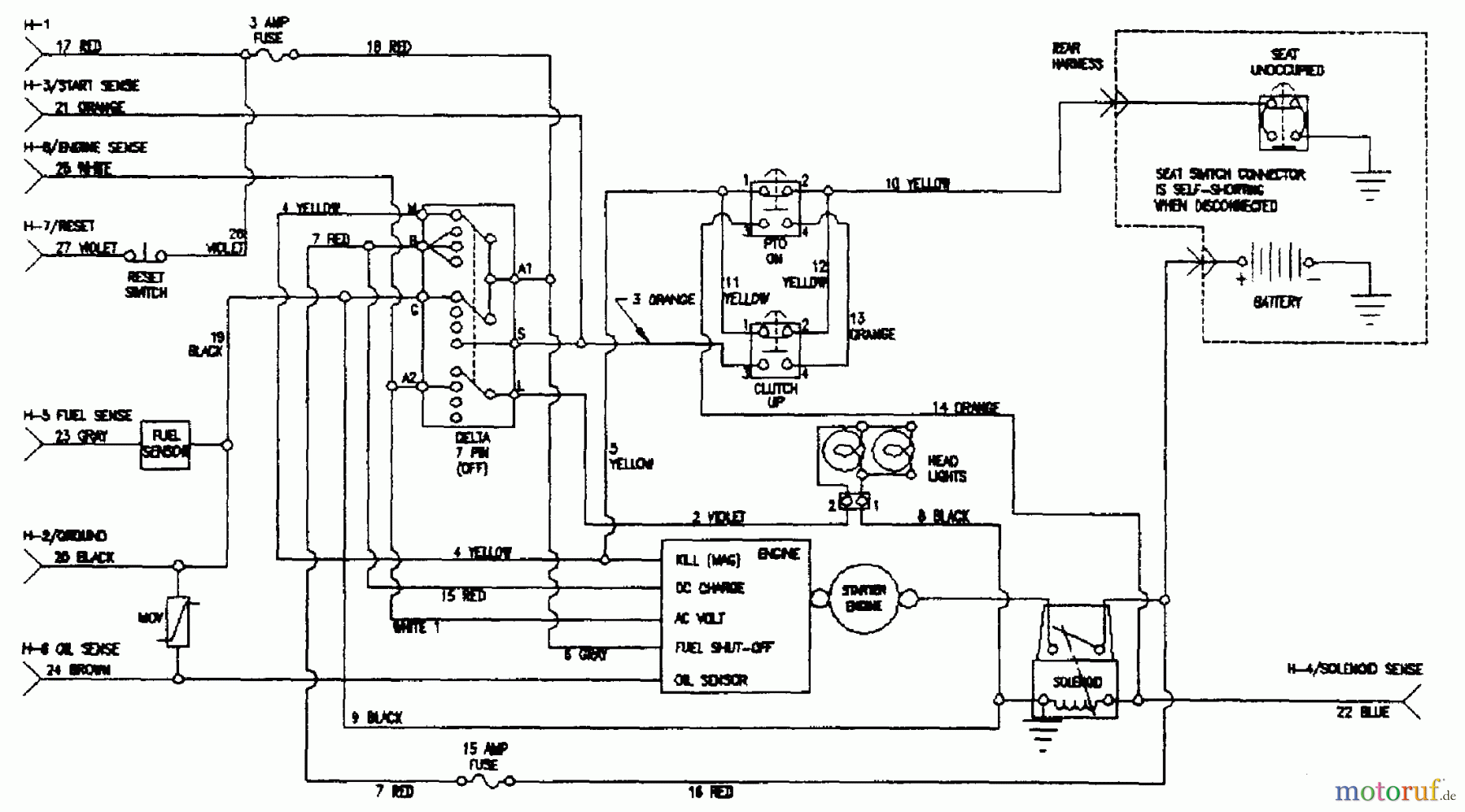
Murray 46580x8A - Scotts 46" Lawn Tractor (1999) (Home Depot) Electrical Assembly (part 2) Ricambi
Electrical Assembly (part 2) 46580x8A - Scotts 46" Lawn Tractor (1999) (Home Depot)



Gestione della qualità
Aiutaci a migliorare il nostro sito. Informaci se trovi un errore.

