.it
Benvenuti
Contatti
Spedizione
L’azienda
Guest book
Condizioni e Privacy
Catalogare
Tagliare, profilare
Componenti per motore
Officine meccaniche
Parti e componentistica per macchine varie
Forestali
Articoli elettrici
Articoli invernali
Cinghie trapezoidali e relative pulegge
Filters
PEZZI DI RICAMBIO
Sprocket Rims
Guide Bars
Chainsaw Chains
Search by Part Number
Diagrammi ed elenchi
Servizio
Determine Chain
Ricerca
Il mio account
Registrati
Log in
Settings
DE
EN
FR
ES
IT
Desktop
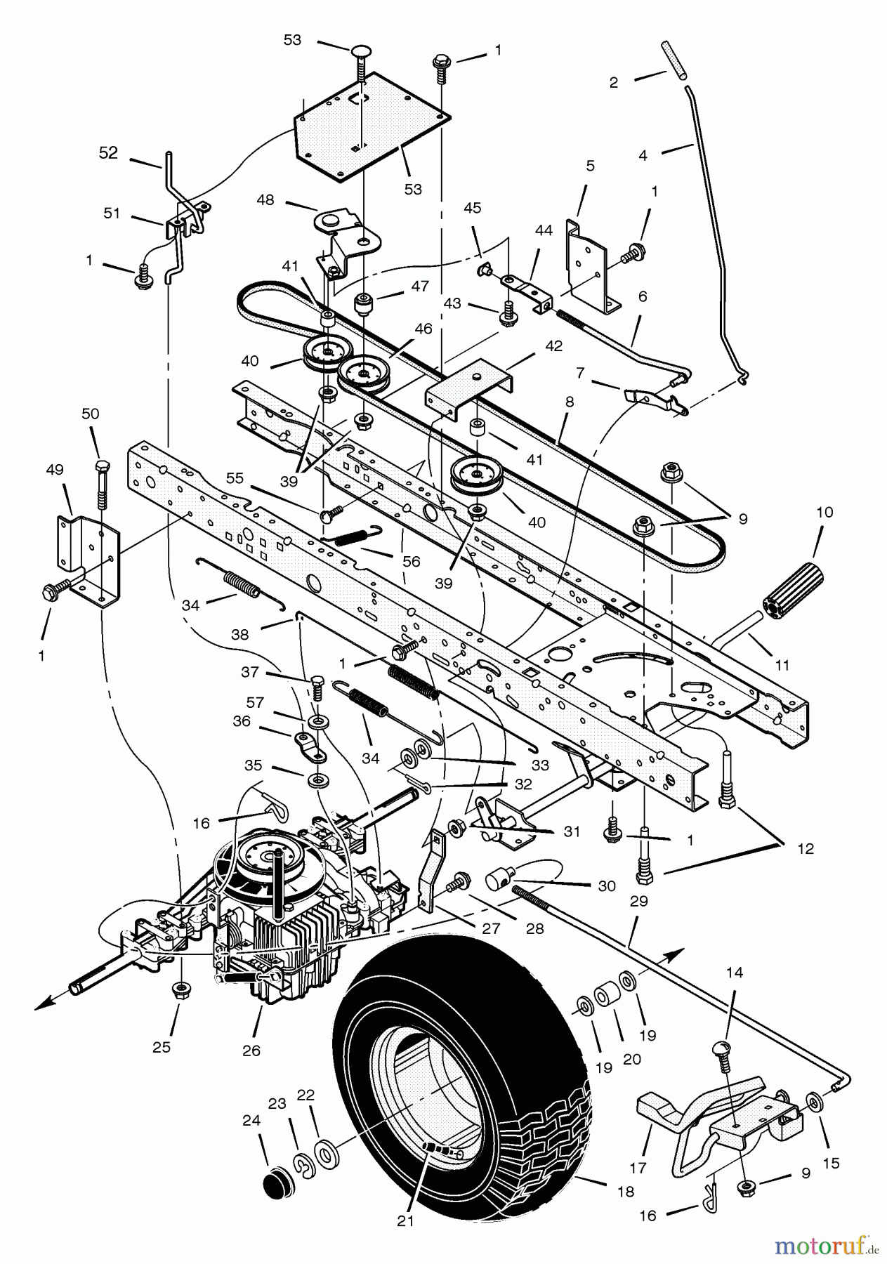
Murray 465602x31A - Scotts 46" Lawn Tractor (2001) (Home Depot) Drive Assembly Ricambi
Start
Murray
Rasen- und Gartentraktoren
465602x31A - Scotts 46" Lawn Tractor (2001) (Home Depot)
Drive Assembly
Drive Assembly 465602x31A - Scotts 46" Lawn Tractor (2001) (Home Depot)
Posizione
Articolo numero
Descrizione
1
BS26X249MA
SCREW-.312-18X.75
2
BS091079MA
GRIP-BLACK .207 ID X
4
BS1001271ZMA
PARKBREMSGESTANGE
5
BS094185E701MA
BRACKET T/A L.H.
6
BS1001013ZMA
GETRIEBEGESTANGE
7
BS094045ZMA
SPERRRIEGEL-PARKBREMSE
8
BS37X106MA
V-BELT
9
BS015X79MA
NUT.31-18 FLANGELOCK
10
BS021544MA
CLUTCH & BRAKE PEDAL
11
BS1001011E700
12
BS094384MA
GUIDE SCREW - YELLOW
14
BS002X53MA
BOLT,CRG .31-18 X 0.
15
BS017X57MA
UNTERLEGSCHEIBE.47.72 16G FLT
16
BS0031X4MA
PIN, HAIR .56D - .09
17
BS1001231E700
18
BS92511601
--
BS407926MA
TIRE 20X8.00TS SE
--
BS407049MA
INNER TUBE-18X9.5 SE
19
BS17X160MA
WASHER.76-1.2 16G FL
20
BS690554ZMA
SPACER
21
BS024373MA
VENTIL STM&CP,TR41 SE
22
BS17X195MA
UNTERLEGSCHEIBE
23
BS0011X3MA
RING,E .750D .050T
24
BS094618MA
HUB CAP
25
BS015X88MA
NUT,CENTERLOCK Z .3
26
BS
Eingangswelle UE 600
27
BS1001085E701MA
PLATTE ZUM FIXIEREN
28
BS26X216MA
SCREW-THREAD FORMING
29
BS1001234ZMA
KONTROLLSTANGE
30
BS092132ZMA
EINSTELLMUTTER
31
BS015X84MA
MUTTER, CENTERLOCK .38-
32
BS030X20MA
PIN-COTTER.09D-.750L
33
BS017X48MA
WASHER.39.75 13G FLT
34
BS165X92MA
SPRING-EXTENSION
35
BS17X148MA
UNTERLEGSCHEIBE.38 SQ 1. 16G F
36
BS1001086ZMA
AUSLEGER, TRENNBAR
37
BS06X105MA
CAP SCREW 1/4-28 (AR
38
BS165X150MA
SPRING - BRAKE
39
BS015X98MA
MUTTER.38-16 FLANSCHARRETIERUN
40
BS690409MA
IDLER PULLEY - 2.75 D
41
BS690369MA
SPACER 1/2'' TO 17 MM
42
BS1001097E701MA
LEITRAD
43
BS009X49MA
BOLT,SHD .38-16X.499
44
BS1001007ZMA
LINK - CLUTCH
45
BS1001014MA
NUT - TEE
46
BS690410MA
IDLER PULLEY - 3.0 DI
47
BS1001012MA
PIVOT BUSHING
48
BS1001018ZMA
SPANNARM KOMPL.
49
BS094184E701MA
HALTERUNG - T/A RECHTS
50
BS01X155MA
BOLT-HEX.31-18X2.50 P
51
BS1001214ZMA
HALTER, KUPPLUNG
52
BS1001215ZMA
TRENNSTANGE
53
BS1001108E701MA
KONSOLE SPANNROLLESTIFT
54
BS002X92MA
BOLT - CARRIAGE
55
BS002X78MA
SCHLOSSSCHRAUBE
56
BS165X155MA
ZUGFEDER CTRL
57
BS017X38MA
UNTERLEGSCHEIBE.26.75 16G FLT
Gestione della qualità
Aiutaci a migliorare il nostro sito. Informaci se trovi un errore.