.it
Carrello
vuoto
Il mio account
Registrati
Log in
Benvenuti
Contatti
Spedizione
L’azienda
Guest book
Condizioni e Privacy
Catalogare
Tagliare, profilare
Componenti per motore
Officine meccaniche
Parti e componentistica per macchine varie
Forestali
Articoli elettrici
Articoli invernali
Cinghie trapezoidali e relative pulegge
Filters
PEZZI DI RICAMBIO
Sprocket Rims
Guide Bars
Chainsaw Chains
Search by Part Number
Diagrammi ed elenchi
Servizio
Determine Chain
Ricerca
DE
EN
FR
ES
IT
Versione mobile
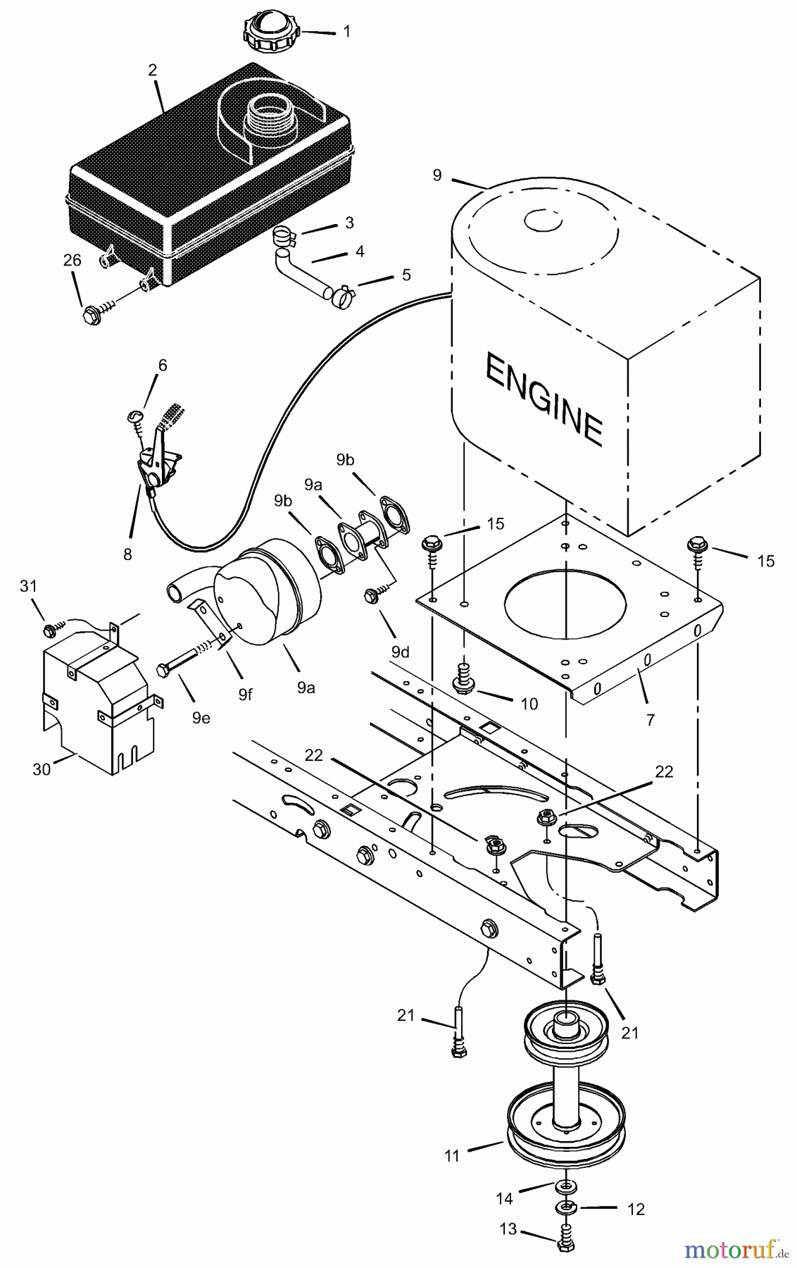
Murray 465305x92B - B&S/ 46" Lawn Tractor (2002) (Walmart) Engine Mount Ricambi
Start
Murray
Rasen- und Gartentraktoren
465305x92B - B&S/Murray 46" Lawn Tractor (2002) (Walmart)
Engine Mount
Engine Mount 465305x92B - B&S/Murray 46" Lawn Tractor (2002) (Walmart)
Posizione
Articolo numero
Descrizione
1
BS092317MA
BENZINDECKEL
2
BS7601092MA
FUEL TANK KIT 1.4
3
BS095197MA
SCHLAUCHSCHELLE - GELB
4
BS7601033MA
SERVICE KIT, FUEL LIN
5
BS095197MA
SCHLAUCHSCHELLE - GELB
6
BS26X201MA
SCREW Z/BL CHROMATE
7
BS094006E701MA
PLATE, ENGINE
8
BS091989
9
BS
Eingangswelle UE 600
9A
BS690436MA
MUFFLER - B&S OHV NEL
9B
BS692236
AUSPUFFDICHTUNG
9C
BS095207MA
ADAP MUFFL OHV 695766
9D
BS06X103MA
5/16-18 SOCKET HEAD
9E
BS009X59MA
ANSATZBOLZEN 93927
9F
BS092378MA
SCHRAUBENVERSCHLUSS 223016
10
BS0025X7MA
MOTORBOLZEN 3/8 X 1.25
11
BS1001136MA
STAPEL RIEMENSCHEIBE ASSY - 4
12
BS019X35MA
WASHER.43-0.74 X.04 S
13
BS01X140MA
SECHSKANTBOLZEN.43-20X1.50 Z
14
BS17X170MA
WASHER.46.97.25 FLAT
15
BS26X249MA
SCREW-.312-18X.75
21
BS091797ZMA
RIEMENFUHRUNGSSTANGE
22
BS015X79MA
NUT.31-18 FLANGELOCK
26
BS26X253MA
SCREW-THREAD FORMING
30
BS092550MA
HEAT SHIELD ASSY
31
BS26X263MA
SCREW.25-20 S-T
Gestione della qualità
Aiutaci a migliorare il nostro sito. Informaci se trovi un errore.