.it
Benvenuti
Contatti
Spedizione
L’azienda
Guest book
Condizioni e Privacy
Catalogare
Tagliare, profilare
Componenti per motore
Officine meccaniche
Parti e componentistica per macchine varie
Forestali
Articoli elettrici
Articoli invernali
Cinghie trapezoidali e relative pulegge
Filters
PEZZI DI RICAMBIO
Sprocket Rims
Guide Bars
Chainsaw Chains
Search by Part Number
Diagrammi ed elenchi
Servizio
Determine Chain
Ricerca
Il mio account
Registrati
Log in
Settings
DE
EN
FR
ES
IT
Desktop
Murray 46379x71A - B&S/ 46" Garden Tractor (1998) (Quality Stores) Steering Ricambi
Start
Murray
Rasen- und Gartentraktoren
46379x71A - B&S/Murray 46" Garden Tractor (1998) (Quality Stores)
Steering
Steering 46379x71A - B&S/Murray 46" Garden Tractor (1998) (Quality Stores)
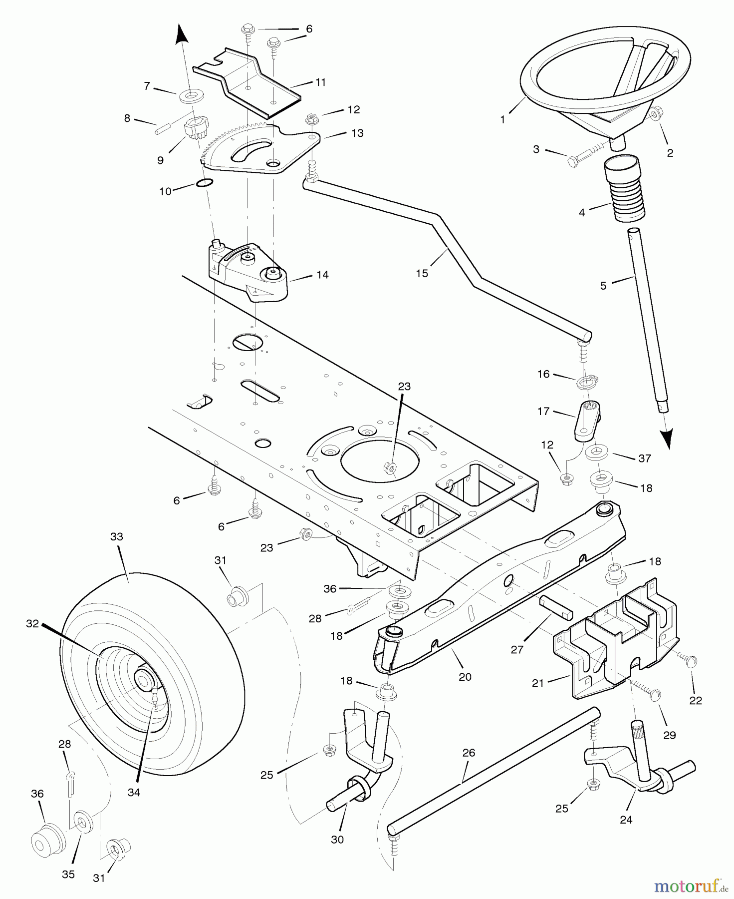
Posizione
Articolo numero
Descrizione
1
BS092076
2
BS15X118MA
MUTTER.31-24 FLANSCHVERSCHLUSS
3
BS001X66MA
BOLT,HEX.31-24X1.37 Z
4
BS054789MA
BALG, LENK PO
5
BS093039MA
STEERING POST ASSY
6
BS26X249MA
SCREW-.312-18X.75
7
BS17X177
8
BS032X77
9
BS093037MA
PINION GEAR ASY.
10
BS093068MA
O-RING
11
BS093081E700
12
BS15X112MA
NUT.50-20 HEX FLG SER
13
BS093062MA
SEKTORGETRIEBE
14
BS093038MA
LENKSTUTZE AY
15
BS093061E701MA
LINK - DRAG
16
BS011X22MA
RING, E .875D - .050
17
BS093059MA
ARM-DRAG LINK
18
BS093058MA
LAGERSPINDEL
20
BS093219E701MA
WELLE MONTAGE-BAUGRUPPE
21
BS94840E700
22
BS002X56
23
BS015X84MA
MUTTER, CENTERLOCK .38-
24
BS093031E701MA
WELLE MONTAGE LINKS
25
BS015X87ZMA
NUT.38-24 CENTERLOCK
26
BS93060E700
27
BS021469MA
PIVOT PIN
28
BS030X49MA
PIN-COTTER.13D-1.25L
29
BS002X60
30
BS093030E700
31
BS093064MA
LAGERRAD
32
BS092644601MA
16X6.50-8 RASEN
33
BS024393MA
16X6.5-8REIFEN,RASEN SE
--
BS407047MA
INNENROHR,15X6 SE
34
BS024373MA
VENTIL STM&CP,TR41 SE
35
BS17X194MA
UNTERLEGSCHEIBE
36
BS094618MA
HUB CAP
37
BS017X75MA
WASHER,FLAT .88-1.4
Gestione della qualità
Aiutaci a migliorare il nostro sito. Informaci se trovi un errore.