.it
Benvenuti
Contatti
Spedizione
L’azienda
Guest book
Condizioni e Privacy
Catalogare
Tagliare, profilare
Componenti per motore
Officine meccaniche
Parti e componentistica per macchine varie
Forestali
Articoli elettrici
Articoli invernali
Cinghie trapezoidali e relative pulegge
Filters
PEZZI DI RICAMBIO
Sprocket Rims
Guide Bars
Chainsaw Chains
Search by Part Number
Diagrammi ed elenchi
Servizio
Determine Chain
Ricerca
Il mio account
Registrati
Log in
Settings
DE
EN
FR
ES
IT
Desktop
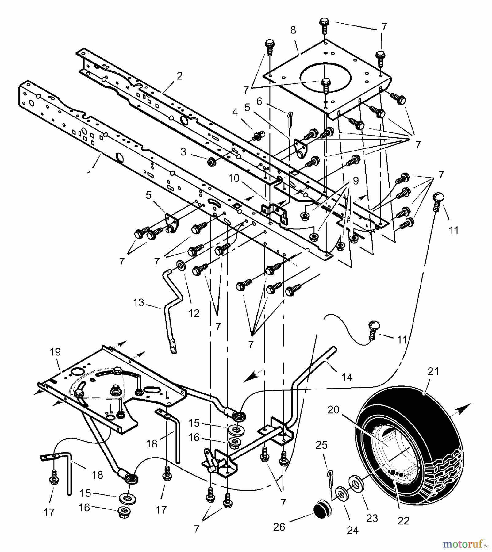
Murray 46102x6A - Ultra 46" Lawn Tractor (1999) Front Frame Assembly Ricambi
Start
Murray
Rasen- und Gartentraktoren
46102x6A - Murray Ultra 46" Lawn Tractor (1999)
Front Frame Assembly
Front Frame Assembly 46102x6A - Murray Ultra 46" Lawn Tractor (1999)
Posizione
Articolo numero
Descrizione
1
BS690206E700
2
BS690207E700
3
BS015X84MA
MUTTER, CENTERLOCK .38-
4
BS690182MA
STUD - SWIVEL
5
BS690406E700MA
RADAUFHANGUNGSHALTER
6
BS030X20MA
PIN-COTTER.09D-.750L
7
BS26X249MA
SCREW-.312-18X.75
8
BS094006E701MA
PLATE, ENGINE
9
BS015X88MA
NUT,CENTERLOCK Z .3
10
BS094005E701MA
KULISSENBREMSE
11
BS002X87MA
SCHLOSSSCHRAUBE
12
BS017X57MA
UNTERLEGSCHEIBE.47.72 16G FLT
13
BS094019E700
14
BS7400256ZMA
HEBEL, HALTER. KUPPLUNG
15
BS17X152ZMA
UNTERLEGSCHEIBE.51-1.2 11G FL
16
BS015X41MA
NUT.50-13 STOVERLOCK
17
BS025X15MA
SCREW 3/8-16
18
BS690192E701MA
ROD-BELT GUIDE
19
BS
Eingangswelle UE 600
20
BS092644601MA
16X6.50-8 RASEN
21
BS024393MA
16X6.5-8REIFEN,RASEN SE
--
BS407049MA
INNER TUBE-18X9.5 SE
--
BS093064MA
LAGERRAD
22
BS024373MA
VENTIL STM&CP,TR41 SE
23
BS17X194MA
UNTERLEGSCHEIBE
24
BS17X114MA
UNTERLEGSCHEIBE.89-1.6 16G FL
25
BS030X49MA
PIN-COTTER.13D-1.25L
26
BS094618MA
HUB CAP
Gestione della qualità
Aiutaci a migliorare il nostro sito. Informaci se trovi un errore.