.it
Benvenuti
Contatti
Spedizione
L’azienda
Guest book
Condizioni e Privacy
Catalogare
Tagliare, profilare
Componenti per motore
Officine meccaniche
Parti e componentistica per macchine varie
Forestali
Articoli elettrici
Articoli invernali
Cinghie trapezoidali e relative pulegge
Filters
PEZZI DI RICAMBIO
Sprocket Rims
Guide Bars
Chainsaw Chains
Search by Part Number
Diagrammi ed elenchi
Servizio
Determine Chain
Ricerca
Il mio account
Registrati
Log in
Settings
DE
EN
FR
ES
IT
Desktop
Murray 461018x99A - B&S/ 46" Garden Tractor (2001) (AAFES) Blade Drive Ricambi
Start
Murray
Rasen- und Gartentraktoren
461018x99A - B&S/Murray 46" Garden Tractor (2001) (AAFES)
Blade Drive
Blade Drive 461018x99A - B&S/Murray 46" Garden Tractor (2001) (AAFES)
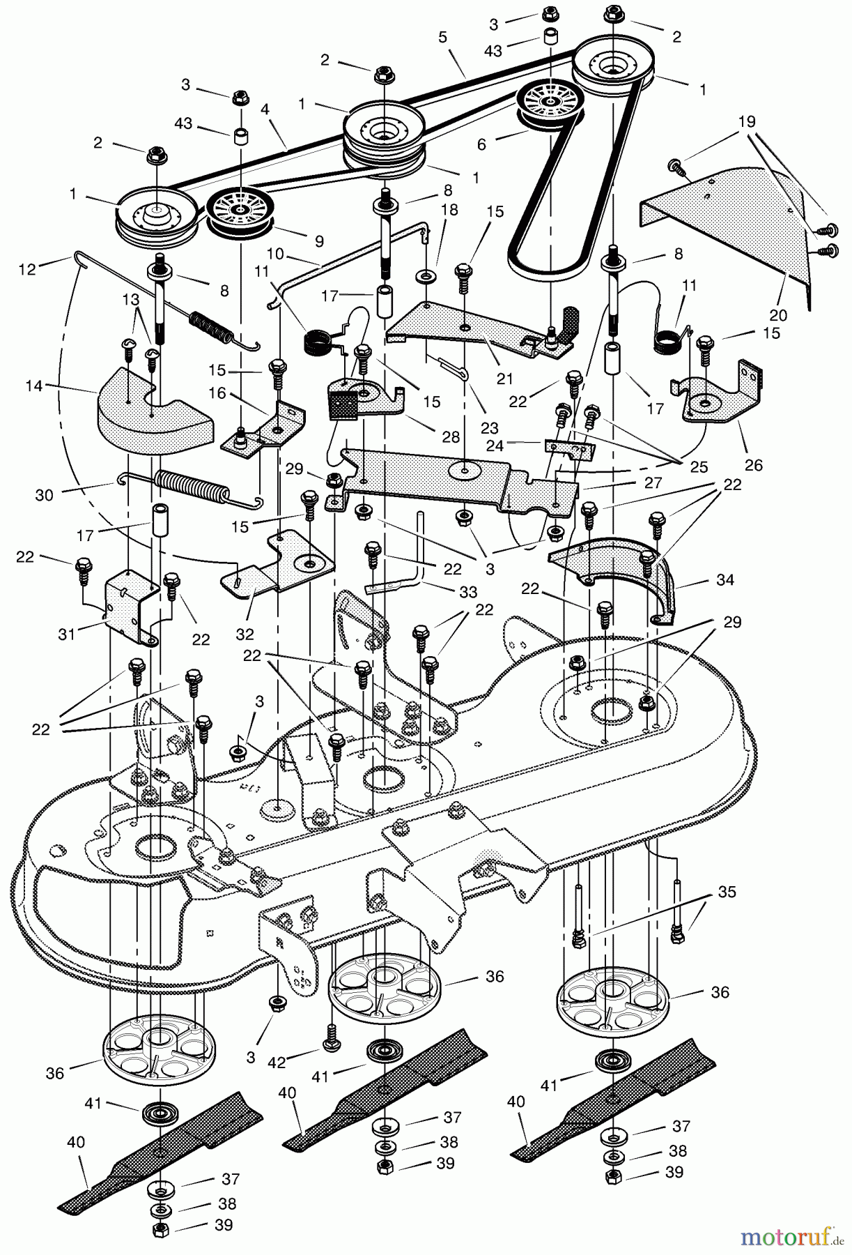
Posizione
Articolo numero
Descrizione
1
BS094592MA
2
BS15X140MA
MUTTER.56-18 RIEMENSCHEIBE ZIN
3
BS015X84MA
MUTTER, CENTERLOCK .38-
4
BS037X66MA
BELT-SECONDARY 47.10
5
BS037X96MA
BELT
6
BS690387MA
PULLEY - BACKSIDE IDL
8
BS774091MA
MANDREL SPLIN 7.03 Q1
9
BS690549MA
PULLEY-BACKSIDE IDLER
10
BS094606ZMA
VERBINDUNGSSTANGE UMLENKHEBEL
11
BS166X41MA
SPRING TORSION BRKE
12
BS165X138MA
SPRING-EXTENSION G.T.
13
BS26X250MA
SCREW-TAPPING 10-16
14
BS094607E701MA
COVER - PULLEY RIGHT
15
BS009X39MA
ANSATZBOLZEN .38-16 X .
16
BS094639E701MA
UMLENKARM ASSY
17
BS094130MA
SPACER
18
BS017X47MA
UNTERLEGSCHEIBE .34 .62
19
BS26X277MA
SCREW-5/16-18X.50
20
BS094605E701MA
COVER - PULLEY (TOP)
21
BS690579E701MA
IDLER ARM ASSY 46
22
BS0025X7MA
MOTORBOLZEN 3/8 X 1.25
23
BS030X20MA
PIN-COTTER.09D-.750L
24
BS094602E701MA
HALTERUNG - BREMSBLECH
25
BS26X249MA
SCREW-.312-18X.75
26
BS094640E701MA
BREMSE ASSY LINKS
27
BS094596E700
28
BS094641E701MA
BRAKE ASSY CENTER
29
BS015X79MA
NUT.31-18 FLANGELOCK
30
BS165X79MA
SPRING-EXTENSION
31
BS092140E701MA
DECKELHALTERUNG LINKS
32
BS094603E701MA
KIPPHEBEL; STEUERHEBEL 46
33
BS092116ZMA
ROD-BELT GUIDE
34
BS690221E701MA
BRACKET, PULLEY COVER
35
BS091754MA
SCREW,GUIDE 5/16-18 Z
36
BS492574MA
JACKSHAFT HSNG
37
BS17X166MA
WASHER.62-1.7 11G - B
38
BS17X165MA
UNTERLEGSCHEIBE.62-1.0-.18 FL
39
BS15X100MA
MUTTER.56-18 REG UNF Z-Y
40
BS056631E701MA
SINGLE BLADE - 056631
41
BS1001035MA
FLUGELADAPTER
42
BS002X53MA
BOLT,CRG .31-18 X 0.
43
BS690369MA
SPACER 1/2'' TO 17 MM
Gestione della qualità
Aiutaci a migliorare il nostro sito. Informaci se trovi un errore.