.it
Benvenuti
Contatti
Spedizione
L’azienda
Guest book
Condizioni e Privacy
Catalogare
Tagliare, profilare
Componenti per motore
Officine meccaniche
Parti e componentistica per macchine varie
Forestali
Articoli elettrici
Articoli invernali
Cinghie trapezoidali e relative pulegge
Filters
PEZZI DI RICAMBIO
Sprocket Rims
Guide Bars
Chainsaw Chains
Search by Part Number
Diagrammi ed elenchi
Servizio
Determine Chain
Ricerca
Il mio account
Registrati
Log in
Settings
DE
EN
FR
ES
IT
Desktop
Murray 461007x92A - B&S/ 46" Garden Tractor (2001) (Walmart) Motion Drive Ricambi
Start
Murray
Rasen- und Gartentraktoren
461007x92A - B&S/Murray 46" Garden Tractor (2001) (Walmart)
Motion Drive
Motion Drive 461007x92A - B&S/Murray 46" Garden Tractor (2001) (Walmart)
Posizione
Articolo numero
Descrizione
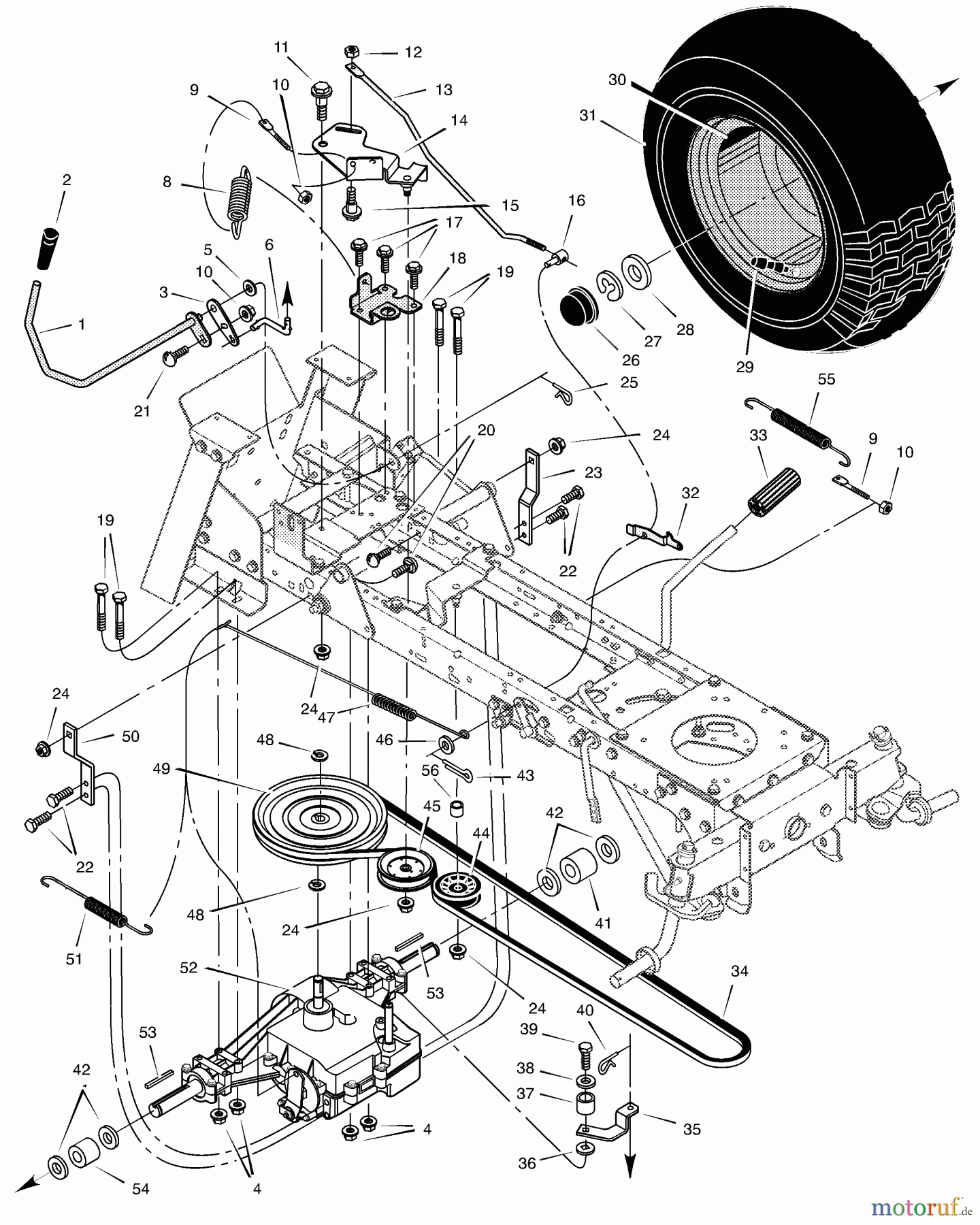
1
BS690366ZMA
SHIFT LEVER ASSY(FEND
2
BS092697MA
GRIP - .50 ID - BLACK
3
BS690131ZMA
PLATTE, JUSTIERUNG
4
BS015X88MA
NUT,CENTERLOCK Z .3
5
BS17X103MA
UNTERLEGSCHEIBE.53X1X.12 FLAT
6
BS690130 Z
8
BS165X116MA
LEITZUGFEDER
9
BS094042ZMA
FEDERBOLZEN MTG.
10
BS015X79MA
NUT.31-18 FLANGELOCK
11
BS009X39MA
ANSATZBOLZEN .38-16 X .
12
BS015X89MA
MUTTER 25-20FLANSCHARRETIERUNG
13
BS094041ZMA
ROD - CLUTCH
14
BS690364ZMA
BEF. ARM, RIEMENROLLE
15
BS009X54MA
BOLT-SHD.25-20X.375D
16
BS094815ZMA
NUT-ADJUSTING
17
BS26X249MA
SCREW-.312-18X.75
18
BS690070E700MA
BRACKET-SPRING MTG
19
BS01X155MA
BOLT-HEX.31-18X2.50 P
20
BS002X78MA
SCHLOSSSCHRAUBE
21
BS002X53MA
BOLT,CRG .31-18 X 0.
22
BS26X216MA
SCREW-THREAD FORMING
23
BS690081E700MA
HALTER- TORQUE REACH
24
BS015X84MA
MUTTER, CENTERLOCK .38-
25
BS0031X4MA
PIN, HAIR .56D - .09
26
BS094618MA
HUB CAP
27
BS011X23MA
RING, E 1.00D - .050
28
BS17X193MA
WASHER - FLAT
29
BS024373MA
VENTIL STM&CP,TR41 SE
30
BS093263601MA
FELGE & FELGE
31
BS091923MA
REIFEN,18X8.5-8 RASEN SE
--
BS407049MA
INNER TUBE-18X9.5 SE
32
BS094045ZMA
SPERRRIEGEL-PARKBREMSE
33
BS021544MA
CLUTCH & BRAKE PEDAL
34
BS037X68MA
BELT - 101.76 E.L.
35
BS690129ZMA
VERSTELLBUGEL
36
BS17X148MA
UNTERLEGSCHEIBE.38 SQ 1. 16G F
37
BS091889MA
FUHRUNGSZAPFEN
38
BS017X38MA
UNTERLEGSCHEIBE.26.75 16G FLT
39
BS06X105MA
CAP SCREW 1/4-28 (AR
40
BS0031X6MA
PIN, HAIR .38D - .0
41
BS690213 Z
42
BS17X118ZMA
WASHER 1-1.3 16G FLT
43
BS030X20MA
PIN-COTTER.09D-.750L
44
BS690410MA
IDLER PULLEY - 3.0 DI
45
BS023339MA
HINTERTEIL UMLENKROLLE
46
BS17X169MA
UNTERLEGSCHEIBE.377-1-.03 FLT
47
BS165X115MA
BREMSZUGFEDER
48
BS0011X7MA
SPRENGRING/SEEGERRING.625D.035
49
BS690181MA
RIEMENSCHEIBE - T/A 9.25 OD
50
BS690080E700MA
HALTER - ANTRIEB RECHTS
51
BS165X92MA
SPRING-EXTENSION
52
BS
Eingangswelle UE 600
53
BS024039MA
.25 SQ SCHLUSSEL-TRAKTOR
54
BS690214 Z
55
BS165X133MA
SPRING-EXTENSION (LIF
56
BS690369MA
SPACER 1/2'' TO 17 MM
Gestione della qualità
Aiutaci a migliorare il nostro sito. Informaci se trovi un errore.